第65页
- 第1页
- 第2页
- 第3页
- 第4页
- 第5页
- 第6页
- 第7页
- 第8页
- 第9页
- 第10页
- 第11页
- 第12页
- 第13页
- 第14页
- 第15页
- 第16页
- 第17页
- 第18页
- 第19页
- 第20页
- 第21页
- 第22页
- 第23页
- 第24页
- 第25页
- 第26页
- 第27页
- 第28页
- 第29页
- 第30页
- 第31页
- 第32页
- 第33页
- 第34页
- 第35页
- 第36页
- 第37页
- 第38页
- 第39页
- 第40页
- 第41页
- 第42页
- 第43页
- 第44页
- 第45页
- 第46页
- 第47页
- 第48页
- 第49页
- 第50页
- 第51页
- 第52页
- 第53页
- 第54页
- 第55页
- 第56页
- 第57页
- 第58页
- 第59页
- 第60页
- 第61页
- 第62页
- 第63页
- 第64页
- 第65页
- 第66页
- 第67页
- 第68页
- 第69页
- 第70页
- 第71页
- 第72页
- 第73页
- 第74页
- 第75页
- 第76页
- 第77页
- 第78页
- 第79页
- 第80页
- 第81页
- 第82页
- 第83页
- 第84页
- 第85页
- 第86页
- 第87页
- 第88页
- 第89页
- 第90页
- 第91页
- 第92页
- 第93页
- 第94页
- 第95页
- 第96页
- 第97页
- 第98页
- 第99页
- 第100页
- 第101页
- 第102页
- 第103页
- 第104页
- 第105页
- 第106页
- 第107页
- 第108页
- 第109页
- 第110页
- 第111页
- 第112页
- 第113页
- 第114页
- 第115页
- 第116页
- 第117页
- 第118页
- 第119页
- 第120页
- 第121页
- 第122页
2. 用反证法证明“在一个三角形中,至少有一个内角大于或等于$60^{\circ}$”时,可先假设“______”,然后经证明与“______”相矛盾,所以原命题成立。
答案:
三角形的三个内角都小于60° 三角形内角和定理
3. 如图,$\triangle ABC是\odot O$的内接正三角形,点$O$是圆心,点$D$,$E分别在边AC$,$AB$上,若$DA = EB$,则$\angle DOE$的度数是______度。

答案:
120
1. 用反证法证明“两条直线相交只有一个交点”应该先假设( )
A.两条直线相交至少有两个交点
B.两条直线相交没有两个交点
C.两条直线平行时也有一个交点
D.两条直线平行没有交点
A.两条直线相交至少有两个交点
B.两条直线相交没有两个交点
C.两条直线平行时也有一个交点
D.两条直线平行没有交点
答案:
A
2. 如图,在平面直角坐标系中,点$A$,$B$,$C的坐标分别为(1,4)$,$(5,4)$,$(1,-2)$,则$\triangle ABC$外接圆的圆心坐标是( )

A.$(2,3)$
B.$(3,2)$
C.$(1,3)$
D.$(3,1)$
A.$(2,3)$
B.$(3,2)$
C.$(1,3)$
D.$(3,1)$
答案:
D
3. 有两个圆的圆心都是点$O$,其半径分别是$2cm和6cm$,若点$P$在小圆外且在大圆内,则$OP$的取值范围是______。
答案:
2cm<OP<6cm 因为点P在小圆外,所以OP>2cm.又点P在大圆内,所以OP<6cm.
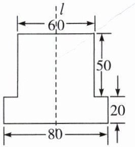
4. 由两个长方形组成的工件平面图(单位:$mm$)如图所示,直线$l$是它的对称轴,能完全覆盖这个平面图形的圆面的最小半径是______$mm$。

答案:
50 如图,设过A,B,C三点的外接圆的圆心为O,由对称性可知直线l经过圆心O,且点C的对称点D也一定在圆上,即圆O为完全覆盖这个平面图形的最小圆(包含其内部).连接AO,CO.由垂径定理(或对称性),得CM=30,AN=40.
∵CM²+OM²=AN²+ON²,
∴30²+OM²=40²+(70-OM)²,解得OM=40.
∴OC=√(30²+40²)=50.即能完全覆盖这个平面图形的圆面的最小半径是50mm.
50 如图,设过A,B,C三点的外接圆的圆心为O,由对称性可知直线l经过圆心O,且点C的对称点D也一定在圆上,即圆O为完全覆盖这个平面图形的最小圆(包含其内部).连接AO,CO.由垂径定理(或对称性),得CM=30,AN=40.
∵CM²+OM²=AN²+ON²,
∴30²+OM²=40²+(70-OM)²,解得OM=40.
∴OC=√(30²+40²)=50.即能完全覆盖这个平面图形的圆面的最小半径是50mm.
★5. 已知线段$AB和直线l$,过$A$,$B$两点作圆,并且使圆心在直线$l$上。
(1)当$AB // l$时,这样的圆能作几个?
(2)当$AB与直线l$斜交时,这样的圆能作几个?
(3)当$AB与直线l$垂直,且直线$l不过线段AB$的中点时,这样的圆能作几个?
(4)当直线$l是线段AB$的垂直平分线时,这样的圆能作几个?
(1)当$AB // l$时,这样的圆能作几个?
(2)当$AB与直线l$斜交时,这样的圆能作几个?
(3)当$AB与直线l$垂直,且直线$l不过线段AB$的中点时,这样的圆能作几个?
(4)当直线$l是线段AB$的垂直平分线时,这样的圆能作几个?
答案:
解
(1)当AB//l时,线段AB的垂直平分线与直线l有唯一的公共点,这样的圆可作一个.如图①.
(2)当AB与直线l斜交时,线段AB的垂直平分线与直线l有唯一的公共点,这样的圆可作一个.如图②.
(3)当AB与直线l垂直,且直线l不过线段AB的中点时,线段AB的垂直平分线与直线l没有公共点,这样的圆不存在.如图③.
(4)当直线l是线段AB的垂直平分线时,直线l上的任一点都可作圆心,这样的圆有无数个.如图④.
解
(1)当AB//l时,线段AB的垂直平分线与直线l有唯一的公共点,这样的圆可作一个.如图①.
(2)当AB与直线l斜交时,线段AB的垂直平分线与直线l有唯一的公共点,这样的圆可作一个.如图②.
(3)当AB与直线l垂直,且直线l不过线段AB的中点时,线段AB的垂直平分线与直线l没有公共点,这样的圆不存在.如图③.
(4)当直线l是线段AB的垂直平分线时,直线l上的任一点都可作圆心,这样的圆有无数个.如图④.
1. 直线和圆有两个公共点,这时我们说这条直线和圆______,这条直线叫做圆的______;直线和圆只有一个公共点,这时我们说这条直线和圆______,这条直线叫做圆的______,这个点叫做______;直线和圆没有公共点,这时我们说这条直线和圆______。
答案:
相交 割线 相切 切线 切点 相离
查看更多完整答案,请扫码查看