第136页
- 第1页
- 第2页
- 第3页
- 第4页
- 第5页
- 第6页
- 第7页
- 第8页
- 第9页
- 第10页
- 第11页
- 第12页
- 第13页
- 第14页
- 第15页
- 第16页
- 第17页
- 第18页
- 第19页
- 第20页
- 第21页
- 第22页
- 第23页
- 第24页
- 第25页
- 第26页
- 第27页
- 第28页
- 第29页
- 第30页
- 第31页
- 第32页
- 第33页
- 第34页
- 第35页
- 第36页
- 第37页
- 第38页
- 第39页
- 第40页
- 第41页
- 第42页
- 第43页
- 第44页
- 第45页
- 第46页
- 第47页
- 第48页
- 第49页
- 第50页
- 第51页
- 第52页
- 第53页
- 第54页
- 第55页
- 第56页
- 第57页
- 第58页
- 第59页
- 第60页
- 第61页
- 第62页
- 第63页
- 第64页
- 第65页
- 第66页
- 第67页
- 第68页
- 第69页
- 第70页
- 第71页
- 第72页
- 第73页
- 第74页
- 第75页
- 第76页
- 第77页
- 第78页
- 第79页
- 第80页
- 第81页
- 第82页
- 第83页
- 第84页
- 第85页
- 第86页
- 第87页
- 第88页
- 第89页
- 第90页
- 第91页
- 第92页
- 第93页
- 第94页
- 第95页
- 第96页
- 第97页
- 第98页
- 第99页
- 第100页
- 第101页
- 第102页
- 第103页
- 第104页
- 第105页
- 第106页
- 第107页
- 第108页
- 第109页
- 第110页
- 第111页
- 第112页
- 第113页
- 第114页
- 第115页
- 第116页
- 第117页
- 第118页
- 第119页
- 第120页
- 第121页
- 第122页
- 第123页
- 第124页
- 第125页
- 第126页
- 第127页
- 第128页
- 第129页
- 第130页
- 第131页
- 第132页
- 第133页
- 第134页
- 第135页
- 第136页
- 第137页
- 第138页
- 第139页
- 第140页
- 第141页
- 第142页
- 第143页
- 第144页
- 第145页
- 第146页
7. (2023·广西中考)家中同时使用多个大功率用电器,很容易造成导线中
总电流
过大而发生火灾;直接用手去拔绝缘皮破损的电源插头,可能因接触相线
(选填“相线”或“中性线”)造成触电。
答案:
7.总电流 相线
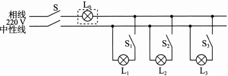
8. 小明是个善于思考的学生。当电路出现故障时,他用额定电压为220V的灯泡L₀(检验灯泡)取代保险丝来检查新安装的照明电路中每个支路的情况,如下图所示。

开关S闭合后,再分别闭合S₁、S₂、S₃(每次只能闭合其中之一)时,可能出现以下三种情况,试判断:(均选填“短路”“断路”或“正常”)
(1)L₀不亮,说明该支路
(2)L₀正常发光,说明该支路
(3)L₀发光呈暗红色,说明该支路
开关S闭合后,再分别闭合S₁、S₂、S₃(每次只能闭合其中之一)时,可能出现以下三种情况,试判断:(均选填“短路”“断路”或“正常”)
(1)L₀不亮,说明该支路
断路
。(2)L₀正常发光,说明该支路
短路
。(3)L₀发光呈暗红色,说明该支路
正常
。
答案:
8.
(1)断路
(2)短路
(3)正常
解析:
(1)当L₀不亮时,说明电路处于断路状态;
(2)L₀能正常发光,说明L₀两端电压为220V,该支路发生了短路;
(3)L₀发光呈暗红色时,L₀与L串联,两个灯两端的电压均小于220V,故不能正常发光,说明L是正常的。
(1)断路
(2)短路
(3)正常
解析:
(1)当L₀不亮时,说明电路处于断路状态;
(2)L₀能正常发光,说明L₀两端电压为220V,该支路发生了短路;
(3)L₀发光呈暗红色时,L₀与L串联,两个灯两端的电压均小于220V,故不能正常发光,说明L是正常的。
9. 保险丝的规格常用额定电流来表示,选用保险丝时,应使它的额定电流等于或略大于电路中的最大工作电流。下表中所列的是常用的铅锑合金保险丝的规格。

(1)由表中的数据你能得到哪些有关保险丝的知识?请写出两条:
①
②
(2)若小华家照明电路中有4盏规格为“220V 40W”的电灯,1台功率为60W的电风扇和1台1000W的电热水器,请你通过计算帮他选择出一种规格正确的保险丝。
(1)由表中的数据你能得到哪些有关保险丝的知识?请写出两条:
①
保险丝的熔断电流是额定电流的2倍
;②
直径越大的保险丝,熔断电流和额定电流就越大
。(2)若小华家照明电路中有4盏规格为“220V 40W”的电灯,1台功率为60W的电风扇和1台1000W的电热水器,请你通过计算帮他选择出一种规格正确的保险丝。
答案:
9.
(1)①保险丝的熔断电流是额定电流的2倍②直径越大的保险丝,熔断电流和额定电流就越大
(2)P=40W×4+60W+1000W=1220W,
干路中的最大电流
I=$\frac{P}{U}$=$\frac{1220W}{220V}$≈5.55A,
选直径为1.02mm的保险丝比较合适。
(1)①保险丝的熔断电流是额定电流的2倍②直径越大的保险丝,熔断电流和额定电流就越大
(2)P=40W×4+60W+1000W=1220W,
干路中的最大电流
I=$\frac{P}{U}$=$\frac{1220W}{220V}$≈5.55A,
选直径为1.02mm的保险丝比较合适。
查看更多完整答案,请扫码查看