第134页
- 第1页
- 第2页
- 第3页
- 第4页
- 第5页
- 第6页
- 第7页
- 第8页
- 第9页
- 第10页
- 第11页
- 第12页
- 第13页
- 第14页
- 第15页
- 第16页
- 第17页
- 第18页
- 第19页
- 第20页
- 第21页
- 第22页
- 第23页
- 第24页
- 第25页
- 第26页
- 第27页
- 第28页
- 第29页
- 第30页
- 第31页
- 第32页
- 第33页
- 第34页
- 第35页
- 第36页
- 第37页
- 第38页
- 第39页
- 第40页
- 第41页
- 第42页
- 第43页
- 第44页
- 第45页
- 第46页
- 第47页
- 第48页
- 第49页
- 第50页
- 第51页
- 第52页
- 第53页
- 第54页
- 第55页
- 第56页
- 第57页
- 第58页
- 第59页
- 第60页
- 第61页
- 第62页
- 第63页
- 第64页
- 第65页
- 第66页
- 第67页
- 第68页
- 第69页
- 第70页
- 第71页
- 第72页
- 第73页
- 第74页
- 第75页
- 第76页
- 第77页
- 第78页
- 第79页
- 第80页
- 第81页
- 第82页
- 第83页
- 第84页
- 第85页
- 第86页
- 第87页
- 第88页
- 第89页
- 第90页
- 第91页
- 第92页
- 第93页
- 第94页
- 第95页
- 第96页
- 第97页
- 第98页
- 第99页
- 第100页
- 第101页
- 第102页
- 第103页
- 第104页
- 第105页
- 第106页
- 第107页
- 第108页
- 第109页
- 第110页
- 第111页
- 第112页
- 第113页
- 第114页
- 第115页
- 第116页
- 第117页
- 第118页
- 第119页
- 第120页
- 第121页
- 第122页
- 第123页
- 第124页
- 第125页
- 第126页
- 第127页
- 第128页
- 第129页
- 第130页
- 第131页
- 第132页
- 第133页
- 第134页
- 第135页
- 第136页
- 第137页
- 第138页
- 第139页
- 第140页
- 第141页
- 第142页
- 第143页
- 第144页
- 第145页
- 第146页
例4(2024·潍坊中考)下图为某家庭电路示意图。关于该家庭电路,下列说法正确的是(

A.导线b是相线
B.电能表上计数器示数的单位是千瓦
C.空气开关“跳闸”,原因可能是电路中出现了短路
D.正确使用测电笔插入三孔插座的某一孔,氖管灯不亮,该孔一定接中性线
C
)A.导线b是相线
B.电能表上计数器示数的单位是千瓦
C.空气开关“跳闸”,原因可能是电路中出现了短路
D.正确使用测电笔插入三孔插座的某一孔,氖管灯不亮,该孔一定接中性线
答案:
例4 C
1. 家庭电路的组成元件的顺序排列正确的是(
A.电灯、总开关、电能表、保险装置、插座
B.总开关、保险装置、插座、电灯、电能表
C.电能表、总开关、保险装置、插座和电灯
D.保险装置、插座、总开关、电能表、电灯
C
)A.电灯、总开关、电能表、保险装置、插座
B.总开关、保险装置、插座、电灯、电能表
C.电能表、总开关、保险装置、插座和电灯
D.保险装置、插座、总开关、电能表、电灯
答案:
1.C
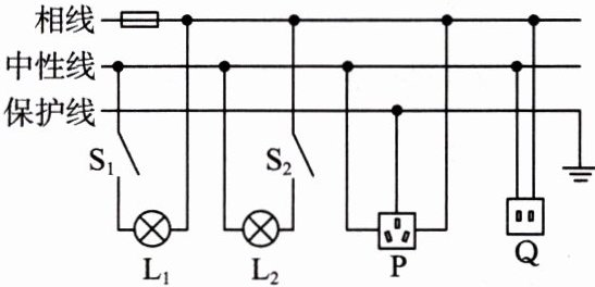
2. (2023·四川中考)学习了家庭电路的相关知识后,小浩对设计的右图所示家庭电路及其使用的下列认识,正确的是(

A.图中两只灯泡与其对应控制开关的连接都是正确的
B.电冰箱的插头保护线插脚脱落,仍可插入插座P长期使用
C.如果灯泡L₂不能正常工作,则插座Q也一定不能正常工作
D.断开开关S₂,正确使用测电笔检查灯泡L₂两端的接线柱,氖管都不会发光
D
)A.图中两只灯泡与其对应控制开关的连接都是正确的
B.电冰箱的插头保护线插脚脱落,仍可插入插座P长期使用
C.如果灯泡L₂不能正常工作,则插座Q也一定不能正常工作
D.断开开关S₂,正确使用测电笔检查灯泡L₂两端的接线柱,氖管都不会发光
答案:
2.D
3. (2022·湖北随州中考)下图是一个住宅户内的配电系统方框图。下列说法正确的是(

A.空气开关Q与吊灯并联
B.当吊灯正常发光时,用测电笔接触P处的导线,氖管不会发光
C.当站在地上的人不小心用手指接触到插孔M内的金属片时,漏电保护器会迅速切断电路,对人身起到保护作用
D.当N处的空气开关“跳闸”时,一定是空调和吊灯同时使用引起的
C
)A.空气开关Q与吊灯并联
B.当吊灯正常发光时,用测电笔接触P处的导线,氖管不会发光
C.当站在地上的人不小心用手指接触到插孔M内的金属片时,漏电保护器会迅速切断电路,对人身起到保护作用
D.当N处的空气开关“跳闸”时,一定是空调和吊灯同时使用引起的
答案:
3.C
查看更多完整答案,请扫码查看