第135页
- 第1页
- 第2页
- 第3页
- 第4页
- 第5页
- 第6页
- 第7页
- 第8页
- 第9页
- 第10页
- 第11页
- 第12页
- 第13页
- 第14页
- 第15页
- 第16页
- 第17页
- 第18页
- 第19页
- 第20页
- 第21页
- 第22页
- 第23页
- 第24页
- 第25页
- 第26页
- 第27页
- 第28页
- 第29页
- 第30页
- 第31页
- 第32页
- 第33页
- 第34页
- 第35页
- 第36页
- 第37页
- 第38页
- 第39页
- 第40页
- 第41页
- 第42页
- 第43页
- 第44页
- 第45页
- 第46页
- 第47页
- 第48页
- 第49页
- 第50页
- 第51页
- 第52页
- 第53页
- 第54页
- 第55页
- 第56页
- 第57页
- 第58页
- 第59页
- 第60页
- 第61页
- 第62页
- 第63页
- 第64页
- 第65页
- 第66页
- 第67页
- 第68页
- 第69页
- 第70页
- 第71页
- 第72页
- 第73页
- 第74页
- 第75页
- 第76页
- 第77页
- 第78页
- 第79页
- 第80页
- 第81页
- 第82页
- 第83页
- 第84页
- 第85页
- 第86页
- 第87页
- 第88页
- 第89页
- 第90页
- 第91页
- 第92页
- 第93页
- 第94页
- 第95页
- 第96页
- 第97页
- 第98页
- 第99页
- 第100页
- 第101页
- 第102页
- 第103页
- 第104页
- 第105页
- 第106页
- 第107页
- 第108页
- 第109页
- 第110页
- 第111页
- 第112页
- 第113页
- 第114页
- 第115页
- 第116页
- 第117页
- 第118页
- 第119页
- 第120页
- 第121页
- 第122页
- 第123页
- 第124页
- 第125页
- 第126页
- 第127页
- 第128页
- 第129页
- 第130页
- 第131页
- 第132页
- 第133页
- 第134页
- 第135页
- 第136页
- 第137页
- 第138页
- 第139页
- 第140页
- 第141页
- 第142页
- 第143页
- 第144页
- 第145页
- 第146页
- 第147页
- 第148页
- 第149页
- 第150页
- 第151页
- 第152页
- 第153页
- 第154页
- 第155页
- 第156页
- 第157页
- 第158页
- 第159页
- 第160页
- 第161页
- 第162页
- 第163页
- 第164页
- 第165页
- 第166页
- 第167页
- 第168页
5. 在如图所示的电路中,电阻器$R_{1}的电阻为10\Omega$,电源电压为$15\ V$。
(1) 求闭合开关 S 后通过电阻器$R_{1}的电流I_{1}$。
(2) 把滑动变阻器$R_{2}$与电流表(测量范围为$0\sim 0.6\ A$)以某种方式接入电路中,发现电路中最小电功率为$27\ W$。
① 判断$R_{1}与R_{2}$的连接方式,并说明理由。
② 求电路中滑动变阻器的最大电阻$R_{2max}$。
③ 求电路中的最大电功率$P_{max}$。
]

(1) 求闭合开关 S 后通过电阻器$R_{1}的电流I_{1}$。
(2) 把滑动变阻器$R_{2}$与电流表(测量范围为$0\sim 0.6\ A$)以某种方式接入电路中,发现电路中最小电功率为$27\ W$。
① 判断$R_{1}与R_{2}$的连接方式,并说明理由。
② 求电路中滑动变阻器的最大电阻$R_{2max}$。
③ 求电路中的最大电功率$P_{max}$。
]
答案:
(1) 1.5 A;
(2) ① 并联;② 50 Ω;③ 31.5 W
(1) 1.5 A;
(2) ① 并联;② 50 Ω;③ 31.5 W
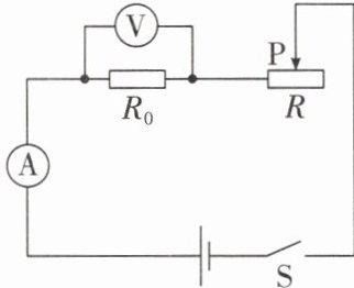
6. 如图所示,电源电压为$18\ V$,$R_{0}$为定值电阻,$R$为滑动变阻器,电流表的测量范围为“$0\sim 0.6\ A$”,电压表的测量范围为“$0\sim 15\ V$”。闭合开关 S,移动滑片 P,当滑片 P 移至滑动变阻器中点时,电流表的示数为$0.36\ A$,电压表的示数为$3.6\ V$。
(1) 求$R_{0}$的电阻。
(2) 求滑动变阻器的最大电阻。
(3) 在保证电路安全的情况下,电路的最大功率为$P_{1}$;将电压表改接在$R$两端,电路的最小功率为$P_{2}$。求$P_{1}:P_{2}$。
]

(1) 求$R_{0}$的电阻。
(2) 求滑动变阻器的最大电阻。
(3) 在保证电路安全的情况下,电路的最大功率为$P_{1}$;将电压表改接在$R$两端,电路的最小功率为$P_{2}$。求$P_{1}:P_{2}$。
]
答案:
(1)
由电路图可知,$R_0$与$R$串联,电压表测$R_0$两端的电压,电流表测电路中的电流。
当滑片$P$移至滑动变阻器中点时,$I = 0.36A$,$U_0 = 3.6V$,
根据$I=\frac{U}{R}$可得,$R_0=\frac{U_0}{I}=\frac{3.6V}{0.36A}=10\Omega$。
(2)
此时滑动变阻器接入电路的电阻为$R_{中}$,
电源电压$U = 18V$,
根据串联电路电压特点$U = U_0+U_R$,可得滑动变阻器两端的电压$U_R=U - U_0=18V - 3.6V = 14.4V$,
再根据$I=\frac{U}{R}$可得,$R_{中}=\frac{U_R}{I}=\frac{14.4V}{0.36A}=40\Omega$,
所以滑动变阻器的最大电阻$R = 2R_{中}=2×40\Omega = 80\Omega$。
(3)
①求$P_1$:
因为电流表的量程为$0 - 0.6A$,为保证电路安全,电路中的最大电流$I_{max}=0.6A$,
根据$P = UI$可得,电路的最大功率$P_1=UI_{max}=18V×0.6A = 10.8W$。
②求$P_2$:
将电压表改接在$R$两端,当电压表示数最大为$U_{Rmax}=15V$时,$R_0$两端的电压$U_{0}'=U - U_{Rmax}=18V - 15V = 3V$,
此时电路中的电流$I_{min}=\frac{U_{0}'}{R_0}=\frac{3V}{10\Omega}=0.3A$,
根据$P = UI$可得,电路的最小功率$P_2=UI_{min}=18V×0.3A = 5.4W$。
所以$\frac{P_1}{P_2}=\frac{10.8W}{5.4W}=2:1$。
综上,答案依次为:
(1)$10\Omega$;
(2)$80\Omega$;
(3)$2:1$。
(1)
由电路图可知,$R_0$与$R$串联,电压表测$R_0$两端的电压,电流表测电路中的电流。
当滑片$P$移至滑动变阻器中点时,$I = 0.36A$,$U_0 = 3.6V$,
根据$I=\frac{U}{R}$可得,$R_0=\frac{U_0}{I}=\frac{3.6V}{0.36A}=10\Omega$。
(2)
此时滑动变阻器接入电路的电阻为$R_{中}$,
电源电压$U = 18V$,
根据串联电路电压特点$U = U_0+U_R$,可得滑动变阻器两端的电压$U_R=U - U_0=18V - 3.6V = 14.4V$,
再根据$I=\frac{U}{R}$可得,$R_{中}=\frac{U_R}{I}=\frac{14.4V}{0.36A}=40\Omega$,
所以滑动变阻器的最大电阻$R = 2R_{中}=2×40\Omega = 80\Omega$。
(3)
①求$P_1$:
因为电流表的量程为$0 - 0.6A$,为保证电路安全,电路中的最大电流$I_{max}=0.6A$,
根据$P = UI$可得,电路的最大功率$P_1=UI_{max}=18V×0.6A = 10.8W$。
②求$P_2$:
将电压表改接在$R$两端,当电压表示数最大为$U_{Rmax}=15V$时,$R_0$两端的电压$U_{0}'=U - U_{Rmax}=18V - 15V = 3V$,
此时电路中的电流$I_{min}=\frac{U_{0}'}{R_0}=\frac{3V}{10\Omega}=0.3A$,
根据$P = UI$可得,电路的最小功率$P_2=UI_{min}=18V×0.3A = 5.4W$。
所以$\frac{P_1}{P_2}=\frac{10.8W}{5.4W}=2:1$。
综上,答案依次为:
(1)$10\Omega$;
(2)$80\Omega$;
(3)$2:1$。
查看更多完整答案,请扫码查看