第81页
- 第1页
- 第2页
- 第3页
- 第4页
- 第5页
- 第6页
- 第7页
- 第8页
- 第9页
- 第10页
- 第11页
- 第12页
- 第13页
- 第14页
- 第15页
- 第16页
- 第17页
- 第18页
- 第19页
- 第20页
- 第21页
- 第22页
- 第23页
- 第24页
- 第25页
- 第26页
- 第27页
- 第28页
- 第29页
- 第30页
- 第31页
- 第32页
- 第33页
- 第34页
- 第35页
- 第36页
- 第37页
- 第38页
- 第39页
- 第40页
- 第41页
- 第42页
- 第43页
- 第44页
- 第45页
- 第46页
- 第47页
- 第48页
- 第49页
- 第50页
- 第51页
- 第52页
- 第53页
- 第54页
- 第55页
- 第56页
- 第57页
- 第58页
- 第59页
- 第60页
- 第61页
- 第62页
- 第63页
- 第64页
- 第65页
- 第66页
- 第67页
- 第68页
- 第69页
- 第70页
- 第71页
- 第72页
- 第73页
- 第74页
- 第75页
- 第76页
- 第77页
- 第78页
- 第79页
- 第80页
- 第81页
- 第82页
- 第83页
- 第84页
- 第85页
- 第86页
- 第87页
- 第88页
- 第89页
- 第90页
- 第91页
- 第92页
- 第93页
- 第94页
- 第95页
- 第96页
- 第97页
- 第98页
- 第99页
- 第100页
- 第101页
- 第102页
- 第103页
- 第104页
- 第105页
- 第106页
- 第107页
- 第108页
- 第109页
- 第110页
- 第111页
- 第112页
1. 下列电路图中电源电压U保持不变,定值电阻R的阻值已知。在不改变电路的情况下,能测出未知电阻$R_{x}$的阻值的是(

A
)
答案:
A 提示:图A中,开关S₂接1时,测出R和Rₓ两端的电压U₁,开关S₂接2时测出Rₓ两端的电压Uₓ,即可测出Rₓ。图B中,闭合开关S₁、S₂,断开S₃,电流表上端为正接线柱,下端为负接线柱;闭合开关S₁、S₃,断开S₂,电流表上端为负接线柱,下端为正接线柱,不能读出电流表示数,不能同时测出Rₓ的电压与电流,不能测出Rₓ。图C中,闭合开关S₁、S₂,断开S₃,电压表上端为正接线柱,下端为负接线柱,闭合开关S₁、S₃,断开S₂,电压表正负接线柱接反,不能读出电压表示数,不能测出Rₓ。图D中,无论单刀双掷开关接到何处都不能测出Rₓ两端的电压与电流,不能测出Rₓ。
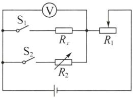
2. 如图所示,是某同学用等效替代法测量未知电阻$R_{x}$的电路图;其中电源电压恒定不变,$R_{0}$是符合实验要求的电阻箱,R是滑动变阻器。下列是他的实验过程记录,请选出正确的操作顺序(

①只闭合开关$S_{2}$,将滑片P移至某一适当位置,记下电压表示数U;②将滑片P滑至b端,只闭合开关$S_{2}$,将滑片P移至某一适当位置,记下电压表示数U;③只闭合开关$S_{1}$,移动滑片P并调节电阻箱$R_{0}$接入电路的阻值,使电压表示数仍为U,则$R_{x}= R_{0}$;④只闭合开关$S_{1}$,调节电阻箱$R_{0}$接入电路的阻值,使电压表示数仍为U,则$R_{x}= R_{0}$。
A.①③
B.①④
C.②④
D.②③
C
)①只闭合开关$S_{2}$,将滑片P移至某一适当位置,记下电压表示数U;②将滑片P滑至b端,只闭合开关$S_{2}$,将滑片P移至某一适当位置,记下电压表示数U;③只闭合开关$S_{1}$,移动滑片P并调节电阻箱$R_{0}$接入电路的阻值,使电压表示数仍为U,则$R_{x}= R_{0}$;④只闭合开关$S_{1}$,调节电阻箱$R_{0}$接入电路的阻值,使电压表示数仍为U,则$R_{x}= R_{0}$。
A.①③
B.①④
C.②④
D.②③
答案:
C 提示:只闭合开关S₂和只闭合开关S₁时,Rₓ和R₀分别与滑动变阻器串联,保持滑动变阻器接入阻值不变,当电压表示数相等时,Rₓ和R₀的阻值相等;正确操作是:将滑片P滑至b端,只闭合开关S₂,电压表测Rₓ两端电压,将滑片P移至某一适当位置记下电压表示数U;断开开关S₂,只闭合开关S₁,电压表测R₀两端电压,只调节R₀接入电路的阻值,使电压表示数仍为U,则有Rₓ=R₀。
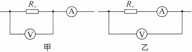
3. 利用伏安法测电阻时常常用到如图所示的两种电路,某同学实验时所用电流表的内阻约为10Ω,电压表的内阻约为20 kΩ,待测电阻的阻值约为100Ω,为了减小误差,他应该采用图______
甲 乙
甲
(填“甲”或“乙”)所示的连接方法,利用该方法进行实验时,测量结果会偏______小
(填“大”或“小”)。
答案:
甲 小 提示:因$\frac{R_V}{R_x}=\frac{20000\ \Omega}{100\ \Omega}=200$,而$\frac{R_x}{R_A}=\frac{100\ \Omega}{10\ \Omega}=10$,故待测电阻相对于V表内阻较小,与V表并联时,V表分流较小,故采用图甲误差较小。图甲中通过A表的电流是Rₓ和V表并联后的总电流,则电流值偏大,测量结果会偏小。
4. 如图所示是“伏安法测电阻”的实验电路图,R为待测电阻,阻值约为5Ω。实验器材有:滑动变阻器(规格为10Ω 2 A)、电压表(量程分别为0~3 V、0~15 V)、电流表(量程分别为0~0.6 A、0~3 A)、电源(3节新干电池串联)。为使测量时能较准确地读数(指针最好偏过中间刻度线),则电压表应选

0~3 V
的量程,电流表应选0~0.6 A
的量程;为了保证两电表安全,应控制滑动变阻器的阻值在2.5~10 Ω
的范围内变化。
答案:
0~3 V 0~0.6 A 2.5~10 Ω
提示:电源是3节新干电池串联,则电源电压为4.5 V,若电压表用0~15 V量程,则无论怎样调节滑动变阻器,电压表指针的偏转角度都太小,不会转过中间刻度线,故电压表应选0~3 V的量程;当电压表示数最大为3 V时,电路的最大电流约为$I=\frac{U_V}{R}=\frac{3\ \text{V}}{5\ \Omega}=0.6\ \text{A}$,故电流表应选0~0.6 A的量程;$I_大=0.6\ \text{A}$时,滑动变阻器连入电路的最小电阻为$R_{滑小}=R_{总小}-R=\frac{U}{I_大}-R=\frac{4.5\ \text{V}}{0.6\ \text{A}}-5\ \Omega=2.5\ \Omega$;因滑动变阻器的最大阻值为10 Ω,为了保证两电表都安全,应控制滑动变阻器的阻值在2.5~10 Ω的范围内变化。
提示:电源是3节新干电池串联,则电源电压为4.5 V,若电压表用0~15 V量程,则无论怎样调节滑动变阻器,电压表指针的偏转角度都太小,不会转过中间刻度线,故电压表应选0~3 V的量程;当电压表示数最大为3 V时,电路的最大电流约为$I=\frac{U_V}{R}=\frac{3\ \text{V}}{5\ \Omega}=0.6\ \text{A}$,故电流表应选0~0.6 A的量程;$I_大=0.6\ \text{A}$时,滑动变阻器连入电路的最小电阻为$R_{滑小}=R_{总小}-R=\frac{U}{I_大}-R=\frac{4.5\ \text{V}}{0.6\ \text{A}}-5\ \Omega=2.5\ \Omega$;因滑动变阻器的最大阻值为10 Ω,为了保证两电表都安全,应控制滑动变阻器的阻值在2.5~10 Ω的范围内变化。
5. 有一个阻值未知的定值电阻$R_{x}$(约为500Ω),要求测出其阻值,可选的器材:电源(2节干电池),滑动变阻器、电流表、电压表、电阻箱(0~9999Ω 5 A)各一个,开关及导线若干。小明选择合适的器材连成了如图所示的电路,测出了$R_{x}$的阻值。请你将小明所选元件符号填入虚线框内。

答案:
如图所示
提示:Rₓ约500 Ω,电源电压为3 V,则电路的电流太小,不能用电流表测量电路中的电流,可将电阻箱与Rₓ串联,通过开关的转换分别测Rₓ两端的电压和电阻箱与Rₓ两端的总电压,根据串联电路的分压原理可求得Rₓ大小。
如图所示
提示:Rₓ约500 Ω,电源电压为3 V,则电路的电流太小,不能用电流表测量电路中的电流,可将电阻箱与Rₓ串联,通过开关的转换分别测Rₓ两端的电压和电阻箱与Rₓ两端的总电压,根据串联电路的分压原理可求得Rₓ大小。
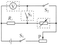
6. 要测量一个阻值为几百欧的电阻$R_{x}$的阻值。实验室提供的器材:电源(电压为3 V)、学生用电流表(量程为0~0.6 A、0~3 A)、学生用电压表(量程为0~3 V、0~15 V)、滑动变阻器$R_{1}和电阻箱R_{2}$(0~9999Ω 5 A)各一个,开关、导线若干。

(1)小明用伏安法测量该电阻,如图是小明连接的电路。接通电路后,观察到电流表指针不偏转,示数为零,电压表示数为2 V。电路中哪一个元件发生了什么故障?答:______。
(2)在排除故障换用新元件后,经检查电路完好。闭合开关,逐渐减小滑动变阻器的阻值至最小,电压表有示数,但电流表的指针几乎不偏转,电流太小的原因是______。所以按小明所选的器材不能用伏安法测出该电阻的阻值。
(3)请你帮助小明在实验室所提供的器材中选择合适的器材,设计实验方案测出该电阻的阻值。
①在虚线框中画出实验电路图;
②实验步骤:按图连接好电路;闭合开关$S_{1}$调节滑动变阻器,使电压表显示合适的值;断开开关$S_{1}$,闭合$S_{2}$,______;读出电阻箱的阻值R;
③请写出待测电阻$R_{x}$的表达式:______。
(1)小明用伏安法测量该电阻,如图是小明连接的电路。接通电路后,观察到电流表指针不偏转,示数为零,电压表示数为2 V。电路中哪一个元件发生了什么故障?答:______。
(2)在排除故障换用新元件后,经检查电路完好。闭合开关,逐渐减小滑动变阻器的阻值至最小,电压表有示数,但电流表的指针几乎不偏转,电流太小的原因是______。所以按小明所选的器材不能用伏安法测出该电阻的阻值。
(3)请你帮助小明在实验室所提供的器材中选择合适的器材,设计实验方案测出该电阻的阻值。
①在虚线框中画出实验电路图;
②实验步骤:按图连接好电路;闭合开关$S_{1}$调节滑动变阻器,使电压表显示合适的值;断开开关$S_{1}$,闭合$S_{2}$,______;读出电阻箱的阻值R;
③请写出待测电阻$R_{x}$的表达式:______。
答案:
(1)电流表短路 (2)Rₓ阻值太大
(3)①如图所示 ②保持滑片位置不变,调节电阻箱阻值,使电压表示数与闭合开关S₁时相同 ③Rₓ=R
提示:(1)闭合开关时,电流表指针不偏转,电压表示数为2 V,说明电流表被短路。(2)由于电源电压为3 V,Rₓ约为几百欧,电流太小,无法用伏安法测出Rₓ。(3)应用等效法测电阻,电路如图所示,闭合开关S₁,调节R₁滑片,使电压表显示合适的值;断开开关S₁,闭合S₂,保持滑片位置不变,调节电阻箱阻值,使电压表示数与闭合开关S₁时相同;读出电阻箱的阻值R,则待测电阻Rₓ=R。
(1)电流表短路 (2)Rₓ阻值太大
(3)①如图所示 ②保持滑片位置不变,调节电阻箱阻值,使电压表示数与闭合开关S₁时相同 ③Rₓ=R
提示:(1)闭合开关时,电流表指针不偏转,电压表示数为2 V,说明电流表被短路。(2)由于电源电压为3 V,Rₓ约为几百欧,电流太小,无法用伏安法测出Rₓ。(3)应用等效法测电阻,电路如图所示,闭合开关S₁,调节R₁滑片,使电压表显示合适的值;断开开关S₁,闭合S₂,保持滑片位置不变,调节电阻箱阻值,使电压表示数与闭合开关S₁时相同;读出电阻箱的阻值R,则待测电阻Rₓ=R。
查看更多完整答案,请扫码查看