第53页
- 第1页
- 第2页
- 第3页
- 第4页
- 第5页
- 第6页
- 第7页
- 第8页
- 第9页
- 第10页
- 第11页
- 第12页
- 第13页
- 第14页
- 第15页
- 第16页
- 第17页
- 第18页
- 第19页
- 第20页
- 第21页
- 第22页
- 第23页
- 第24页
- 第25页
- 第26页
- 第27页
- 第28页
- 第29页
- 第30页
- 第31页
- 第32页
- 第33页
- 第34页
- 第35页
- 第36页
- 第37页
- 第38页
- 第39页
- 第40页
- 第41页
- 第42页
- 第43页
- 第44页
- 第45页
- 第46页
- 第47页
- 第48页
- 第49页
- 第50页
- 第51页
- 第52页
- 第53页
- 第54页
- 第55页
- 第56页
- 第57页
- 第58页
- 第59页
- 第60页
- 第61页
- 第62页
- 第63页
- 第64页
- 第65页
- 第66页
- 第67页
- 第68页
- 第69页
- 第70页
- 第71页
- 第72页
- 第73页
- 第74页
- 第75页
- 第76页
- 第77页
- 第78页
- 第79页
- 第80页
- 第81页
- 第82页
- 第83页
- 第84页
- 第85页
- 第86页
- 第87页
- 第88页
- 第89页
- 第90页
- 第91页
- 第92页
- 第93页
- 第94页
- 第95页
- 第96页
- 第97页
- 第98页
- 第99页
- 第100页
- 第101页
- 第102页
- 第103页
- 第104页
- 第105页
- 第106页
- 第107页
- 第108页
- 第109页
- 第110页
- 第111页
- 第112页
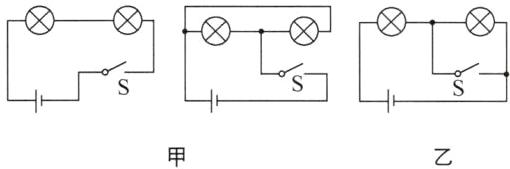
8. 同学们在学习“串联和并联”时,分别用完好的小灯泡两个、干电池两节、开关一个、导线若干设计并连接了各自的电路,小芳连接的两种电路在开关闭合或断开时两灯均同时亮或同时灭;小明将开关闭合后两灯均发光,再从灯座上取下其中一盏灯,另一盏灯依然发光;小聪在连接好电路的最后一根导线时,两灯都发光,但当闭合开关时,其中一盏灯熄灭了。请你解决下列问题:
(1)在图甲的虚线框中将小芳连接的两种电路图补画完整。
(2)小明的电路连接方式为______联。
(3)在图乙的虚线框内将小聪连接的电路图补画完整。

(1)在图甲的虚线框中将小芳连接的两种电路图补画完整。
(2)小明的电路连接方式为______联。
(3)在图乙的虚线框内将小聪连接的电路图补画完整。
答案:
(1)如图甲所示
(2)并
(3)如图乙所示
提示:
(1)在开关闭合或断开时两灯均同时亮或同时灭,则两灯串联、并联均可。
(2)从灯座上取下一盏灯,另一盏灯依然发光,两灯之间互不影响,应是并联。
(3)在连接好电路的最后一根导线时,两灯都发光,说明是通路;当闭合开关时,其中一盏灯熄灭,而另一盏灯仍是通路,说明开关闭合时这盏灯短路,如图乙所示。
(1)如图甲所示
(2)并
(3)如图乙所示
(1)在开关闭合或断开时两灯均同时亮或同时灭,则两灯串联、并联均可。
(2)从灯座上取下一盏灯,另一盏灯依然发光,两灯之间互不影响,应是并联。
(3)在连接好电路的最后一根导线时,两灯都发光,说明是通路;当闭合开关时,其中一盏灯熄灭,而另一盏灯仍是通路,说明开关闭合时这盏灯短路,如图乙所示。
9. 小明同学利用灯泡$L_1、$$L_2$和三个开关S、$S_1、$$S_2,$一个电池组及导线若干组装电路,按要求设计的电路图如图甲所示。
(1)根据电路图中电流方向(黑色箭头),判断电源上端是______(填“正”或“负”)极。
(2)连接的实物电路如图乙所示,请你用笔画线代替导线将实物图中未连接好的导线补充完整(连线不许交叉)。
(3)三个开关都闭合后,只有灯泡$L_2$发光,则电路故障可能是______或______,为了进一步确定故障原因,小明将灯$L_1、$$L_2$互换位置,再次将开关都闭合后,发现只有$L_1$发光,则可以确定故障是______。
A. 灯$L_1$断路
B. 灯$L_1$短路
C. 开关$S_1$断路
D. 开关$S_2$断路
(2)连接的实物电路如图乙所示,请你用笔画线代替导线将实物图中未连接好的导线补充完整(连线不许交叉)。
(3)三个开关都闭合后,只有灯泡$L_2$发光,则电路故障可能是______或______,为了进一步确定故障原因,小明将灯$L_1、$$L_2$互换位置,再次将开关都闭合后,发现只有$L_1$发光,则可以确定故障是______。
A. 灯$L_1$断路
B. 灯$L_1$短路
C. 开关$S_1$断路
D. 开关$S_2$断路
答案:
(1)负
(2)如图所示
(3)灯L₁断路 开关S₁断路 C
提示:
(1)在电源外部,电流从电源正极流出,经用电器回到电源负极,由图甲中的箭头知,电源上端是负极。
(3)三个开关都闭合后,若灯L₁支路断路,只有灯L₂发光;若灯L₁短路,整个电路短路,灯L₂也不发光;故障可能是灯L₁断路或开关S₁断路;将灯L₁、L₂互换位置,再次将开关都闭合后,只有灯L₁发光,只能是开关S₁断路。
(1)负
(2)如图所示
(3)灯L₁断路 开关S₁断路 C
(1)在电源外部,电流从电源正极流出,经用电器回到电源负极,由图甲中的箭头知,电源上端是负极。
(3)三个开关都闭合后,若灯L₁支路断路,只有灯L₂发光;若灯L₁短路,整个电路短路,灯L₂也不发光;故障可能是灯L₁断路或开关S₁断路;将灯L₁、L₂互换位置,再次将开关都闭合后,只有灯L₁发光,只能是开关S₁断路。
10. 物理课上,老师给同学们出示了一个有盖的木盒,盒盖上可看到两只灯泡和一个开关(导线的连接情况隐藏在盒内),如图所示。

(1)当老师闭合开关时,两只灯泡都亮;断开开关,两只灯泡同时熄灭。
①在这个木盒内,除了导线,一定还有另外一个电路元件,它是
②根据上述现象,你
(2)经过检验,这两只灯泡确实是串联的,但在老师闭合开关的时候,细心的小华观察到灯$L_1$比$L_2$亮些,她认为这是因为灯$L_1$比$L_2$更靠近电源正极。
①你认为小华的判断是
②在不增加其他器材的条件下,能证实小华的判断是否正确的做法是
(1)当老师闭合开关时,两只灯泡都亮;断开开关,两只灯泡同时熄灭。
①在这个木盒内,除了导线,一定还有另外一个电路元件,它是
电源
。②根据上述现象,你
不能
(填“能”或“不能”)断定这两只灯泡是串联的。(2)经过检验,这两只灯泡确实是串联的,但在老师闭合开关的时候,细心的小华观察到灯$L_1$比$L_2$亮些,她认为这是因为灯$L_1$比$L_2$更靠近电源正极。
①你认为小华的判断是
错误的
(填“正确的”或“错误的”)。②在不增加其他器材的条件下,能证实小华的判断是否正确的做法是
将两只灯泡交换位置,再比较它们的亮度
。
答案:
(1)①电源 ②不能
(2)①错误的 ②将两只灯泡交换位置,再比较它们的亮度
提示:
(1)①在这个木盒内,除了导线,一定还有另外一个电路元件是电源,因为没有电源,就不可能产生电流。②根据上述现象,我们不能断定这两只灯泡是串联的。因为如果两只灯泡并联,开关在干路上,同样可以看到闭合开关时,两只灯泡都亮了,断开开关,两灯泡同时熄灭的现象。
(2)①串联电路中电流处处相等,两只灯泡串联,流过两只灯泡的电流相等,因此小华的判断是错误的。②在不增加其他器材的条件下,能验证小华的判断是否正确的做法是将两只灯泡交换位置,再比较亮度,会发现交换位置后,原先较亮的灯泡依然较亮,说明灯泡亮度与是否靠近电源的正极无关。
(1)①电源 ②不能
(2)①错误的 ②将两只灯泡交换位置,再比较它们的亮度
提示:
(1)①在这个木盒内,除了导线,一定还有另外一个电路元件是电源,因为没有电源,就不可能产生电流。②根据上述现象,我们不能断定这两只灯泡是串联的。因为如果两只灯泡并联,开关在干路上,同样可以看到闭合开关时,两只灯泡都亮了,断开开关,两灯泡同时熄灭的现象。
(2)①串联电路中电流处处相等,两只灯泡串联,流过两只灯泡的电流相等,因此小华的判断是错误的。②在不增加其他器材的条件下,能验证小华的判断是否正确的做法是将两只灯泡交换位置,再比较亮度,会发现交换位置后,原先较亮的灯泡依然较亮,说明灯泡亮度与是否靠近电源的正极无关。
查看更多完整答案,请扫码查看