第124页
- 第2页
- 第3页
- 第4页
- 第5页
- 第6页
- 第7页
- 第8页
- 第9页
- 第10页
- 第11页
- 第12页
- 第13页
- 第14页
- 第15页
- 第16页
- 第17页
- 第18页
- 第19页
- 第20页
- 第21页
- 第22页
- 第23页
- 第24页
- 第25页
- 第26页
- 第27页
- 第28页
- 第29页
- 第30页
- 第31页
- 第32页
- 第33页
- 第34页
- 第35页
- 第36页
- 第37页
- 第38页
- 第39页
- 第40页
- 第41页
- 第42页
- 第43页
- 第44页
- 第45页
- 第46页
- 第47页
- 第48页
- 第49页
- 第50页
- 第51页
- 第52页
- 第53页
- 第54页
- 第55页
- 第56页
- 第57页
- 第58页
- 第59页
- 第60页
- 第61页
- 第62页
- 第63页
- 第64页
- 第65页
- 第66页
- 第67页
- 第68页
- 第69页
- 第70页
- 第71页
- 第72页
- 第73页
- 第74页
- 第75页
- 第76页
- 第77页
- 第78页
- 第79页
- 第80页
- 第81页
- 第82页
- 第83页
- 第84页
- 第85页
- 第86页
- 第87页
- 第88页
- 第89页
- 第90页
- 第91页
- 第92页
- 第93页
- 第94页
- 第95页
- 第96页
- 第97页
- 第98页
- 第99页
- 第100页
- 第101页
- 第102页
- 第103页
- 第104页
- 第105页
- 第106页
- 第107页
- 第108页
- 第109页
- 第110页
- 第111页
- 第112页
- 第113页
- 第114页
- 第115页
- 第116页
- 第117页
- 第118页
- 第119页
- 第120页
- 第121页
- 第122页
- 第123页
- 第124页
- 第125页
- 第126页
- 第127页
- 第128页
- 第129页
- 第130页
- 第131页
- 第132页
- 第133页
- 第134页
- 第135页
- 第136页
- 第137页
- 第138页
- 第139页
- 第140页
- 第141页
- 第142页
- 第143页
- 第144页
- 第145页
- 第146页
- 第147页
- 第148页
- 第149页
- 第150页
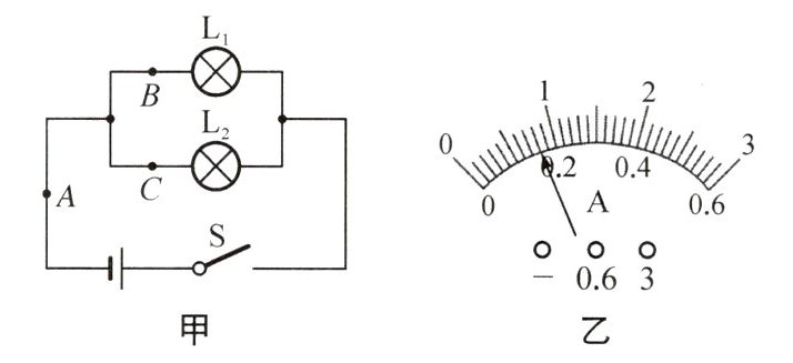
8. 在“探究并联电路电流特点”的实验中,小华设计了如图甲所示的电路进行实验.

(1)连接电路时,开关应处于______状态.
(2)实验中,在A、B、C三处各接入一个电流表,并选择合适的量程.闭合开关,测得A、B、C三处的电流分别为$I_A、$$I_B、$$I_C.$更换______(选填“相同”或“不同”)规格的灯泡重复实验,部分实验数据如表所示.
(3)分析实验数据可得:在并联电路中,干路电流与各支路电流的关系是______(写出关系式).
(4)小华在某次实验中测得C处电流$I_C$为0.3 A,观察到A处电流表指针位置如图乙所示,则A处电流大小为______A.

(1)连接电路时,开关应处于______状态.
(2)实验中,在A、B、C三处各接入一个电流表,并选择合适的量程.闭合开关,测得A、B、C三处的电流分别为$I_A、$$I_B、$$I_C.$更换______(选填“相同”或“不同”)规格的灯泡重复实验,部分实验数据如表所示.
(3)分析实验数据可得:在并联电路中,干路电流与各支路电流的关系是______(写出关系式).
(4)小华在某次实验中测得C处电流$I_C$为0.3 A,观察到A处电流表指针位置如图乙所示,则A处电流大小为______A.
答案:
(1)断开
(2)不同
(3)$I_{A}=I_{B}+I_{C}$
(4)0.8 解析:
(1)为了保护电路,连接电路时开关应断开.
(2)为了使结论更具普遍性,应换用不同规格的灯泡进行重复实验.
(3)分析题表中实验数据可知,在并联电路中,干路电流等于各支路电流之和,表达式为$I_{A}=I_{B}+I_{C}$.
(4)由题图甲可知,C处在支路上,A处在干路上,由并联电路的电流特点可知,A处的电流应大于C处的电流,由题图乙中电流表的指针位置可知,电流表选用的是“0~3A”的量程,分度值为0.1A,示数为0.8A,因此A处电流大小为0.8A.
(1)断开
(2)不同
(3)$I_{A}=I_{B}+I_{C}$
(4)0.8 解析:
(1)为了保护电路,连接电路时开关应断开.
(2)为了使结论更具普遍性,应换用不同规格的灯泡进行重复实验.
(3)分析题表中实验数据可知,在并联电路中,干路电流等于各支路电流之和,表达式为$I_{A}=I_{B}+I_{C}$.
(4)由题图甲可知,C处在支路上,A处在干路上,由并联电路的电流特点可知,A处的电流应大于C处的电流,由题图乙中电流表的指针位置可知,电流表选用的是“0~3A”的量程,分度值为0.1A,示数为0.8A,因此A处电流大小为0.8A.
9. 学校电路的照明专用线允许通过的最大电流是20 A,通过每盏日光灯的电流为300 mA,则学校里最多可安装______盏这样的日光灯.若将22只相同的小灯泡并联接在220 V的电路中,每只小灯泡两端的电压为______V.
答案:
66 220 解析:日光灯是并联的,学校照明专用线允许通过的最大电流是20A,通过每盏日光灯的电流为$300mA = 0.3A$,$n=\frac{20A}{0.3A}\approx 66.7$,则学校最多可安装66盏这样的日光灯;将22只小灯泡并联在220V的电路中,由于并联电路两端的总电压与各支路两端的电压相等,则每只小灯泡两端的电压为220V.
10. 如图所示,电流表$A_1、$$A_2$和$A_3$的示数分别为1.2 A、0.8 A和0.3 A,那么通过$L_1$的电流为______A,通过$L_2$的电流为______A.

答案:
0.4 0.5 解析:由题图可知,三个灯泡并联,电流表$A_{1}$测干路电流,电流表$A_{2}$测通过灯$L_{2}$和$L_{3}$的总电流,电流表$A_{3}$测通过灯$L_{3}$的电流;故通过灯$L_{3}$的电流$I_{3}=I_{A3}=0.3A$,根据并联电路电流规律可知,通过灯$L_{2}$的电流$I_{2}=I_{A2}-I_{A3}=0.8A - 0.3A = 0.5A$,通过灯$L_{1}$的电流$I_{1}=I_{A1}-I_{A2}=1.2A - 0.8A = 0.4A$.
11. 如图所示,在探究并联电路中的电流关系时,小明同学用电流表测出A、B、C三处的电流分别为$I_A = 0.2 A、$$I_B = 0.3 A、$$I_C = 0.5 A,$在表格中记录数据后,接下来应该做的是()

A. 整理器材,结束实验
B. 换用不同规格的小灯泡,再测出几组电流值
C. 分析数据,得出结论
D. 换用电流表的另一量程,再测出一组电流值
A. 整理器材,结束实验
B. 换用不同规格的小灯泡,再测出几组电流值
C. 分析数据,得出结论
D. 换用电流表的另一量程,再测出一组电流值
答案:
B 解析:为了得到普遍性规律,应进行多次测量,仅仅测量一次就下结论,具有偶然性,A、C不符合题意;换用不同规格的小灯泡,再测出几组电流值,这样符合实验的要求,能够使最终的结论更具普遍性,B符合题意;换用电流表的另一量程,再测出一组电流值,电路中的电流不变,还有可能使测量误差变大,D不符合题意.
查看更多完整答案,请扫码查看