第85页
- 第1页
- 第2页
- 第3页
- 第4页
- 第5页
- 第6页
- 第7页
- 第8页
- 第9页
- 第10页
- 第11页
- 第12页
- 第13页
- 第14页
- 第15页
- 第16页
- 第17页
- 第18页
- 第19页
- 第20页
- 第21页
- 第22页
- 第23页
- 第24页
- 第25页
- 第26页
- 第27页
- 第28页
- 第29页
- 第30页
- 第31页
- 第32页
- 第33页
- 第34页
- 第35页
- 第36页
- 第37页
- 第38页
- 第39页
- 第40页
- 第41页
- 第42页
- 第43页
- 第44页
- 第45页
- 第46页
- 第47页
- 第48页
- 第49页
- 第50页
- 第51页
- 第52页
- 第53页
- 第54页
- 第55页
- 第56页
- 第57页
- 第58页
- 第59页
- 第60页
- 第61页
- 第62页
- 第63页
- 第64页
- 第65页
- 第66页
- 第67页
- 第68页
- 第69页
- 第70页
- 第71页
- 第72页
- 第73页
- 第74页
- 第75页
- 第76页
- 第77页
- 第78页
- 第79页
- 第80页
- 第81页
- 第82页
- 第83页
- 第84页
- 第85页
- 第86页
- 第87页
- 第88页
- 第89页
- 第90页
- 第91页
- 第92页
- 第93页
- 第94页
- 第95页
- 第96页
- 第97页
- 第98页
- 第99页
- 第100页
- 第101页
- 第102页
- 第103页
- 第104页
- 第105页
- 第106页
- 第107页
- 第108页
- 第109页
- 第110页
- 第111页
- 第112页
- 第113页
- 第114页
- 第115页
- 第116页
- 第117页
- 第118页
- 第119页
- 第120页
- 第121页
- 第122页
- 第123页
- 第124页
答案:
①正 ②反 ③$\frac{U}{R}$ ④IR ⑤$\frac{U}{I}$ ⑥R=$\frac{U}{I}$ ⑦电压表 ⑧电流表 ⑨
⑩各串联电阻之和 ⑪正 ⑫$\frac{R_1}{R_2}$ ⑬各支路电阻的倒数之和 ⑭反 ⑮$\frac{R_1}{R_2}$
①正 ②反 ③$\frac{U}{R}$ ④IR ⑤$\frac{U}{I}$ ⑥R=$\frac{U}{I}$ ⑦电压表 ⑧电流表 ⑨
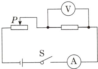
1. 小明用如图所示的电路探究“电流与电压、电阻的关系”。电源电压恒为$3V$,滑动变阻器的最大阻值为$20Ω$,定值电阻有$5Ω$、$10Ω$、$15Ω$、$20Ω$各一个。
(1) 他先用$5Ω$的定值电阻探究电流与电压的关系。
① 连接电路时开关$S$应处于__________(填“闭合”或“断开”)状态。
② 实验过程中多次调节滑动变阻器是为了______________________________。
③ 通过实验,记录了$4$组数据,分析表格数据可得出结论:在电阻一定时,通过导体的电流与导体两端的电压成________比。
该结论的依据是________________________。
全章高频考点专训II|11|1{||1||||11|令见答案册$35$页
(2) 接着小明用所给的四个定值电阻探究电流与电阻的关系:每更换一次电阻,应移动滑动变阻器的滑片使________表的示数不变,记录对应________表的示数。
(1) 他先用$5Ω$的定值电阻探究电流与电压的关系。
① 连接电路时开关$S$应处于__________(填“闭合”或“断开”)状态。
② 实验过程中多次调节滑动变阻器是为了______________________________。
③ 通过实验,记录了$4$组数据,分析表格数据可得出结论:在电阻一定时,通过导体的电流与导体两端的电压成________比。
该结论的依据是________________________。
全章高频考点专训II|11|1{||1||||11|令见答案册$35$页
(2) 接着小明用所给的四个定值电阻探究电流与电阻的关系:每更换一次电阻,应移动滑动变阻器的滑片使________表的示数不变,记录对应________表的示数。
答案:
(1)①断开 ②改变电压多测几组数据,寻找规律 ③正;当电阻两端电压增大为原来的几倍,通过电阻的电流也增大为原来的几倍
(2)电压;电流
(1)①断开 ②改变电压多测几组数据,寻找规律 ③正;当电阻两端电压增大为原来的几倍,通过电阻的电流也增大为原来的几倍
(2)电压;电流
2. 小兰用如图甲所示的电路探究电流与电阻的关系,电源电压为$3V$,定值电阻有$4$个阻值($5Ω$、$10Ω$、$15Ω$、$25Ω$)供选用,滑动变阻器的规格为“$10Ω 2A$”。
(1) 开始实验时,将阻值为$5Ω$的电阻接入电路,将滑动变阻器的滑片$P$移到最________端。闭合开关,调节滑片$P$使电压表示数到达某一数值,记录这一数值,此时电流表示数如图乙所示,为________$A$。
(2) 接着用阻值为$10Ω$的电阻替换$5Ω$的电阻,然后闭合开关,为保持__________不变,应调节滑动变阻器滑片$P$的位置,调节过程中眼睛应注视________(填“电流表”“电压表”或“滑动变阻器”)。
(3) 用阻值为$15Ω$的电阻替换$10Ω$的电阻,重复步骤(2)。
(4) 实验得到的三组数据如表所示,由此可得:当导体两端的电压一定时,通过导体的电流与导体的电阻成________

(1) 开始实验时,将阻值为$5Ω$的电阻接入电路,将滑动变阻器的滑片$P$移到最________端。闭合开关,调节滑片$P$使电压表示数到达某一数值,记录这一数值,此时电流表示数如图乙所示,为________$A$。
(2) 接着用阻值为$10Ω$的电阻替换$5Ω$的电阻,然后闭合开关,为保持__________不变,应调节滑动变阻器滑片$P$的位置,调节过程中眼睛应注视________(填“电流表”“电压表”或“滑动变阻器”)。
(3) 用阻值为$15Ω$的电阻替换$10Ω$的电阻,重复步骤(2)。
(4) 实验得到的三组数据如表所示,由此可得:当导体两端的电压一定时,通过导体的电流与导体的电阻成________
答案:
(1)右;0.4
(2)电压;电压表
(4)反比
(1)右;0.4
(2)电压;电压表
(4)反比
查看更多完整答案,请扫码查看