第77页
- 第1页
- 第2页
- 第3页
- 第4页
- 第5页
- 第6页
- 第7页
- 第8页
- 第9页
- 第10页
- 第11页
- 第12页
- 第13页
- 第14页
- 第15页
- 第16页
- 第17页
- 第18页
- 第19页
- 第20页
- 第21页
- 第22页
- 第23页
- 第24页
- 第25页
- 第26页
- 第27页
- 第28页
- 第29页
- 第30页
- 第31页
- 第32页
- 第33页
- 第34页
- 第35页
- 第36页
- 第37页
- 第38页
- 第39页
- 第40页
- 第41页
- 第42页
- 第43页
- 第44页
- 第45页
- 第46页
- 第47页
- 第48页
- 第49页
- 第50页
- 第51页
- 第52页
- 第53页
- 第54页
- 第55页
- 第56页
- 第57页
- 第58页
- 第59页
- 第60页
- 第61页
- 第62页
- 第63页
- 第64页
- 第65页
- 第66页
- 第67页
- 第68页
- 第69页
- 第70页
- 第71页
- 第72页
- 第73页
- 第74页
- 第75页
- 第76页
- 第77页
- 第78页
- 第79页
- 第80页
- 第81页
- 第82页
- 第83页
- 第84页
- 第85页
- 第86页
- 第87页
- 第88页
- 第89页
- 第90页
- 第91页
- 第92页
- 第93页
- 第94页
- 第95页
- 第96页
- 第97页
- 第98页
- 第99页
- 第100页
- 第101页
- 第102页
- 第103页
- 第104页
- 第105页
- 第106页
- 第107页
- 第108页
- 第109页
- 第110页
- 第111页
- 第112页
- 第113页
- 第114页
- 第115页
- 第116页
- 第117页
- 第118页
- 第119页
- 第120页
- 第121页
- 第122页
- 第123页
- 第124页
5. [2023.河南改编]某物理实践小组设计了一种工程上的压力测量装置,其原理如图甲所示,电路中电源电压恒为6V,定值电阻R₀为20Ω,电压表的量程为0~3V,轻质绝缘的压力检测板M与力敏电阻R相连,R的阻值与压力F的关系如图乙所示。闭合开关后,则:
(1)当检测板M所受压力增大时,电压表的示数________(填“增大”“减小”或“不变”)。
(2)当检测板M不受压力时,电压表的示数为________。
(3)该装置所能测量的最大压力为____________。
(4)在不改变电源电压和电压表量程的情况下,要提高该装置所能测量的最大压力,可行的方法是______________________________。
(1)当检测板M所受压力增大时,电压表的示数________(填“增大”“减小”或“不变”)。
(2)当检测板M不受压力时,电压表的示数为________。
(3)该装置所能测量的最大压力为____________。
(4)在不改变电源电压和电压表量程的情况下,要提高该装置所能测量的最大压力,可行的方法是______________________________。
答案:
(1)增大
(2)1.2V
(3)600N
(4)减小R₀的阻值
[点拨]
(1)由题图甲可知,闭合开关后,R与R₀串联,电压表测R₀两端的电压。由题图乙可知,当检测板所受压力F增大时,R的阻值减小,根据分压原理可知,R₀两端的电压增大,即电压表示数增大。
(2)由题图乙可知,当检测板不受压力时,R = 80Ω,电路中的总电阻R总 = R + R₀ = 80Ω + 20Ω = 100Ω,此时电路中的电流I = $\frac{U}{R总}$ = $\frac{6V}{100Ω}$ = 0.06A,由I = $\frac{U}{R}$可知,R₀两端的电压U₀ = IR₀ = 0.06A×20Ω = 1.2V。
(3)根据电压表量程可知,R₀两端的最大电压U₀max = 3V,电路中的最大电流I₀max = $\frac{U₀max}{R₀}$ = $\frac{3V}{20Ω}$ = 0.15A,由I = $\frac{U}{R}$可知,电路中的最小总电阻R总min = $\frac{U}{I₀max}$ = $\frac{6V}{0.15A}$ = 40Ω,R的最小阻值Rmin = R总min - R₀ = 40Ω - 20Ω = 20Ω,由题图乙可知,该装置所能测量的最大压力为600N。
(4)压力越大,R的阻值越小,由于R₀两端的最大电压一定,电源电压不变,则R两端的最小电压也不变,由串联电路的分压原理可知,要提高该装置所能测量的最大压力,可以减小R₀的阻值。
(1)增大
(2)1.2V
(3)600N
(4)减小R₀的阻值
[点拨]
(1)由题图甲可知,闭合开关后,R与R₀串联,电压表测R₀两端的电压。由题图乙可知,当检测板所受压力F增大时,R的阻值减小,根据分压原理可知,R₀两端的电压增大,即电压表示数增大。
(2)由题图乙可知,当检测板不受压力时,R = 80Ω,电路中的总电阻R总 = R + R₀ = 80Ω + 20Ω = 100Ω,此时电路中的电流I = $\frac{U}{R总}$ = $\frac{6V}{100Ω}$ = 0.06A,由I = $\frac{U}{R}$可知,R₀两端的电压U₀ = IR₀ = 0.06A×20Ω = 1.2V。
(3)根据电压表量程可知,R₀两端的最大电压U₀max = 3V,电路中的最大电流I₀max = $\frac{U₀max}{R₀}$ = $\frac{3V}{20Ω}$ = 0.15A,由I = $\frac{U}{R}$可知,电路中的最小总电阻R总min = $\frac{U}{I₀max}$ = $\frac{6V}{0.15A}$ = 40Ω,R的最小阻值Rmin = R总min - R₀ = 40Ω - 20Ω = 20Ω,由题图乙可知,该装置所能测量的最大压力为600N。
(4)压力越大,R的阻值越小,由于R₀两端的最大电压一定,电源电压不变,则R两端的最小电压也不变,由串联电路的分压原理可知,要提高该装置所能测量的最大压力,可以减小R₀的阻值。
6. [2023.启东二模]在实践活动中,小明设计的电子测力计的原理如图所示,其中M、N均为绝缘材料,M、N间有可收缩的导线,弹簧上端和滑动变阻器R₂的滑片P固定在一起,电源电压恒定,R₀为定值电阻,压力F与R₂连入电路的阻值大小成正比。闭合开关S,电压表
示数U或电流表示数I随压力F变化的图像可能正确的是 ( )
示数U或电流表示数I随压力F变化的图像可能正确的是 ( )
答案:
C [点拨]闭合开关S,R₁与R₂串联,电压表测R₂两端电压,电流表测电路中电流。压力F与R₂连入电路的阻值大小成正比,设F = kR₂,即R₂ = $\frac{F}{k}$。根据串联电路分压原理可得,电压表示数U = $\frac{UR₂}{R₁ + R₂}$ = $\frac{U}{R₁ + \frac{F}{k}}$×$\frac{F}{k}$ = $\frac{U}{R₁ + \frac{k}{F}}$×$\frac{F}{k}$。分析函数关系可知电压表示数U随压力F的增大而增大,但不是线性函数关系,而且无论F怎么增大,只能无限贴近电源电压,因而图像是随着F增大,U的增大速度越来越慢最后贴近电源电压的,故A、B错误。串联电路总电阻等于各部分电阻之和,根据欧姆定律可得通过电路的电流I = $\frac{U}{R₁ + R₂}$ = $\frac{U}{R₁ + \frac{F}{k}}$,分析函数关系可知通过电路的电流I随压力F的增大而减小,但不是线性函数关系,故C正确,D错误。
7. [2023.无锡模拟]小丽设计了如图所示的简易电子距离测量仪,R是一根粗细均匀的电阻丝,其每厘米的电阻为0.5Ω,电路各部分均接触良好。物体M只能在导轨上做直线运动,并带动与之相连的金属滑片P移动,电压表示数可反映物体M移动的距离。开始测量前,将金属滑片P置于电阻丝中点,闭合开关,此时电压表和电流表示数分别为1.5V 和0.2A。由此可知 ( )
A. 电阻丝的总电阻为7.5Ω
B. 当电压表示数为2V时,物体M向左移动了10cm
C. 当电压表示数为1V时,物体M向左移动了5cm
D. 若开始测量前,将金属滑片P置于电阻丝某端点,可测量的最大距离为30cm
A. 电阻丝的总电阻为7.5Ω
B. 当电压表示数为2V时,物体M向左移动了10cm
C. 当电压表示数为1V时,物体M向左移动了5cm
D. 若开始测量前,将金属滑片P置于电阻丝某端点,可测量的最大距离为30cm
答案:
D [点拨]闭合开关,电路为电阻丝R的简单电路,电流表测电路中的电流,电压表测滑片右侧电阻丝两端的电压。金属滑片P置于电阻丝中点时,由欧姆定律可得,被测电阻丝的电阻R中 = $\frac{U}{I}$ = $\frac{1.5V}{0.2A}$ = 7.5Ω,则电阻丝的总电阻R = 2R中 = 2×7.5Ω = 15Ω,故A错误。电阻丝的长度L = $\frac{15Ω}{0.5Ω/cm}$ = 30cm,所以若开始测量前,将金属滑片P置于电阻丝某端点,可测量的最大距离为30cm,故D正确。当电压表示数为2V时,与电压表并联的电阻丝的电阻R' = $\frac{U}{I}$ = $\frac{2V}{0.2A}$ = 10Ω,与电压表并联的电阻丝的长度L' = $\frac{10Ω}{0.5Ω/cm}$ = 20cm,物体M向左移动的距离△L = L' - $\frac{1}{2}$L = 20cm - 15cm = 5cm,故B错误。当电压表示数为1V时,与电压表并联的电阻丝的电阻R" = $\frac{U"}{I}$ = $\frac{1V}{0.2A}$ = 5Ω,与电压表并联的电阻丝的长度L" = $\frac{5Ω}{0.5Ω/cm}$ = 10cm,物体M向右移动的距离△L = $\frac{1}{2}$L - L" = 15cm - 10cm = 5cm,故C错误。
8. [2023.海口模拟]海南水利资源丰富,小明设计了如图甲所示的水文站测量昌化江水位的电路。电源电压U = 3V,定值电阻R₀ = 10Ω,滑动变阻器R长20cm,最大阻值为20Ω,滑动变阻器的阻值在滑片P从C端移动到D端的过程中均匀变化(滑片P移动过程中摩擦不计)。弹簧下端悬挂一重力为50N的物体,其底面积为0.01m²,高为0.3m。弹簧受到的拉力与弹簧伸长量的关系如图乙所示(不计弹簧质量,连接弹簧两端的绝缘细绳不可伸长)。闭合开关S,当物体上表面与水面相平时,滑片P刚好在滑动变阻器R的C端。g取10N/kg,ρ水 = 1×10³kg/m³。求:
(1)当物体底面朝下放置在水平桌面上时,对桌面产生的压强大小。
(2)当物体上表面与水面相平时,物体受到的浮力大小。
(3)当水面从物体上表面下降至电压表示数为1.5V时,滑动变阻器R连入电路的阻值大小。
(4)水面从物体上表面下降至下表面刚好离开水面的过程中,弹簧长度的变化量。
(1)当物体底面朝下放置在水平桌面上时,对桌面产生的压强大小。
(2)当物体上表面与水面相平时,物体受到的浮力大小。
(3)当水面从物体上表面下降至电压表示数为1.5V时,滑动变阻器R连入电路的阻值大小。
(4)水面从物体上表面下降至下表面刚好离开水面的过程中,弹簧长度的变化量。
答案:
[解]
(1)当物体底面朝下放置在水平桌面上时,由二力平衡和力的相互作用可知,物体对桌面的压力F = G = 50N,压强p = $\frac{F}{S}$ = $\frac{50N}{0.01m²}$ = 5×10³Pa。
(2)当物体上表面与水面相平时,物体刚好浸没,物体排开水的体积V排 = V = Sh = 0.01m²×0.3m = 3×10⁻³m³,物体受到的浮力F浮 = G排 = ρ水gV排 = 1×10³kg/m³×10N/kg×3×10⁻³m³ = 30N。
(3)当水面从物体上表面下降至电压表示数为1.5V时,R₀两端的电压U₀ = U - U = 3V - 1.5V = 1.5V,根据串联电路的分压原理可知,滑动变阻器R连入电路的阻值R = $\frac{U}{U₀}$R₀ = $\frac{1.5V}{1.5V}$×10Ω = 10Ω。
(4)水面与物体上表面相平时,弹簧对物体的拉力F拉物 = G物 - F浮 = 50N - 30N = 20N,弹簧受到的拉力与弹簧对物体的拉力是一对相互作用力,所以弹簧受到的拉力F拉 = F拉物 = 20N;水面下降至与物体下表面相平时,弹簧对物体的拉力F拉物' = G = 50N,弹簧受到的拉力F拉' = F拉物' = 50N。由题图乙可知,$\frac{F}{△L}$ = $\frac{40N}{20cm}$ = 2N/cm,所以当弹簧受到的拉力F拉 = 20N时,弹簧伸长量△L₁ = $\frac{20N}{2N/cm}$ = 10cm;当弹簧受到的拉力F拉' = 50N时,弹簧伸长量△L₂ = $\frac{50N}{2N/cm}$ = 25cm,故弹簧长度的变化量为△L₂ - △L₁ = 25cm - 10cm = 15cm。
(1)当物体底面朝下放置在水平桌面上时,由二力平衡和力的相互作用可知,物体对桌面的压力F = G = 50N,压强p = $\frac{F}{S}$ = $\frac{50N}{0.01m²}$ = 5×10³Pa。
(2)当物体上表面与水面相平时,物体刚好浸没,物体排开水的体积V排 = V = Sh = 0.01m²×0.3m = 3×10⁻³m³,物体受到的浮力F浮 = G排 = ρ水gV排 = 1×10³kg/m³×10N/kg×3×10⁻³m³ = 30N。
(3)当水面从物体上表面下降至电压表示数为1.5V时,R₀两端的电压U₀ = U - U = 3V - 1.5V = 1.5V,根据串联电路的分压原理可知,滑动变阻器R连入电路的阻值R = $\frac{U}{U₀}$R₀ = $\frac{1.5V}{1.5V}$×10Ω = 10Ω。
(4)水面与物体上表面相平时,弹簧对物体的拉力F拉物 = G物 - F浮 = 50N - 30N = 20N,弹簧受到的拉力与弹簧对物体的拉力是一对相互作用力,所以弹簧受到的拉力F拉 = F拉物 = 20N;水面下降至与物体下表面相平时,弹簧对物体的拉力F拉物' = G = 50N,弹簧受到的拉力F拉' = F拉物' = 50N。由题图乙可知,$\frac{F}{△L}$ = $\frac{40N}{20cm}$ = 2N/cm,所以当弹簧受到的拉力F拉 = 20N时,弹簧伸长量△L₁ = $\frac{20N}{2N/cm}$ = 10cm;当弹簧受到的拉力F拉' = 50N时,弹簧伸长量△L₂ = $\frac{50N}{2N/cm}$ = 25cm,故弹簧长度的变化量为△L₂ - △L₁ = 25cm - 10cm = 15cm。
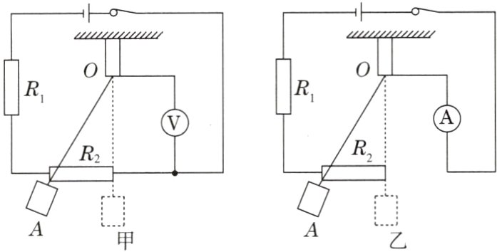
9. 如图所示的两个方案是某课外实践活动小组设计的风力测量仪的电路,电源电压U = 15 V,电压表的量程是0~15V,电流表的量程是0~3A,电阻R = 10Ω,均匀电阻丝R₂ = 20Ω,金属丝(电阻忽略不计)的上端固定在O点,下端系有一块塑料片A,当风从右向左吹动塑料片时,金属丝向左摆动并与电阻丝始终保持良好的接触。风力最强时,金属丝均能滑至电阻丝的最左端;无风时,金属丝自然垂至电阻丝的最右端。
(1)分别计算两种方案中电表的示数变化范围。
(2)分析说明甲、乙两种方案中的电表盘上的刻度是否均匀。
(1)分别计算两种方案中电表的示数变化范围。
(2)分析说明甲、乙两种方案中的电表盘上的刻度是否均匀。
答案:
[解]
(1)甲方案中:R与R₀串联,电压表测R右侧部分的电压。无风时,塑料片竖直下垂,电压表示数为0;风力最强时,金属丝滑至电阻丝的最左端,由串联电路分压原理可得,电压表的最大示数Umax = $\frac{R₀}{R + R₀}$U = $\frac{20Ω}{100Ω + 20Ω}$×15V = 10V。乙方案中:无风时,两电阻串联,此时总电阻最大,电流表的最小示数Imin = $\frac{U}{R + R₀}$ = $\frac{15V}{10Ω + 20Ω}$ = 0.5A;风力最强时,电路为R的简单电路,电流表的最大示数Imax = $\frac{U}{R}$ = $\frac{15V}{10Ω}$ = 1.5A。所以,甲方案中电压表示数变化范围是0~10V,乙方案中电流表示数变化范围是0.5~1.5A。
(2)甲方案中:R与R₀串联且电路总电阻不变,所以电路中的电流不变,根据欧姆定律可知,在电流一定的情况下,R右侧部分的电压与电阻成正比,所以电表盘上的刻度是均匀的。乙方案中:R与R₀的接入部分串联,电路中的电流I = $\frac{U}{R + R₀}$,在U和R₀一定的情况下,电流I与R不成正比也不成反比,所以电表盘上的刻度是不均匀的。
(1)甲方案中:R与R₀串联,电压表测R右侧部分的电压。无风时,塑料片竖直下垂,电压表示数为0;风力最强时,金属丝滑至电阻丝的最左端,由串联电路分压原理可得,电压表的最大示数Umax = $\frac{R₀}{R + R₀}$U = $\frac{20Ω}{100Ω + 20Ω}$×15V = 10V。乙方案中:无风时,两电阻串联,此时总电阻最大,电流表的最小示数Imin = $\frac{U}{R + R₀}$ = $\frac{15V}{10Ω + 20Ω}$ = 0.5A;风力最强时,电路为R的简单电路,电流表的最大示数Imax = $\frac{U}{R}$ = $\frac{15V}{10Ω}$ = 1.5A。所以,甲方案中电压表示数变化范围是0~10V,乙方案中电流表示数变化范围是0.5~1.5A。
(2)甲方案中:R与R₀串联且电路总电阻不变,所以电路中的电流不变,根据欧姆定律可知,在电流一定的情况下,R右侧部分的电压与电阻成正比,所以电表盘上的刻度是均匀的。乙方案中:R与R₀的接入部分串联,电路中的电流I = $\frac{U}{R + R₀}$,在U和R₀一定的情况下,电流I与R不成正比也不成反比,所以电表盘上的刻度是不均匀的。
查看更多完整答案,请扫码查看