第122页
- 第1页
- 第2页
- 第3页
- 第4页
- 第5页
- 第6页
- 第7页
- 第8页
- 第9页
- 第10页
- 第11页
- 第12页
- 第13页
- 第14页
- 第15页
- 第16页
- 第17页
- 第18页
- 第19页
- 第20页
- 第21页
- 第22页
- 第23页
- 第24页
- 第25页
- 第26页
- 第27页
- 第28页
- 第29页
- 第30页
- 第31页
- 第32页
- 第33页
- 第34页
- 第35页
- 第36页
- 第37页
- 第38页
- 第39页
- 第40页
- 第41页
- 第42页
- 第43页
- 第44页
- 第45页
- 第46页
- 第47页
- 第48页
- 第49页
- 第50页
- 第51页
- 第52页
- 第53页
- 第54页
- 第55页
- 第56页
- 第57页
- 第58页
- 第59页
- 第60页
- 第61页
- 第62页
- 第63页
- 第64页
- 第65页
- 第66页
- 第67页
- 第68页
- 第69页
- 第70页
- 第71页
- 第72页
- 第73页
- 第74页
- 第75页
- 第76页
- 第77页
- 第78页
- 第79页
- 第80页
- 第81页
- 第82页
- 第83页
- 第84页
- 第85页
- 第86页
- 第87页
- 第88页
- 第89页
- 第90页
- 第91页
- 第92页
- 第93页
- 第94页
- 第95页
- 第96页
- 第97页
- 第98页
- 第99页
- 第100页
- 第101页
- 第102页
- 第103页
- 第104页
- 第105页
- 第106页
- 第107页
- 第108页
- 第109页
- 第110页
- 第111页
- 第112页
- 第113页
- 第114页
- 第115页
- 第116页
- 第117页
- 第118页
- 第119页
- 第120页
- 第121页
- 第122页
- 第123页
- 第124页
6. [2023.陕西A卷]小明设计了一个电梯自动报警模拟装置,如图甲所示。在控制电路中,电源电压为12V,R1为滑动变阻器,R2为压敏电阻,R2的阻值大小随压力F变化的关系图像如图乙所示。闭合开关S和S2,当压敏电阻受到的压力达到4000N时,电磁铁线圈中的电流为0.1A,此时衔铁被吸下,动触点K 与触点A断开,同时与触点B接触,电动机停止工作,报警铃声开始响起。电磁铁线圈的电阻忽略不计。下列说法正确的是 ( )
A. S闭合时,电磁铁的上端为N极
B. 压敏电阻受到的压力越大,控制电路中的电流越小
C. 当电梯自动报警铃声开始响起时,R的功率为0.4W
D. 若控制电路电源电压降低,要保证电梯最大载重不变,应将R1的滑片P向左移
A. S闭合时,电磁铁的上端为N极
B. 压敏电阻受到的压力越大,控制电路中的电流越小
C. 当电梯自动报警铃声开始响起时,R的功率为0.4W
D. 若控制电路电源电压降低,要保证电梯最大载重不变,应将R1的滑片P向左移
答案:
D [点拨]由安培定则可知,当开关S闭合时,电磁铁下端为N极,故A错误;控制电路中,两电阻串联接入电路,由题图乙可知压敏电阻的阻值随压力的增大而减小,因串联电路总电阻等于各部分电阻之和,所以压敏电阻受到的压力越大,电路总电阻越小,控制电路中的电流越大,故B错误;当压敏电阻受到的压力达到4000N时,电磁铁线圈中的电流为0.1A,此时自动报警铃声开始响起,根据欧姆定律可得,此时电路总电阻R = $\frac{U}{I}$ = $\frac{12V}{0.1A}$ = 120Ω,由题图乙可知此时压敏电阻的阻值R₂ = 40Ω,滑动变阻器接入电路的阻值R₁ = R - R₂ = 120Ω - 40Ω = 80Ω,所以R₁的功率P = I²R₁ = (0.1A)²×80Ω = 0.8W,故C错误;要保证电梯最大载重不变,即通过控制电路的电流不变,因控制电路电源电压降低,根据欧姆定律可知,需减小电路总电阻,所以应减小滑动变阻器接入电路的阻值,将R₁的滑片P向左移,故D正确。
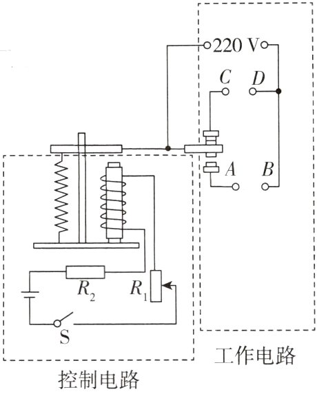
7. 人员密集的室内场所中二氧化碳含量偏高,对人体会产生不利影响。研究小组设计了如图所示的电路,R2为气敏电阻,其阻值随CO2 气体浓度的增大而减小,当室内CO2气体含量升高到一定浓度时,工作电路中的排风扇开始工作,把室内气体排出。回答下列问题。
(1) 设计电路时要实现自动换气功能,排风扇应连接在工作电路中的______两接线柱之间。
(2) 要使排风扇在二氧化碳浓度更低时就能开始工作,可以________(填字母序号)。
A. 增加电磁铁的线圈匝数
B. 在控制电路中再串联一个电阻
C. 把滑动变阻器R的滑片向上移
(1) 设计电路时要实现自动换气功能,排风扇应连接在工作电路中的______两接线柱之间。
(2) 要使排风扇在二氧化碳浓度更低时就能开始工作,可以________(填字母序号)。
A. 增加电磁铁的线圈匝数
B. 在控制电路中再串联一个电阻
C. 把滑动变阻器R的滑片向上移
答案:
(1)A、B
(2)A、C [点拨]
(1)控制电路中,两电阻串联,当室内CO气体含量升高时,气敏电阻R₂接入电路的阻值变小,电路总电阻变小,电路的电流变大,电磁铁的磁性增强。当升高到一定浓度,电磁铁吸引衔铁,动触点与下触点接触,所以排风扇应连接在A、B两接线柱之间。
(2)要使排风扇在二氧化碳浓度更低时工作,此时气敏电阻接入电路的电阻较大,电路的电流较小,电磁铁的磁性较小,为使电磁铁的磁性增强,吸引衔铁,可增加电磁铁线圈匝数,故A可行;在控制电路中再串联一个电阻,会使电路的电流变小,电磁铁的磁性更小,无法吸引衔铁,故B不可行;把滑动变阻器R₁的滑片向上移,滑动变阻器接入电路的电阻变小,电路总电阻变小,电路的电流变大,电磁铁的磁性增强,吸引衔铁,故C可行。
(1)A、B
(2)A、C [点拨]
(1)控制电路中,两电阻串联,当室内CO气体含量升高时,气敏电阻R₂接入电路的阻值变小,电路总电阻变小,电路的电流变大,电磁铁的磁性增强。当升高到一定浓度,电磁铁吸引衔铁,动触点与下触点接触,所以排风扇应连接在A、B两接线柱之间。
(2)要使排风扇在二氧化碳浓度更低时工作,此时气敏电阻接入电路的电阻较大,电路的电流较小,电磁铁的磁性较小,为使电磁铁的磁性增强,吸引衔铁,可增加电磁铁线圈匝数,故A可行;在控制电路中再串联一个电阻,会使电路的电流变小,电磁铁的磁性更小,无法吸引衔铁,故B不可行;把滑动变阻器R₁的滑片向上移,滑动变阻器接入电路的电阻变小,电路总电阻变小,电路的电流变大,电磁铁的磁性增强,吸引衔铁,故C可行。
8. 科学推理[2023.攀枝花,多选]为了应对即将到来的汛期,某课外兴趣小组设计了一个检测水库水位的装置,其原理如图所示。L为安全指示灯,电铃为报警器,R为定值电阻,R2 为竖直放置、粗细均匀且足够长的电阻棒,滑片P可以在电阻棒上自由滑动,并与浮子用竖直的绝缘杆连接,可随着浮子的上下移动而改变电阻棒R2接入电路的阻值,所以电流表的示数能反映水位的高低。当滑片P指向R2的中点时,水位达到警戒值,电磁铁吸下衔铁,电铃报警。则该装置正常工作时 ( )

A. 电磁铁的上端为N极
B. 水位较低时,电磁铁的磁性较弱
C. 若减小R的阻值,警戒水位会变高
D. 电流表示数越大,水位越高
A. 电磁铁的上端为N极
B. 水位较低时,电磁铁的磁性较弱
C. 若减小R的阻值,警戒水位会变高
D. 电流表示数越大,水位越高
答案:
B、D [点拨]根据安培定则可知,电磁铁上端为S极,故A错误;由题图可知,R₁、R₂、电磁铁、电流表串联接入电路,水位较低时,R₂接入电路的阻值较大,电路中总电阻较大,电路中电流较小,电磁铁磁性较弱,故B正确;若减小R₁的阻值,由于报警电流不变,则报警时R₂接入电路的阻值变大,由此可知警戒水位变低,故C错误;电流表示数越大,R₂接入电路的阻值越小,滑片P向上移,由此可知水位变高,故D正确。
查看更多完整答案,请扫码查看