第70页
- 第1页
- 第2页
- 第3页
- 第4页
- 第5页
- 第6页
- 第7页
- 第8页
- 第9页
- 第10页
- 第11页
- 第12页
- 第13页
- 第14页
- 第15页
- 第16页
- 第17页
- 第18页
- 第19页
- 第20页
- 第21页
- 第22页
- 第23页
- 第24页
- 第25页
- 第26页
- 第27页
- 第28页
- 第29页
- 第30页
- 第31页
- 第32页
- 第33页
- 第34页
- 第35页
- 第36页
- 第37页
- 第38页
- 第39页
- 第40页
- 第41页
- 第42页
- 第43页
- 第44页
- 第45页
- 第46页
- 第47页
- 第48页
- 第49页
- 第50页
- 第51页
- 第52页
- 第53页
- 第54页
- 第55页
- 第56页
- 第57页
- 第58页
- 第59页
- 第60页
- 第61页
- 第62页
- 第63页
- 第64页
- 第65页
- 第66页
- 第67页
- 第68页
- 第69页
- 第70页
- 第71页
- 第72页
- 第73页
- 第74页
- 第75页
- 第76页
- 第77页
- 第78页
- 第79页
- 第80页
- 第81页
- 第82页
- 第83页
- 第84页
- 第85页
- 第86页
- 第87页
- 第88页
- 第89页
- 第90页
- 第91页
- 第92页
- 第93页
- 第94页
- 第95页
- 第96页
- 第97页
- 第98页
- 第99页
- 第100页
- 第101页
- 第102页
- 第103页
- 第104页
- 第105页
- 第106页
- 第107页
- 第108页
- 第109页
- 第110页
- 第111页
- 第112页
- 第113页
- 第114页
- 第115页
- 第116页
- 第117页
- 第118页
- 第119页
- 第120页
- 第121页
- 第122页
- 第123页
- 第124页
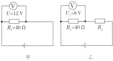
1. (原创题)如图所示的电路中,闭合S、S₁,电压表示数为12V;闭合S,断开S₁,电压表的示数为8V。已知电阻R₁为40Ω,电源电压保持不变。
(1)请在虚线框内画出两种状态下的等效电路图,并在电路图中标明已知量。

(2)电源电压为________。
(3)电阻R₂的阻值为________。

(1)请在虚线框内画出两种状态下的等效电路图,并在电路图中标明已知量。
(2)电源电压为________。
(3)电阻R₂的阻值为________。
答案:
(1)如图甲、乙所示。

(2)12V
(3)20Ω [点拨]
(1)闭合S₁、S₂,电路为R₁的简单电路,电压表测电源电压;闭合S₁,断开S₂,R₁与R₂串联,电压表测R₁两端的电压。
(2)闭合S₁、S₂,电路为R₁的简单电路,电压表测电源电压,则电源电压U = 12V。
(3)闭合S₁,断开S₂,R₁与R₂串联,R₂两端的电压U₂ = U - U₁ = 12V - 8V = 4V,由串联分压可知,R₁:R₂ = U₁:U₂ = 8V:4V = 2:1,所以R₂ = $\frac{1}{2}$R₁ = $\frac{1}{2}$×40Ω = 20Ω。
(1)如图甲、乙所示。
(2)12V
(3)20Ω [点拨]
(1)闭合S₁、S₂,电路为R₁的简单电路,电压表测电源电压;闭合S₁,断开S₂,R₁与R₂串联,电压表测R₁两端的电压。
(2)闭合S₁、S₂,电路为R₁的简单电路,电压表测电源电压,则电源电压U = 12V。
(3)闭合S₁,断开S₂,R₁与R₂串联,R₂两端的电压U₂ = U - U₁ = 12V - 8V = 4V,由串联分压可知,R₁:R₂ = U₁:U₂ = 8V:4V = 2:1,所以R₂ = $\frac{1}{2}$R₁ = $\frac{1}{2}$×40Ω = 20Ω。
2. 在如图所示的电路中,电源电压不变,R₂ = 30Ω。当S断开时,电流表的示数为0.2A;当S闭合时,电流表的示数为0.5A。则R₁为________Ω,电源电压为________V。

答案:
20;10 [点拨]当S断开时,两电阻串联,电流表测电路中的电流,因串联电路中总电阻等于各分电阻之和,所以,电源电压U = I₁(R₁ + R₂) = 0.2A×(R₁ + 30Ω)①;当S闭合时,电路为R₁的简单电路,电流表测电路中的电流,则电源电压U = I₂R₁ = 0.5A×R₁②。联立①②解得R₁ = 20Ω,U = 10V。
3. 如图所示电路中,电源电压恒定,R₁ = 10Ω。当闭合S和S₁时,电流表示数为0.5A;再断开S₁时,电流表示数为0.3A。则电源电压为________,R₂的电阻为________。

答案:
3V;15Ω [点拨]闭合S₁、S₂时,两电阻并联,电流表测干路电流;再断开S₂时,电路为R₁的简单电路,电流表测通过R₁的电流。因并联电路中各支路独立工作、互不影响,所以通过R₁的电流不变,I₁ = 0.3A;因并联电路中干路电流等于各支路电流之和,所以通过R₂的电流I₂ = I - I₁ = 0.5A - 0.3A = 0.2A。因并联电路中各支路两端的电压相等,所以,电源电压U = I₁R₁ = 0.3A×10Ω = 3V,R₂ = $\frac{U}{I₂}$ = $\frac{3V}{0.2A}$ = 15Ω。
4. 如图所示电路中,电源电压恒定,R₁ = 30Ω,R₂ = 60Ω。当S、S₁都闭合时,电流表A₁的示数为0.1A。则电源电压为________,电流表A的示数为________。

答案:
3V;0.15A [点拨]当S₁、S₂都闭合时,R₁、R₂并联,电流表A₁测量通过R₁的电流,电流表A测量干路电流。因并联电路中各支路两端电压相等,所以电源电压U = U₂ = U₁ = I₁R₁ = 0.1A×30Ω = 3V。通过R₂的电流I₂ = $\frac{U}{R₂}$ = $\frac{3V}{60Ω}$ = 0.05A,因并联电路中干路电流等于各支路电流之和,所以电流表A的示数I = I₁ + I₂ = 0.1A + 0.05A = 0.15A。
5. [2023.贵阳三模改编]在如图所示的电路中,定值电阻R₁和滑动变阻器R₂连接在电路中。
闭合开关,当滑片移到最左端时,电压表示数为3V,电流表示数为0.3A;当滑片移到最右端时,电流表示数为0.2A。则电源电压为________,R₁的阻值为________,滑片移到最右端时电压表示数为________。
闭合开关,当滑片移到最左端时,电压表示数为3V,电流表示数为0.3A;当滑片移到最右端时,电流表示数为0.2A。则电源电压为________,R₁的阻值为________,滑片移到最右端时电压表示数为________。
答案:
3V;10Ω;2V [点拨]闭合开关,两电阻串联接入电路,电压表测定值电阻R₁两端的电压,电流表测量电路中的电流。当滑片移到最左端时,滑动变阻器接入电路的电阻为零,此时电路为定值电阻R₁的简单电路,定值电阻R₁两端的电压等于电源电压,电压表的示数为3V,则电源电压为3V。根据欧姆定律可得,R₁ = $\frac{U}{I}$ = $\frac{3V}{0.3A}$ = 10Ω。当滑片移到最右端时,电流表示数为0.2A,根据串联电路的电流规律和欧姆定律可得,电压表的示数U₁' = IR₁ = 0.2A×10Ω = 2V。
6. [2023.嘉兴模拟]如图所示的电路中,电源电压保持不变。当开关S₁、S₂都闭合时,电流表的示数为0.5A,电压表的示数为6V;将电压表、电流表的位置互换,当开关S₁断开、S₂闭合时,电流表的示数为0.3A。则( )

A. R₁ = 8Ω
B. R₂ = 8Ω
C. R₁ = 20Ω
D. R₂ = 20Ω
A. R₁ = 8Ω
B. R₂ = 8Ω
C. R₁ = 20Ω
D. R₂ = 20Ω
答案:
B [点拨]当开关S₁、S₂都闭合时,两电阻并联,电压表测量电源电压,电流表测量通过R₁的电流。由欧姆定律可得,R₁ = $\frac{U}{I₁}$ = $\frac{6V}{0.5A}$ = 12Ω。将电压表、电流表的位置互换,当开关S₁断开、S₂闭合时,两电阻串联,由欧姆定律可得,电路总电阻R = $\frac{U}{I}$ = $\frac{6V}{0.3A}$ = 20Ω,根据串联电路的总电阻等于各电阻之和可知,R₂ = R - R₁ = 20Ω - 12Ω = 8Ω。
查看更多完整答案,请扫码查看