第83页
- 第1页
- 第2页
- 第3页
- 第4页
- 第5页
- 第6页
- 第7页
- 第8页
- 第9页
- 第10页
- 第11页
- 第12页
- 第13页
- 第14页
- 第15页
- 第16页
- 第17页
- 第18页
- 第19页
- 第20页
- 第21页
- 第22页
- 第23页
- 第24页
- 第25页
- 第26页
- 第27页
- 第28页
- 第29页
- 第30页
- 第31页
- 第32页
- 第33页
- 第34页
- 第35页
- 第36页
- 第37页
- 第38页
- 第39页
- 第40页
- 第41页
- 第42页
- 第43页
- 第44页
- 第45页
- 第46页
- 第47页
- 第48页
- 第49页
- 第50页
- 第51页
- 第52页
- 第53页
- 第54页
- 第55页
- 第56页
- 第57页
- 第58页
- 第59页
- 第60页
- 第61页
- 第62页
- 第63页
- 第64页
- 第65页
- 第66页
- 第67页
- 第68页
- 第69页
- 第70页
- 第71页
- 第72页
- 第73页
- 第74页
- 第75页
- 第76页
- 第77页
- 第78页
- 第79页
- 第80页
- 第81页
- 第82页
- 第83页
- 第84页
- 第85页
- 第86页
- 第87页
- 第88页
- 第89页
- 第90页
- 第91页
- 第92页
- 第93页
- 第94页
- 第95页
- 第96页
- 第97页
- 第98页
- 第99页
- 第100页
- 第101页
- 第102页
- 第103页
- 第104页
- 第105页
- 第106页
- 第107页
- 第108页
- 第109页
- 第110页
- 第111页
- 第112页
- 第113页
- 第114页
- 第115页
- 第116页
- 第117页
- 第118页
- 第119页
- 第120页
- 第121页
- 第122页
- 第123页
- 第124页
4. [2023.合肥模拟]在某次科技活动中,刘老师给同学们展示一个如图甲所示的黑盒子,绝缘外壳上有A、B、C三个接线柱,盒内电路由两个定值电阻连接而成。小海同学想知道盒内电阻的连接情况,但实验室的电压表指针无法调零,只能得到电压的变化量。于是小海设计了如图乙所示的电路来研究,已知电源电压恒定不变,R₀是阻值为3Ω的定值电阻,R₁是滑动变阻器。小海进行了如下的实验操作:
(1) 把B、C两个接线柱分别接M、N,只闭合开关S,将R₁的滑片移至最左端时,电流表示数为0.6A;再闭合开关S₁,电压表的示数变化了1.8V,电路的电流变化了0.6A。则电源电压为________。
(2) 把A、C两个接线柱分别接M、N,然后将电压表改接在R₁的两端。只闭合开关S,将R₁的滑片从最右端移至最左端时,电压表的示数变化了1.2V,电路的电流变化了0.1A。R₁的最大阻值为________,黑盒子AC间的电阻为________。
(1) 把B、C两个接线柱分别接M、N,只闭合开关S,将R₁的滑片移至最左端时,电流表示数为0.6A;再闭合开关S₁,电压表的示数变化了1.8V,电路的电流变化了0.6A。则电源电压为________。
(2) 把A、C两个接线柱分别接M、N,然后将电压表改接在R₁的两端。只闭合开关S,将R₁的滑片从最右端移至最左端时,电压表的示数变化了1.2V,电路的电流变化了0.1A。R₁的最大阻值为________,黑盒子AC间的电阻为________。
答案:
(1)3.6V
(2)6Ω;9Ω
(1)3.6V
(2)6Ω;9Ω
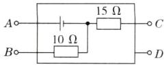
5. 如图所示的盒内是由一个电压为9V的电源、两个定值电阻和若干导线组成的电路。盒内电路分别跟盒外A、B、C、D四个接线柱中的三个接线柱相连,有一个接线柱没有与盒内电路相连。电流表接在AB之间时,其示数为0.9A;电流表接在AC之间时,其示数为0.6A;电流表接在CD、BC、BD之间时,其示数为0。请在图中画出盒内电路的连接情况,并标注出两个电阻的阻值。
答案:
[解]如图所示。
[解]如图所示。
6. 现有下列器材:一个电压为U且保持不变的电源、两个定值电阻R₁和R₂(已知R₁ = 2R₂)、导线若干,它们分别与图中的A、B、C、D的有关接线柱连接。把一个电流表先后接在有关接线柱之间,结果发现:①若把电流表接在接线柱A、D之间,电流表指针偏转到某一位置(设这时的示数为I);②若把电流表改接在接线柱B、C之间,它的示数为$\frac{1}{2}$I;③若把电流表改接在接线柱A、C之间,它的示数为$\frac{1}{3}$I。根据上述测试结果,在方框内画出有关接线柱间电源、电阻、导线的连接情况,并标明R₁、R₂。

答案:
[解]如图所示。
[点拨]由题可知,电流表接在B、C之间时,其示数为接在A、D之间时的一半,则B、C之间的电阻大小为A、D之间电阻大小的2倍,故B、C之间接的是R₁,A、D之间接的是R₂。把电流表改接在接线柱A、C之间时,它的示数为$\frac{1}{3}$I,说明此时R₁与R₂串联。
[解]如图所示。
[点拨]由题可知,电流表接在B、C之间时,其示数为接在A、D之间时的一半,则B、C之间的电阻大小为A、D之间电阻大小的2倍,故B、C之间接的是R₁,A、D之间接的是R₂。把电流表改接在接线柱A、C之间时,它的示数为$\frac{1}{3}$I,说明此时R₁与R₂串联。
7. 现有四节新干电池和四个阻值相同的电阻,导线若干,一个黑盒,盒外的四个接线柱分别为A、B、C、D,选用这些元件装入黑盒内,要求:Uₐb = 2V,Uₐc = 4V,Ubd = 6V,Ucd = 0。Uₐb、Uₐc、Ubd、Ucd分别为接线柱AB、AC、BD、CD两端的电压,画出盒内电路。
答案:
[解]如图所示。
[点拨]每节新干电池的电压是1.5V,四节可组成的电源的电压是1.5V、3V、4.5V、6V。由题意知各接线柱间的最大电压是6V,则电源由四节新干电池组成,电源电压为6V。CD间的电压U_CD = 0,则C、D两个接线柱间既没有电阻,也没有电源。电源电压是6V,各电阻阻值相等,U_AB = 2V,U_AC = 4V,U_BD = 6V,由串联电路的分压原理可推知,电路中有三个电阻串联,AB间接一个电阻,AC间接两个电阻,BD间接电源,CD间由导线连接,黑盒内部为完整电路。
[解]如图所示。
[点拨]每节新干电池的电压是1.5V,四节可组成的电源的电压是1.5V、3V、4.5V、6V。由题意知各接线柱间的最大电压是6V,则电源由四节新干电池组成,电源电压为6V。CD间的电压U_CD = 0,则C、D两个接线柱间既没有电阻,也没有电源。电源电压是6V,各电阻阻值相等,U_AB = 2V,U_AC = 4V,U_BD = 6V,由串联电路的分压原理可推知,电路中有三个电阻串联,AB间接一个电阻,AC间接两个电阻,BD间接电源,CD间由导线连接,黑盒内部为完整电路。
查看更多完整答案,请扫码查看