第119页
- 第1页
- 第2页
- 第3页
- 第4页
- 第5页
- 第6页
- 第7页
- 第8页
- 第9页
- 第10页
- 第11页
- 第12页
- 第13页
- 第14页
- 第15页
- 第16页
- 第17页
- 第18页
- 第19页
- 第20页
- 第21页
- 第22页
- 第23页
- 第24页
- 第25页
- 第26页
- 第27页
- 第28页
- 第29页
- 第30页
- 第31页
- 第32页
- 第33页
- 第34页
- 第35页
- 第36页
- 第37页
- 第38页
- 第39页
- 第40页
- 第41页
- 第42页
- 第43页
- 第44页
- 第45页
- 第46页
- 第47页
- 第48页
- 第49页
- 第50页
- 第51页
- 第52页
- 第53页
- 第54页
- 第55页
- 第56页
- 第57页
- 第58页
- 第59页
- 第60页
- 第61页
- 第62页
- 第63页
- 第64页
- 第65页
- 第66页
- 第67页
- 第68页
- 第69页
- 第70页
- 第71页
- 第72页
- 第73页
- 第74页
- 第75页
- 第76页
- 第77页
- 第78页
- 第79页
- 第80页
- 第81页
- 第82页
- 第83页
- 第84页
- 第85页
- 第86页
- 第87页
- 第88页
- 第89页
- 第90页
- 第91页
- 第92页
- 第93页
- 第94页
- 第95页
- 第96页
- 第97页
- 第98页
- 第99页
- 第100页
- 第101页
- 第102页
- 第103页
- 第104页
- 第105页
- 第106页
- 第107页
- 第108页
- 第109页
- 第110页
- 第111页
- 第112页
- 第113页
- 第114页
- 第115页
- 第116页
- 第117页
- 第118页
- 第119页
- 第120页
- 第121页
- 第122页
- 第123页
- 第124页
1. 下列关于电磁铁的说法中,正确的是 ( )
A. 电磁铁的磁性有无可以通过电路通断来控制
B. 电磁铁能永久性地保持磁性
C. 可以用铜芯代替铁芯
D. 电磁铁外部的磁感线总是从S极出发,回到N极
A. 电磁铁的磁性有无可以通过电路通断来控制
B. 电磁铁能永久性地保持磁性
C. 可以用铜芯代替铁芯
D. 电磁铁外部的磁感线总是从S极出发,回到N极
答案:
A
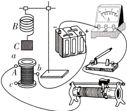
2. 如图所示是何桦探究电磁铁的磁性强弱跟哪些因素有关的实验装置,A是电磁铁,B是弹簧,C是铁块。图中的弹簧长度为15cm,a、b两接线柱之间的线圈匝数是1500,a、c两接线柱之间的线圈匝数是2500。实验数据如表所示。
电磁铁3见答案册51页
(1)此实验通过比较弹簧B被拉长的长度来判断弹簧所受拉力的大小,从而判断电磁铁磁性的强弱,这种科学方法叫做__________法。
(2)通过分析第1、2、3次实验数据,可得出结论:当______________相同时,通过电磁铁的__________越大,弹簧B被拉长得越长,电磁铁的磁性越__________。
(3)通过分析第3、4次实验数据,可得出结论:
______________________________。
电磁铁3见答案册51页
(1)此实验通过比较弹簧B被拉长的长度来判断弹簧所受拉力的大小,从而判断电磁铁磁性的强弱,这种科学方法叫做__________法。
(2)通过分析第1、2、3次实验数据,可得出结论:当______________相同时,通过电磁铁的__________越大,弹簧B被拉长得越长,电磁铁的磁性越__________。
(3)通过分析第3、4次实验数据,可得出结论:
______________________________。
答案:
(1)转换
(2)线圈匝数;电流;强
(3)通过电磁铁的电流相同时,线圈匝数越多,电磁铁的磁性越强
[点拨]
(1)实验通过比较弹簧B被拉长的长度来判断弹簧所受拉力的大小,根据拉力的大小来判断电磁铁磁性的强弱,这种科学方法叫做转换法。
(2)第1、2、3次实验中,接线柱相同,说明线圈匝数相同,由数据可知电流越大,弹簧被拉得越长,所受拉力越大,电磁铁的磁性越强,可得出结论:当线圈匝数相同时,通过电磁铁的电流越大,弹簧B 被拉长得越长,电磁铁的磁性越强。
(3)第3、4次实验中,通过的电流相同,线圈匝数不同,且匝数越多,弹簧被拉得越长,所受拉力越大,电磁铁的磁性越强,可得出结论:通过电磁铁的电流相同时,线圈匝数越多,电磁铁的磁性越强。
(1)转换
(2)线圈匝数;电流;强
(3)通过电磁铁的电流相同时,线圈匝数越多,电磁铁的磁性越强
[点拨]
(1)实验通过比较弹簧B被拉长的长度来判断弹簧所受拉力的大小,根据拉力的大小来判断电磁铁磁性的强弱,这种科学方法叫做转换法。
(2)第1、2、3次实验中,接线柱相同,说明线圈匝数相同,由数据可知电流越大,弹簧被拉得越长,所受拉力越大,电磁铁的磁性越强,可得出结论:当线圈匝数相同时,通过电磁铁的电流越大,弹簧B 被拉长得越长,电磁铁的磁性越强。
(3)第3、4次实验中,通过的电流相同,线圈匝数不同,且匝数越多,弹簧被拉得越长,所受拉力越大,电磁铁的磁性越强,可得出结论:通过电磁铁的电流相同时,线圈匝数越多,电磁铁的磁性越强。
3. [2023.吉安模拟]小明家有一款磁悬浮音箱,如图甲所示,闭合开关,音箱悬浮空中。经过研究,小明发现音箱底部有一个磁体,下方底座内部有电磁铁,他画出了图乙所示的电路。下列对此款音箱的判断中,正确的是 ( )
A. 音箱底部磁体的A端应是N极
B. 通电后底座的周围存在许多磁感线
C. 音箱悬浮利用了异名磁极相互吸引的原理
D. 向右移动滑片P可以降低音箱的悬浮高度
A. 音箱底部磁体的A端应是N极
B. 通电后底座的周围存在许多磁感线
C. 音箱悬浮利用了异名磁极相互吸引的原理
D. 向右移动滑片P可以降低音箱的悬浮高度
答案:
A [点拨]由安培定则可知,电磁铁的上端为N极、下端为S极。磁悬浮音箱利用了同名磁极相互排斥的原理,所以音箱底部磁体的A端应该是N极,故A正确,C错误;通电后底座的周围存在磁场,但不存在磁感线,磁感线是人们为了形象地描述磁场而假想的曲线,故B错误;由题图乙可知,向右调节滑片P,电磁铁线圈中的电流增大,磁性增强,音箱受到的斥力变大,音箱与底座之间的距离变大,“悬浮”的高度升高,故D错误。
4. [2023.陕西适应性考试]直流电铃的工作原理如图所示,下列有关说法不正确的是 ( )
A. 电铃利用电流的磁效应工作
B. 电流通过电磁铁时,电磁铁有磁性且A端为N极
C. 小锤击打铃碗时,电磁铁仍具有磁性
D. 电磁铁吸引衔铁,弹性片因发生弹性形变而具有弹性势能
A. 电铃利用电流的磁效应工作
B. 电流通过电磁铁时,电磁铁有磁性且A端为N极
C. 小锤击打铃碗时,电磁铁仍具有磁性
D. 电磁铁吸引衔铁,弹性片因发生弹性形变而具有弹性势能
答案:
C [点拨]电铃的主要部件是电磁铁,电磁铁是利用电流的磁效应工作的,故A正确;在蹄形铁芯的左侧,正面电流方向向上,根据安培定则可知A端为N极,故B正确;小锤击打铃碗时,电路断开,电磁铁没有磁性,故C错误;电磁铁吸引衔铁,弹性片发生了弹性形变,所以弹性片具有弹性势能,故D正确。
查看更多完整答案,请扫码查看