第40页
- 第4页
- 第5页
- 第6页
- 第7页
- 第8页
- 第9页
- 第10页
- 第11页
- 第12页
- 第13页
- 第14页
- 第15页
- 第16页
- 第17页
- 第18页
- 第19页
- 第20页
- 第21页
- 第22页
- 第23页
- 第24页
- 第25页
- 第26页
- 第27页
- 第28页
- 第29页
- 第30页
- 第31页
- 第32页
- 第33页
- 第34页
- 第35页
- 第36页
- 第37页
- 第38页
- 第39页
- 第40页
- 第41页
- 第42页
- 第43页
- 第44页
- 第45页
- 第46页
- 第47页
- 第48页
- 第49页
- 第50页
- 第51页
- 第52页
- 第53页
- 第54页
- 第55页
- 第56页
- 第57页
- 第58页
- 第59页
- 第60页
- 第61页
- 第62页
- 第63页
- 第64页
- 第65页
- 第66页
- 第67页
- 第68页
- 第69页
- 第70页
- 第71页
- 第72页
- 第73页
- 第74页
- 第75页
- 第76页
- 第77页
- 第78页
- 第79页
- 第80页
- 第81页
- 第82页
- 第83页
- 第84页
- 第85页
- 第86页
- 第87页
- 第88页
- 第89页
- 第90页
- 第91页
- 第92页
- 第93页
- 第94页
- 第95页
- 第96页
- 第97页
- 第98页
- 第99页
- 第100页
- 第101页
- 第102页
- 第103页
- 第104页
- 第105页
- 第106页
- 第107页
- 第108页
- 第109页
- 第110页
- 第111页
- 第112页
- 第113页
- 第114页
- 第115页
- 第116页
- 第117页
- 第118页
- 第119页
- 第120页
- 第121页
- 第122页
- 第123页
- 第124页
- 第125页
- 第126页
- 第127页
- 第128页
- 第129页
- 第130页
- 第131页
- 第132页
- 第133页
- 第134页
- 第135页
- 第136页
- 第137页
- 第138页
- 第139页
- 第140页
- 第141页
- 第142页
- 第143页
- 第144页
- 第145页
- 第146页
11. 根据电路图,用笔画线代替导线连接实物图。

答案:
如图所示。
如图所示。
提能力
12. (2025·求精中学月考)小灯泡的结构如图所示,下图中的连接能让完好的小灯泡发光的是 (


12. (2025·求精中学月考)小灯泡的结构如图所示,下图中的连接能让完好的小灯泡发光的是 (
C
)
答案:
C
13. 如图所示,开关$S$闭合时,小灯泡$L_{1}$、$L_{2}$都不亮,用一段导线的两端接触$a$、$b$两点时,两小灯泡都不亮;接触$b$、$c$两点时,两小灯泡也不亮;接触$c$、$d$两点时,两小灯泡都亮。对此,下列判断中可能的是 (

A.小灯泡$L_{1}$断路
B.小灯泡$L_{2}$断路
C.开关$S$断路
D.小灯泡$L_{2}$短路
C
)A.小灯泡$L_{1}$断路
B.小灯泡$L_{2}$断路
C.开关$S$断路
D.小灯泡$L_{2}$短路
答案:
C
14. (一本原创)如图所示,闭合开关$S$后,灯$L_{1}$

亮
,灯$L_{2}$亮
,灯$L_{3}$亮
。(均选填“亮”或“不亮”)
答案:
亮 亮 亮
练思维
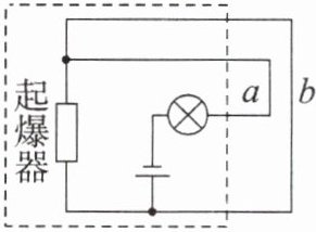
15. (2025·荣昌中学月考)某定时炸弹的引爆电路工作原理图如图所示,当起爆器中有电流通过时就会引爆炸弹。请你结合所学知识帮助专家进行排爆分析。

(1)定时器(时钟)应该安装在$b$导线上。在定时阶段,该导线是
(2)定时结束时,定时器(时钟)会把$b$导线
(3)综上可知,定时器(时钟)在定时阶段相当于一个
15. (2025·荣昌中学月考)某定时炸弹的引爆电路工作原理图如图所示,当起爆器中有电流通过时就会引爆炸弹。请你结合所学知识帮助专家进行排爆分析。
(1)定时器(时钟)应该安装在$b$导线上。在定时阶段,该导线是
通
路,因此起爆器被短路
,所以在定时阶段起爆器不会引爆炸弹。(2)定时结束时,定时器(时钟)会把$b$导线
切断
,此时电流能
通过起爆器,所以在定时结束的瞬间起爆器立即引爆炸弹。(3)综上可知,定时器(时钟)在定时阶段相当于一个
闭合
的开关。为使该定时爆炸装置停止工作,应立即剪断导线$a$
。
答案:
(1)通 短路
(2)切断 能
(3)闭合 $a$
(1)通 短路
(2)切断 能
(3)闭合 $a$
查看更多完整答案,请扫码查看