第134页
- 第4页
- 第5页
- 第6页
- 第7页
- 第8页
- 第9页
- 第10页
- 第11页
- 第12页
- 第13页
- 第14页
- 第15页
- 第16页
- 第17页
- 第18页
- 第19页
- 第20页
- 第21页
- 第22页
- 第23页
- 第24页
- 第25页
- 第26页
- 第27页
- 第28页
- 第29页
- 第30页
- 第31页
- 第32页
- 第33页
- 第34页
- 第35页
- 第36页
- 第37页
- 第38页
- 第39页
- 第40页
- 第41页
- 第42页
- 第43页
- 第44页
- 第45页
- 第46页
- 第47页
- 第48页
- 第49页
- 第50页
- 第51页
- 第52页
- 第53页
- 第54页
- 第55页
- 第56页
- 第57页
- 第58页
- 第59页
- 第60页
- 第61页
- 第62页
- 第63页
- 第64页
- 第65页
- 第66页
- 第67页
- 第68页
- 第69页
- 第70页
- 第71页
- 第72页
- 第73页
- 第74页
- 第75页
- 第76页
- 第77页
- 第78页
- 第79页
- 第80页
- 第81页
- 第82页
- 第83页
- 第84页
- 第85页
- 第86页
- 第87页
- 第88页
- 第89页
- 第90页
- 第91页
- 第92页
- 第93页
- 第94页
- 第95页
- 第96页
- 第97页
- 第98页
- 第99页
- 第100页
- 第101页
- 第102页
- 第103页
- 第104页
- 第105页
- 第106页
- 第107页
- 第108页
- 第109页
- 第110页
- 第111页
- 第112页
- 第113页
- 第114页
- 第115页
- 第116页
- 第117页
- 第118页
- 第119页
- 第120页
- 第121页
- 第122页
- 第123页
- 第124页
- 第125页
- 第126页
- 第127页
- 第128页
- 第129页
- 第130页
- 第131页
- 第132页
- 第133页
- 第134页
- 第135页
- 第136页
- 第137页
- 第138页
- 第139页
- 第140页
- 第141页
- 第142页
- 第143页
- 第144页
- 第145页
- 第146页
3. 如图所示,电源电压不变,电流表的测量范围为0~3A,灯泡L标有“6V 3W”的字样(不考虑温度对灯丝电阻的影响),当开关S闭合,$S_{1}$、$S_{2}$断开,滑片P从b端滑到某一位置时,滑动变阻器连入电路的电阻减小4Ω,电流表的示数变化了0.1A,灯泡L恰好正常发光。保持滑片P位置不变,再闭合开关$S_{1}$、$S_{2}$,电流表的示数又变化了1.7A。下列说法正确的是(

A. 电源电压为10V
B. 电阻$R_{0}$的阻值为8Ω
C. 当开关S闭合,$S_{1}$、$S_{2}$断开时,调节滑片P,电路消耗的总功率最大为24W
D. 当开关S、$S_{1}$、$S_{2}$都闭合时,调节滑片P,电路消耗的总功率最小为9.6W
D
)A. 电源电压为10V
B. 电阻$R_{0}$的阻值为8Ω
C. 当开关S闭合,$S_{1}$、$S_{2}$断开时,调节滑片P,电路消耗的总功率最大为24W
D. 当开关S、$S_{1}$、$S_{2}$都闭合时,调节滑片P,电路消耗的总功率最小为9.6W
答案:
D
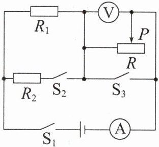
典例4 (2025·育才中学月考)如图所示,电源电压$U = 5V$,定值电阻$R_{1} = 20Ω$,$R_{2} = 50Ω$,滑动变阻器R的最大阻值为40Ω,电压表的测量范围为0~3V,电流表的测量范围为0~0.6A。
(1)当开关$S_{1}$、$S_{3}$闭合,$S_{2}$断开时,求电流表的示数为
(2)开关$S_{1}$闭合,$S_{2}$、$S_{3}$断开,为保证电路元件安全,求滑动变阻器R接入电路的阻值范围为
(3)更换开关的状态,求该电路能实现的最大功率为

(1)当开关$S_{1}$、$S_{3}$闭合,$S_{2}$断开时,求电流表的示数为
0.25A
。(2)开关$S_{1}$闭合,$S_{2}$、$S_{3}$断开,为保证电路元件安全,求滑动变阻器R接入电路的阻值范围为
0~30Ω
。(3)更换开关的状态,求该电路能实现的最大功率为
1.75W
。
答案:
解:
(1) 当开关 $ S_{1} $、$ S_{3} $ 闭合,$ S_{2} $ 断开时,只有定值电阻 $ R_{1} $ 与电流表串联接入电路中,则电流表的示数
$ I = \frac{U}{R_{1}} = \frac{5\ \text{V}}{20\ \Omega} = 0.25\ \text{A} $
(2) 当开关 $ S_{1} $ 闭合,$ S_{2} $、$ S_{3} $ 断开时,定值电阻 $ R_{1} $ 与滑动变阻器 $ R $ 串联接入电路,电流表测电路中的电流,电压表测滑动变阻器 $ R $ 两端的电压。为保证电路元件安全,电路中的电流不能超过电流表的测量范围,滑动变阻器 $ R $ 两端的电压不能超过电压表的测量范围,当电压表的示数为 3 V 时,滑动变阻器 $ R $ 允许接入电路中的阻值最大,则根据串联电路的电压规律可知,定值电阻 $ R_{1} $ 两端的电压为 2 V,此时电路中的电流
$ I = \frac{U_{1}}{R_{1}} = \frac{2\ \text{V}}{20\ \Omega} = 0.1\ \text{A} $
所以滑动变阻器允许接入电路中的最大阻值
$ R_{\text{max}} = \frac{U_{R}}{I} = \frac{3\ \text{V}}{0.1\ \text{A}} = 30\ \Omega $
当滑动变阻器接入电路中的阻值为 0 时,电路中的电流最大,由
(1) 可知此时电流为 0.25 A,没有超过电流表的测量范围,所以滑动变阻器 $ R $ 接入电路的阻值范围为 0~30 Ω。
(3) 因为电源电压恒为 5 V,所以当电路中的总电阻最小时,电路的总功率最大,根据题图可知,当开关 $ S_{1} $、$ S_{2} $、$ S_{3} $ 均闭合时,滑动变阻器被短路,定值电阻 $ R_{1} $ 与 $ R_{2} $ 并联,此时电路的总电阻最小,总功率最大,所以电路能实现的最大功率
$ P_{\text{max}} = \frac{U^{2}}{R_{1}} + \frac{U^{2}}{R_{2}} = \frac{(5\ \text{V})^{2}}{20\ \Omega} + \frac{(5\ \text{V})^{2}}{50\ \Omega} = 1.75\ \text{W} $
(1) 当开关 $ S_{1} $、$ S_{3} $ 闭合,$ S_{2} $ 断开时,只有定值电阻 $ R_{1} $ 与电流表串联接入电路中,则电流表的示数
$ I = \frac{U}{R_{1}} = \frac{5\ \text{V}}{20\ \Omega} = 0.25\ \text{A} $
(2) 当开关 $ S_{1} $ 闭合,$ S_{2} $、$ S_{3} $ 断开时,定值电阻 $ R_{1} $ 与滑动变阻器 $ R $ 串联接入电路,电流表测电路中的电流,电压表测滑动变阻器 $ R $ 两端的电压。为保证电路元件安全,电路中的电流不能超过电流表的测量范围,滑动变阻器 $ R $ 两端的电压不能超过电压表的测量范围,当电压表的示数为 3 V 时,滑动变阻器 $ R $ 允许接入电路中的阻值最大,则根据串联电路的电压规律可知,定值电阻 $ R_{1} $ 两端的电压为 2 V,此时电路中的电流
$ I = \frac{U_{1}}{R_{1}} = \frac{2\ \text{V}}{20\ \Omega} = 0.1\ \text{A} $
所以滑动变阻器允许接入电路中的最大阻值
$ R_{\text{max}} = \frac{U_{R}}{I} = \frac{3\ \text{V}}{0.1\ \text{A}} = 30\ \Omega $
当滑动变阻器接入电路中的阻值为 0 时,电路中的电流最大,由
(1) 可知此时电流为 0.25 A,没有超过电流表的测量范围,所以滑动变阻器 $ R $ 接入电路的阻值范围为 0~30 Ω。
(3) 因为电源电压恒为 5 V,所以当电路中的总电阻最小时,电路的总功率最大,根据题图可知,当开关 $ S_{1} $、$ S_{2} $、$ S_{3} $ 均闭合时,滑动变阻器被短路,定值电阻 $ R_{1} $ 与 $ R_{2} $ 并联,此时电路的总电阻最小,总功率最大,所以电路能实现的最大功率
$ P_{\text{max}} = \frac{U^{2}}{R_{1}} + \frac{U^{2}}{R_{2}} = \frac{(5\ \text{V})^{2}}{20\ \Omega} + \frac{(5\ \text{V})^{2}}{50\ \Omega} = 1.75\ \text{W} $
4. 如图所示,电源电压保持不变,小灯泡L标有“8V 4W”的字样,不考虑灯丝电阻的变化,滑动变阻器R标有“48Ω 1A”的字样,$R_{0}$的阻值为20Ω,电流表的测量范围为0~3A。当开关S闭合,$S_{1}$、$S_{2}$断开,滑片P移至中点时,小灯泡L恰好正常发光,则电源电压为

20
V。任意闭合开关和移动滑片,在电路安全的前提下,电路消耗的最大总功率为40
W。
答案:
20 40
查看更多完整答案,请扫码查看