第129页
- 第1页
- 第2页
- 第3页
- 第4页
- 第5页
- 第6页
- 第7页
- 第8页
- 第9页
- 第10页
- 第11页
- 第12页
- 第13页
- 第14页
- 第15页
- 第16页
- 第17页
- 第18页
- 第19页
- 第20页
- 第21页
- 第22页
- 第23页
- 第24页
- 第25页
- 第26页
- 第27页
- 第28页
- 第29页
- 第30页
- 第31页
- 第32页
- 第33页
- 第34页
- 第35页
- 第36页
- 第37页
- 第38页
- 第39页
- 第40页
- 第41页
- 第42页
- 第43页
- 第44页
- 第45页
- 第46页
- 第47页
- 第48页
- 第49页
- 第50页
- 第51页
- 第52页
- 第53页
- 第54页
- 第55页
- 第56页
- 第57页
- 第58页
- 第59页
- 第60页
- 第61页
- 第62页
- 第63页
- 第64页
- 第65页
- 第66页
- 第67页
- 第68页
- 第69页
- 第70页
- 第71页
- 第72页
- 第73页
- 第74页
- 第75页
- 第76页
- 第77页
- 第78页
- 第79页
- 第80页
- 第81页
- 第82页
- 第83页
- 第84页
- 第85页
- 第86页
- 第87页
- 第88页
- 第89页
- 第90页
- 第91页
- 第92页
- 第93页
- 第94页
- 第95页
- 第96页
- 第97页
- 第98页
- 第99页
- 第100页
- 第101页
- 第102页
- 第103页
- 第104页
- 第105页
- 第106页
- 第107页
- 第108页
- 第109页
- 第110页
- 第111页
- 第112页
- 第113页
- 第114页
- 第115页
- 第116页
- 第117页
- 第118页
- 第119页
- 第120页
- 第121页
- 第122页
- 第123页
- 第124页
- 第125页
- 第126页
- 第127页
- 第128页
- 第129页
- 第130页
- 第131页
- 第132页
- 第133页
- 第134页
- 第135页
- 第136页
- 第137页
- 第138页
- 第139页
- 第140页
- 第141页
- 第142页
- 第143页
- 第144页
- 第145页
- 第146页
- 第147页
- 第148页
- 第149页
- 第150页
- 第151页
- 第152页
- 第153页
- 第154页
- 第155页
- 第156页
- 第157页
- 第158页
- 第159页
- 第160页
- 第161页
- 第162页
- 第163页
- 第164页
- 第165页
- 第166页
- 第167页
- 第168页
- 第169页
- 第170页
- 第171页
- 第172页
- 第173页
- 第174页
- 第175页
- 第176页
- 第177页
- 第178页
- 第179页
- 第180页
- 第181页
- 第182页
- 第183页
- 第184页
- 第185页
- 第186页
- 第187页
- 第188页
- 第189页
- 第190页
- 第191页
1. 如图所示,电源电压保持不变$,L_1$和$L_2$是两个相同的小灯泡。先闭合开关$S_1,$记录两电表示数;再闭合开关$S_2,$电流表和电压表的示数变化情况是(

A.电流表示数减小,电压表示数减小
B.电流表示数增大,电压表示数减小
C.电流表示数增大,电压表示数不变
D.电流表示数不变,电压表示数不变
C
)A.电流表示数减小,电压表示数减小
B.电流表示数增大,电压表示数减小
C.电流表示数增大,电压表示数不变
D.电流表示数不变,电压表示数不变
答案:
C
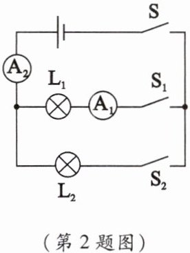
2. 如图所示的电路中,电源电压恒定,闭合开关S、$S_1$和$S_2,$灯$L_1、$$L_2$都正常发光。下列说法正确的是(

A.电流表$A_2$测通过灯$L_2$的电流
B.电流表$A_1$和$A_2$示数相等
C.断开开关$S_2,$电流表$A_2$示数变小
D.断开开关$S_2,$灯$L_1$变暗
C
)A.电流表$A_2$测通过灯$L_2$的电流
B.电流表$A_1$和$A_2$示数相等
C.断开开关$S_2,$电流表$A_2$示数变小
D.断开开关$S_2,$灯$L_1$变暗
答案:
C
3. 如图所示,电源电压保持不变,开关S断开后,电阻$R_1$与电阻$R_2$

串
(填“串”或“并”)联。开关S由闭合到断开,电压表的示数将不变
,电压表与电流表示数的比值将变大
。(后两空填“变大”“变小”或“不变”)
答案:
串 不变 变大
4. 如图所示,电源电压不变,当开关S、$S_1$均闭合时,电压表的示数是6V,则电源电压是

6
V。若闭合开关S、断开开关$S_1,$则电流表的示数将变小
,电压表与电流表示数的比值将不变
。(后两空填“变大”“不变”或“变小”)
答案:
6 变小 不变
5. 如图所示,电源两端电压保持不变,闭合开关S,将滑动变阻器的滑片P向右滑动,下列说法正确的是(

A.电压表的示数变大,电流表的示数变大
B.电压表的示数变小,电流表的示数变小
C.电压表的示数变大,电流表的示数变小
D.电压表的示数变小,电流表的示数变大
B
)A.电压表的示数变大,电流表的示数变大
B.电压表的示数变小,电流表的示数变小
C.电压表的示数变大,电流表的示数变小
D.电压表的示数变小,电流表的示数变大
答案:
B
查看更多完整答案,请扫码查看