第77页
- 第1页
- 第2页
- 第3页
- 第4页
- 第5页
- 第6页
- 第7页
- 第8页
- 第9页
- 第10页
- 第11页
- 第12页
- 第13页
- 第14页
- 第15页
- 第16页
- 第17页
- 第18页
- 第19页
- 第20页
- 第21页
- 第22页
- 第23页
- 第24页
- 第25页
- 第26页
- 第27页
- 第28页
- 第29页
- 第30页
- 第31页
- 第32页
- 第33页
- 第34页
- 第35页
- 第36页
- 第37页
- 第38页
- 第39页
- 第40页
- 第41页
- 第42页
- 第43页
- 第44页
- 第45页
- 第46页
- 第47页
- 第48页
- 第49页
- 第50页
- 第51页
- 第52页
- 第53页
- 第54页
- 第55页
- 第56页
- 第57页
- 第58页
- 第59页
- 第60页
- 第61页
- 第62页
- 第63页
- 第64页
- 第65页
- 第66页
- 第67页
- 第68页
- 第69页
- 第70页
- 第71页
- 第72页
- 第73页
- 第74页
- 第75页
- 第76页
- 第77页
- 第78页
- 第79页
- 第80页
- 第81页
- 第82页
- 第83页
- 第84页
- 第85页
- 第86页
- 第87页
- 第88页
- 第89页
- 第90页
- 第91页
- 第92页
- 第93页
- 第94页
- 第95页
- 第96页
- 第97页
- 第98页
- 第99页
- 第100页
- 第101页
- 第102页
- 第103页
- 第104页
- 第105页
- 第106页
- 第107页
- 第108页
- 第109页
- 第110页
- 第111页
- 第112页
- 第113页
- 第114页
- 第115页
- 第116页
- 第117页
- 第118页
- 第119页
- 第120页
- 第121页
- 第122页
- 第123页
- 第124页
- 第125页
- 第126页
- 第127页
- 第128页
- 第129页
- 第130页
- 第131页
- 第132页
- 第133页
- 第134页
- 第135页
- 第136页
- 第137页
- 第138页
- 第139页
- 第140页
- 第141页
- 第142页
- 第143页
- 第144页
- 第145页
- 第146页
- 第147页
- 第148页
- 第149页
5. 小明利用一个电压表和一个阻值已知的定值电阻$R_{0}$以及其他满足实验要求的器材,设计了如图12-5-27所示的电路图,用以测量未知电阻$R_{x}$的阻值。请你帮他将实验步骤补充完整。

(1)闭合开关$S$,读出电压表的示数$U_{1}$。
(2)断开开关$S$,将电压表接在______(选填“$A$”或“$B$”)处的导线取下,改接到$C$处,再闭合开关$S$,读出电压表的示数$U_{2}$。
(3)电阻$R_{x}= $______(用已知的物理量和测得的物理量的符号表示)。
(2)
(3)
(1)闭合开关$S$,读出电压表的示数$U_{1}$。
(2)断开开关$S$,将电压表接在______(选填“$A$”或“$B$”)处的导线取下,改接到$C$处,再闭合开关$S$,读出电压表的示数$U_{2}$。
(3)电阻$R_{x}= $______(用已知的物理量和测得的物理量的符号表示)。
(2)
B
(3)
$\frac{U_{2}-U_{1}}{U_{1}} \cdot R_{0}$
答案:
(2)B (3)$\frac{U_{2}-U_{1}}{U_{1}} \cdot R_{0}$
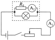
6. 小礼手里有一个标有“3.8 V”字样的小灯泡,他想知道小灯泡正常发光时的电阻,他认为可以用一个已知阻值为$R_{0}$的定值电阻和两个电流表等测出小灯泡正常发光时的电阻。
(1)请你在图12-5-28中帮他把实验电路图补充完整。

(2)闭合开关,移动滑动变阻器的滑动头,使电流表$A_{2}$的示数等于______,并记录电流表$A_{1}的示数I$。
(3)小灯泡正常发光时的电阻$R= $______(用题中给出的数值和物理量符号表示)。
(1)请你在图12-5-28中帮他把实验电路图补充完整。
(2)闭合开关,移动滑动变阻器的滑动头,使电流表$A_{2}$的示数等于______,并记录电流表$A_{1}的示数I$。
(3)小灯泡正常发光时的电阻$R= $______(用题中给出的数值和物理量符号表示)。
答案:
(1)如图所示
(2)$\frac{3.8\ V}{R_{0}}$ (3)$\frac{3.8\ V}{I-\frac{3.8\ V}{R_{0}}}$
(1)如图所示
(2)$\frac{3.8\ V}{R_{0}}$ (3)$\frac{3.8\ V}{I-\frac{3.8\ V}{R_{0}}}$
查看更多完整答案,请扫码查看