第62页
- 第1页
- 第2页
- 第3页
- 第4页
- 第5页
- 第6页
- 第7页
- 第8页
- 第9页
- 第10页
- 第11页
- 第12页
- 第13页
- 第14页
- 第15页
- 第16页
- 第17页
- 第18页
- 第19页
- 第20页
- 第21页
- 第22页
- 第23页
- 第24页
- 第25页
- 第26页
- 第27页
- 第28页
- 第29页
- 第30页
- 第31页
- 第32页
- 第33页
- 第34页
- 第35页
- 第36页
- 第37页
- 第38页
- 第39页
- 第40页
- 第41页
- 第42页
- 第43页
- 第44页
- 第45页
- 第46页
- 第47页
- 第48页
- 第49页
- 第50页
- 第51页
- 第52页
- 第53页
- 第54页
- 第55页
- 第56页
- 第57页
- 第58页
- 第59页
- 第60页
- 第61页
- 第62页
- 第63页
- 第64页
- 第65页
- 第66页
- 第67页
- 第68页
- 第69页
- 第70页
- 第71页
- 第72页
- 第73页
- 第74页
- 第75页
- 第76页
- 第77页
- 第78页
- 第79页
- 第80页
- 第81页
- 第82页
- 第83页
- 第84页
- 第85页
- 第86页
- 第87页
- 第88页
- 第89页
- 第90页
- 第91页
- 第92页
- 第93页
- 第94页
- 第95页
- 第96页
- 第97页
- 第98页
- 第99页
- 第100页
- 第101页
- 第102页
- 第103页
- 第104页
- 第105页
- 第106页
- 第107页
- 第108页
- 第109页
- 第110页
- 第111页
- 第112页
- 第113页
- 第114页
- 第115页
- 第116页
- 第117页
- 第118页
- 第119页
- 第120页
- 第121页
- 第122页
- 第123页
- 第124页
- 第125页
- 第126页
- 第127页
- 第128页
- 第129页
- 第130页
- 第131页
- 第132页
- 第133页
- 第134页
- 第135页
- 第136页
- 第137页
- 第138页
- 第139页
- 第140页
- 第141页
- 第142页
- 第143页
- 第144页
- 第145页
- 第146页
- 第147页
- 第148页
- 第149页
12. 如图 12 - 3 - 16 所示的电路中,a、b 两点间的电压不变,当滑动变阻器的滑动头 P 向 d 端移动一段距离时,电流表的示数变小的是(

B
)。
答案:
B
13. 用滑动变阻器改变小灯泡的亮度。
(1) 要求滑动变阻器的滑动头 P 向左端移动时小灯泡变暗,请用笔画线代替导线连接图 12 - 3 - 17 中的实物电路,并在虚线框内画出对应的电路图。

(2) 闭合开关前,应将滑动变阻器的滑动头 P 移到______(选填“A”或“B”)端。
(3) 闭合开关后,想使小灯泡变亮,滑动变阻器的滑动头 P 应向______(选填“左”或“右”)端移动,电流表的示数将______。
(4) 开始实验后,甲发现无论如何移动滑动头 P,小灯泡的亮度都不发生变化,而且一直很亮,这可能是______;乙发现移动滑动头 P 时,小灯泡忽亮忽灭,这可能是______。
(1) 略
(2) A
(3) 右;变大
(4) 同时连接了滑动变阻器上面的两个接线柱;滑动头接触不良
(1) 要求滑动变阻器的滑动头 P 向左端移动时小灯泡变暗,请用笔画线代替导线连接图 12 - 3 - 17 中的实物电路,并在虚线框内画出对应的电路图。
(2) 闭合开关前,应将滑动变阻器的滑动头 P 移到______(选填“A”或“B”)端。
(3) 闭合开关后,想使小灯泡变亮,滑动变阻器的滑动头 P 应向______(选填“左”或“右”)端移动,电流表的示数将______。
(4) 开始实验后,甲发现无论如何移动滑动头 P,小灯泡的亮度都不发生变化,而且一直很亮,这可能是______;乙发现移动滑动头 P 时,小灯泡忽亮忽灭,这可能是______。
(1) 略
(2) A
(3) 右;变大
(4) 同时连接了滑动变阻器上面的两个接线柱;滑动头接触不良
答案:
(1)
;
(2)A;
(3)右;变大;
(4)同时连接了滑动变阻器上面的两个接线柱;滑动头接触不良
(1)
(2)A;
(3)右;变大;
(4)同时连接了滑动变阻器上面的两个接线柱;滑动头接触不良
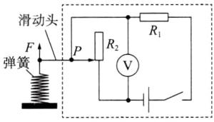
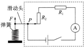
14. 实践活动课上,老师让同学们制作电子拉力计。老师提供的器材有:一个电源;一个定值电阻$ R_1;$一根电阻丝$ R_2;$一个电流表;一个电压表;一个开关;若干导线;一根弹簧(其一端固定在地面上,另一端和金属滑动头 P 固定在一起,当弹簧不受拉力时,滑动头 P 在电阻丝$ R_2 $的底端,P 与$ R_2 $之间的摩擦不计),如图 12 - 3 - 18 所示。请你分别利用电流表和电压表制作电子拉力计的显示器,要求竖直向上的拉力 F 越大,显示器的示数也越大,请你在图 12 - 3 - 18 中的虚线框内画出符合上述设计要求的两种电路图。

答案:
如图所示
如图所示
查看更多完整答案,请扫码查看