第50页
- 第1页
- 第2页
- 第3页
- 第4页
- 第5页
- 第6页
- 第7页
- 第8页
- 第9页
- 第10页
- 第11页
- 第12页
- 第13页
- 第14页
- 第15页
- 第16页
- 第17页
- 第18页
- 第19页
- 第20页
- 第21页
- 第22页
- 第23页
- 第24页
- 第25页
- 第26页
- 第27页
- 第28页
- 第29页
- 第30页
- 第31页
- 第32页
- 第33页
- 第34页
- 第35页
- 第36页
- 第37页
- 第38页
- 第39页
- 第40页
- 第41页
- 第42页
- 第43页
- 第44页
- 第45页
- 第46页
- 第47页
- 第48页
- 第49页
- 第50页
- 第51页
- 第52页
- 第53页
- 第54页
- 第55页
- 第56页
- 第57页
- 第58页
- 第59页
- 第60页
- 第61页
- 第62页
- 第63页
- 第64页
- 第65页
- 第66页
- 第67页
- 第68页
- 第69页
- 第70页
- 第71页
- 第72页
- 第73页
- 第74页
- 第75页
- 第76页
- 第77页
- 第78页
- 第79页
- 第80页
- 第81页
- 第82页
- 第83页
- 第84页
- 第85页
- 第86页
- 第87页
- 第88页
- 第89页
- 第90页
- 第91页
- 第92页
- 第93页
- 第94页
- 第95页
- 第96页
- 第97页
- 第98页
- 第99页
- 第100页
- 第101页
- 第102页
- 第103页
- 第104页
- 第105页
- 第106页
- 第107页
- 第108页
- 第109页
- 第110页
- 第111页
- 第112页
- 第113页
- 第114页
- 第115页
- 第116页
- 第117页
- 第118页
- 第119页
- 第120页
- 第121页
- 第122页
- 第123页
- 第124页
- 第125页
- 第126页
- 第127页
- 第128页
- 第129页
- 第130页
- 第131页
- 第132页
- 第133页
- 第134页
- 第135页
- 第136页
- 第137页
- 第138页
- 第139页
- 第140页
- 第141页
- 第142页
- 第143页
- 第144页
- 第145页
- 第146页
- 第147页
- 第148页
- 第149页
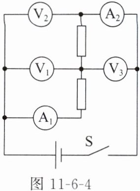
典题5 如图 11 - 6 - 4 所示的电路中,当开关 $ S $ 闭合时,电压表 $ V_{1} $、$ V_{2} $、$ V_{3} $ 的示数分别为 $ U_{1} $、$ U_{2} $、$ U_{3} $,电流表 $ A_{1} $、$ A_{2} $ 的示数分别为 $ I_{1} $、$ I_{2} $(五个电表的示数均不为零),则下列关系式正确的是( )。
$A. U_2 = U_1 = U_3,I_1 = I_2$
$B. U_2 = U_1 + U_3,I_1 = I_2$
$C. U_3 = U_1 + U_2,I_1 = I_2$
$D. U_3 = U_1 = U_2,I_1 > I_2$
$A. U_2 = U_1 = U_3,I_1 = I_2$
$B. U_2 = U_1 + U_3,I_1 = I_2$
$C. U_3 = U_1 + U_2,I_1 = I_2$
$D. U_3 = U_1 = U_2,I_1 > I_2$
答案:
B
如图11-6-5甲所示的电路中,闭合开关S后,两灯泡都能发光,电流表$A_1、$$A_2$的指针位置分别如图11-6-5乙、丙所示,则电流表$A_1$测量的是通过

L₂
的电流,示数为_________0.50
A,通过灯泡$L_1$的电流为_________1.0
A。
答案:
L₂ 0.50 1.0
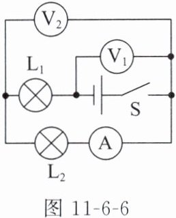
如图11-6-6所示的电路中,闭合开关S后,电流表的示数为0.5 A,电压表$V_1$的示数为6.0 V,电压表$V_2$的示数为2.0 V。求:
(1)通过$L_1$的电流。
$(2)L_2$两端的电压。
$(3)L_1$两端的电压。

(1)通过$L_1$的电流。
$(2)L_2$两端的电压。
$(3)L_1$两端的电压。
答案:
1. (1)
解:由电路图可知,$L_1$与$L_2$串联,串联电路中各处的电流相等。
已知电流表的示数$I = 0.5A$,所以通过$L_1$的电流$I_1=I = 0.5A$。
2. (2)
解:电压表$V_2$测$L_2$两端的电压,已知电压表$V_2$的示数$U_2 = 2.0V$,所以$L_2$两端的电压$U_{L2}=U_2 = 2.0V$。
3. (3)
解:电压表$V_1$测电源的电压,即$U = 6.0V$。
根据串联电路中总电压等于各分电压之和,可得$L_1$两端的电压$U_{L1}=U - U_{L2}$。
把$U = 6.0V$,$U_{L2}=2.0V$代入$U_{L1}=U - U_{L2}$,得$U_{L1}=6.0V - 2.0V=4.0V$。
综上,(1)通过$L_1$的电流为$0.5A$;(2)$L_2$两端的电压为$2.0V$;(3)$L_1$两端的电压为$4.0V$。
解:由电路图可知,$L_1$与$L_2$串联,串联电路中各处的电流相等。
已知电流表的示数$I = 0.5A$,所以通过$L_1$的电流$I_1=I = 0.5A$。
2. (2)
解:电压表$V_2$测$L_2$两端的电压,已知电压表$V_2$的示数$U_2 = 2.0V$,所以$L_2$两端的电压$U_{L2}=U_2 = 2.0V$。
3. (3)
解:电压表$V_1$测电源的电压,即$U = 6.0V$。
根据串联电路中总电压等于各分电压之和,可得$L_1$两端的电压$U_{L1}=U - U_{L2}$。
把$U = 6.0V$,$U_{L2}=2.0V$代入$U_{L1}=U - U_{L2}$,得$U_{L1}=6.0V - 2.0V=4.0V$。
综上,(1)通过$L_1$的电流为$0.5A$;(2)$L_2$两端的电压为$2.0V$;(3)$L_1$两端的电压为$4.0V$。
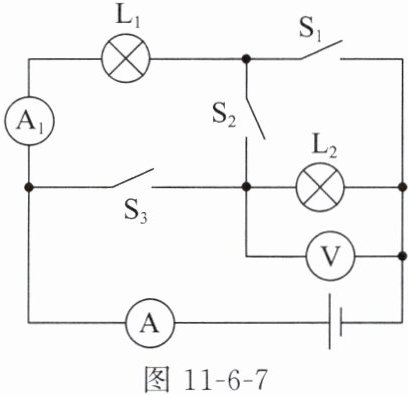
如图11-6-7所示的电路中,电源电压保持不变,当开关$S_3$闭合、$S_1$和$S_2$断开时,电压表的示数为6.0 V。
(1)电源电压是多少?
(2)当开关$S_1$和$S_3$断开、$S_2$闭合时,电压表的示数为4.0 V,则$L_1$两端的电压是多少?
(3)当开关$S_1$和$S_3$闭合、$S_2$断开时,电流表A和$A_1$的示数分别为0.5 A和0.2 A,则通过$L_2$的电流是多少?

(1)电源电压是多少?
(2)当开关$S_1$和$S_3$断开、$S_2$闭合时,电压表的示数为4.0 V,则$L_1$两端的电压是多少?
(3)当开关$S_1$和$S_3$闭合、$S_2$断开时,电流表A和$A_1$的示数分别为0.5 A和0.2 A,则通过$L_2$的电流是多少?
答案:
1. (1)
当开关$S_3$闭合、$S_1$和$S_2$断开时,电压表测电源电压。
所以电源电压$U = 6.0V$。
2. (2)
当开关$S_1$和$S_3$断开、$S_2$闭合时,$L_1$与$L_2$串联,电压表测$L_2$两端电压$U_2$。
根据串联电路电压特点$U = U_1+U_2$,已知$U = 6.0V$,$U_2 = 4.0V$。
则$L_1$两端电压$U_1=U - U_2=6.0V - 4.0V = 2.0V$。
3. (3)
当开关$S_1$和$S_3$闭合、$S_2$断开时,$L_1$与$L_2$并联,电流表$A$测干路电流$I$,电流表$A_1$测$L_1$支路电流$I_1$。
根据并联电路电流特点$I = I_1+I_2$,已知$I = 0.5A$,$I_1 = 0.2A$。
则通过$L_2$的电流$I_2=I - I_1=0.5A - 0.2A = 0.3A$。
综上,答案依次为:(1)$6.0V$;(2)$2.0V$;(3)$0.3A$。
当开关$S_3$闭合、$S_1$和$S_2$断开时,电压表测电源电压。
所以电源电压$U = 6.0V$。
2. (2)
当开关$S_1$和$S_3$断开、$S_2$闭合时,$L_1$与$L_2$串联,电压表测$L_2$两端电压$U_2$。
根据串联电路电压特点$U = U_1+U_2$,已知$U = 6.0V$,$U_2 = 4.0V$。
则$L_1$两端电压$U_1=U - U_2=6.0V - 4.0V = 2.0V$。
3. (3)
当开关$S_1$和$S_3$闭合、$S_2$断开时,$L_1$与$L_2$并联,电流表$A$测干路电流$I$,电流表$A_1$测$L_1$支路电流$I_1$。
根据并联电路电流特点$I = I_1+I_2$,已知$I = 0.5A$,$I_1 = 0.2A$。
则通过$L_2$的电流$I_2=I - I_1=0.5A - 0.2A = 0.3A$。
综上,答案依次为:(1)$6.0V$;(2)$2.0V$;(3)$0.3A$。
查看更多完整答案,请扫码查看