第33页
- 第1页
- 第2页
- 第3页
- 第4页
- 第5页
- 第6页
- 第7页
- 第8页
- 第9页
- 第10页
- 第11页
- 第12页
- 第13页
- 第14页
- 第15页
- 第16页
- 第17页
- 第18页
- 第19页
- 第20页
- 第21页
- 第22页
- 第23页
- 第24页
- 第25页
- 第26页
- 第27页
- 第28页
- 第29页
- 第30页
- 第31页
- 第32页
- 第33页
- 第34页
- 第35页
- 第36页
- 第37页
- 第38页
- 第39页
- 第40页
- 第41页
- 第42页
- 第43页
- 第44页
- 第45页
- 第46页
- 第47页
- 第48页
- 第49页
- 第50页
- 第51页
- 第52页
- 第53页
- 第54页
- 第55页
- 第56页
- 第57页
- 第58页
- 第59页
- 第60页
- 第61页
- 第62页
- 第63页
- 第64页
- 第65页
- 第66页
- 第67页
- 第68页
- 第69页
- 第70页
- 第71页
- 第72页
- 第73页
- 第74页
- 第75页
- 第76页
- 第77页
- 第78页
- 第79页
- 第80页
- 第81页
- 第82页
- 第83页
- 第84页
- 第85页
- 第86页
- 第87页
- 第88页
- 第89页
- 第90页
- 第91页
- 第92页
- 第93页
- 第94页
- 第95页
- 第96页
- 第97页
- 第98页
- 第99页
- 第100页
- 第101页
- 第102页
- 第103页
- 第104页
- 第105页
- 第106页
9. (2025·北京期中)如图所示的电路中,闭合开关后,电流表能测量通过灯泡$L_1$的电流的是(
C
)
答案:
C 图A,闭合开关后,该电路为并联电路,电流表串联在干路中,测量的是干路的电流;图B,闭合开关后,该电路为并联电路,电流表与L₂串联在支路中,测量通过L₂的电流;图C,闭合开关后,该电路为并联电路,电流表与L₁串联在支路中,测量通过L₁的电流;图D,闭合开关后,该电路为并联电路,电流表与L₁串联在支路中,但正负接线柱接反了。
10. 如图所示,若电流表$A_1、$$A_2$无故障,闭合开关以后$,A_1$的指针向右偏转的角度很大$,A_2$的指针向右偏转的角度很小,这可能是(
A.其中一个电流表损坏
$B.A_2$正、负接线柱上的导线接反了
C.电流表测量的过程中出现了误差
$D.A_2$所接测量范围大于$A_1$所接的测量范围
D
)A.其中一个电流表损坏
$B.A_2$正、负接线柱上的导线接反了
C.电流表测量的过程中出现了误差
$D.A_2$所接测量范围大于$A_1$所接的测量范围
答案:
D
11. 实验室中有一个电流表有两个测量范围,大测量范围是0~9 A,小测量范围模糊不清。为了测量小测量范围是多少,先用大测量范围接入电路,指针位置如图甲所示,然后再改用小测量范围接入同一电路,指针指示如图乙所示。则电流表的小测量范围为(
A.0~0.6 A
B.0~1 A
C.0~2 A
D.0~3 A
D
)A.0~0.6 A
B.0~1 A
C.0~2 A
D.0~3 A
答案:
D
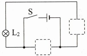
12. (2025·泉州期中)如图所示,在虚线框内填入小灯泡$L_1$和电流表的电路元件符号,使灯$L_1$与$L_2$并联,且开关S闭合后两灯均能发光,电流表不会被损坏。

答案:
13. 图甲、乙、丙是某同学使用电流表测量灯泡的电流的三个实物连接图,据此回答下列问题:

(1)甲图中的电流表是测量______的电流。
(2)乙图中的电流表是测量______的电流。
(3)丙图中的电流表是测量______的电流。
(4)在做丙图实验时,电流表的指针指到如图丁所示的位置,于是他立即断开开关,则:
①该同学为了完成实验,下一步应该采取的措施是______。
②改正错误,该同学再闭合开关,发现指针的读数是1.8 A,请你在图丁中画出指针的位置。

(1)甲图中的电流表是测量______的电流。
(2)乙图中的电流表是测量______的电流。
(3)丙图中的电流表是测量______的电流。
(4)在做丙图实验时,电流表的指针指到如图丁所示的位置,于是他立即断开开关,则:
①该同学为了完成实验,下一步应该采取的措施是______。
②改正错误,该同学再闭合开关,发现指针的读数是1.8 A,请你在图丁中画出指针的位置。
答案:
(1)L₁
(2)干路(L₁和L₂)
(3)L₂
(4)①断开开关,换用较大测量范围继续测量
②
(1)L₁
(2)干路(L₁和L₂)
(3)L₂
(4)①断开开关,换用较大测量范围继续测量
②
14. (科学探究)在“用电流表测电流”的实验中,某同学连接的电路如图甲所示:

(1)闭合开关,观察到灯泡$L_1$和$L_2$的发光情况是:______。(2)针对上述现象,该电路存在的问题是:______(3)请在原图上只改动一根导线,使两只电流表分别测干路 和支路的电流。(要求: 在需改动的导线上画 “×”,用笔将改动后的导线画出,导线不许交叉) (4)在虚线框图乙中画出改正后的电路图
(1)闭合开关,观察到灯泡$L_1$和$L_2$的发光情况是:______。(2)针对上述现象,该电路存在的问题是:______(3)请在原图上只改动一根导线,使两只电流表分别测干路 和支路的电流。(要求: 在需改动的导线上画 “×”,用笔将改动后的导线画出,导线不许交叉) (4)在虚线框图乙中画出改正后的电路图
答案:
(1)灯泡L₂发光,L₁不发光
(2)L₁被短路
(3)
(4)
(1)灯泡L₂发光,L₁不发光
(2)L₁被短路
(3)
(4)
查看更多完整答案,请扫码查看