第101页
- 第1页
- 第2页
- 第3页
- 第4页
- 第5页
- 第6页
- 第7页
- 第8页
- 第9页
- 第10页
- 第11页
- 第12页
- 第13页
- 第14页
- 第15页
- 第16页
- 第17页
- 第18页
- 第19页
- 第20页
- 第21页
- 第22页
- 第23页
- 第24页
- 第25页
- 第26页
- 第27页
- 第28页
- 第29页
- 第30页
- 第31页
- 第32页
- 第33页
- 第34页
- 第35页
- 第36页
- 第37页
- 第38页
- 第39页
- 第40页
- 第41页
- 第42页
- 第43页
- 第44页
- 第45页
- 第46页
- 第47页
- 第48页
- 第49页
- 第50页
- 第51页
- 第52页
- 第53页
- 第54页
- 第55页
- 第56页
- 第57页
- 第58页
- 第59页
- 第60页
- 第61页
- 第62页
- 第63页
- 第64页
- 第65页
- 第66页
- 第67页
- 第68页
- 第69页
- 第70页
- 第71页
- 第72页
- 第73页
- 第74页
- 第75页
- 第76页
- 第77页
- 第78页
- 第79页
- 第80页
- 第81页
- 第82页
- 第83页
- 第84页
- 第85页
- 第86页
- 第87页
- 第88页
- 第89页
- 第90页
- 第91页
- 第92页
- 第93页
- 第94页
- 第95页
- 第96页
- 第97页
- 第98页
- 第99页
- 第100页
- 第101页
- 第102页
- 第103页
- 第104页
- 第105页
- 第106页
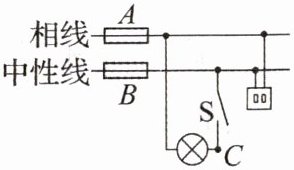
9. 如图是正常家庭电路的一部分。下列说法正确的是 (

A.导线 B 与大地之间的电压为 220 V
B.测电笔先后插入插座的左右插孔,氖管都发光
C.电冰箱的插头插入三孔插座能使电冰箱的金属外壳接地
D.断开开关 S 后,用测电笔接触 a 点或 b 点氖管均不发光
C
)A.导线 B 与大地之间的电压为 220 V
B.测电笔先后插入插座的左右插孔,氖管都发光
C.电冰箱的插头插入三孔插座能使电冰箱的金属外壳接地
D.断开开关 S 后,用测电笔接触 a 点或 b 点氖管均不发光
答案:
C
10. 如图所示的家庭电路中,闭合开关后灯泡不亮,检查电路时发现保险丝未熔断,用测电笔分别测试插座的左、右孔,氖管均发光。若电路中只有一处故障,则 (

A.可能是灯泡 L 被短路
B.可能是灯泡 L 断路
C.可能是 CD 间断路
D.可能是 DE 间断路
D
)A.可能是灯泡 L 被短路
B.可能是灯泡 L 断路
C.可能是 CD 间断路
D.可能是 DE 间断路
答案:
D
11. (2024 秋·咸阳质检)如图是安装了漏电保护器的家庭电路。当漏电保护器检测到通过图中 A 和

B
(选填“B”或“C”)两处的电流不相等时,会迅速切断电路,从而起到保护作用。当家电维修人员在图中 C 处不慎触电时,漏电保护器 会
(选填“会”或“不会”)切断电路。
答案:
B 会
12. 如图所示的家庭电路中,当开关 S 闭合后,灯泡不亮,用测电笔检测插座的两个孔时,氖管均发光(灯泡不亮的原因是保险丝熔断)。由此判断一定是

B
(选填“A”或“B”)保险丝断路。由于该电路连接存在错误,当开关 S 断开时,用测电笔检测点 C,氖管将 发光
(选填“发光”或“不发光”)。
答案:
【解析】当开关S闭合后,灯泡不亮,这说明电路出现了断路故障;用测电笔检测插座的两个孔时,氖管均发光,这说明插座的左孔与相线是接通的,所以故障是B保险丝断路;当开关S断开时,用测电笔检测点C,C点通过灯泡与相线相连,所以氖管将发光。
答案:B 发光
答案:B 发光
13. (2024·南充中考)如图所示,根据安全用电知识,将图中元件用笔画线代替导线连起来(开关仅控制灯泡)。

答案:
14. 如图所示,两灯泡的额定电压均为 220 V。当开关闭合后,两灯泡都正常发光,且插座不受开关控制,请将电路连接完整。

答案:
15. (科学思维)小明的卧室中有一个插座、一盏吊灯,其中吊灯由门口和床头两个单刀双掷开关控制,如图所示。

(1)请用笔画线表示导线,将插座、吊灯和开关接入家庭电路中,要求两个开关都能控制吊灯。
(2)小明发现家里电热水壶的底座插头的三根线中有一根稍长的,标着“PE”,它是做什么用的? 。
(1)请用笔画线表示导线,将插座、吊灯和开关接入家庭电路中,要求两个开关都能控制吊灯。
(2)小明发现家里电热水壶的底座插头的三根线中有一根稍长的,标着“PE”,它是做什么用的? 。
答案:
(1)
(2)标着“PE”的是接保护线,较长是为了插入插座时最先接通保护线,防止漏电造成触电事故,拔出时最后离开保护线
(1)
(2)标着“PE”的是接保护线,较长是为了插入插座时最先接通保护线,防止漏电造成触电事故,拔出时最后离开保护线
查看更多完整答案,请扫码查看