第100页
- 第1页
- 第2页
- 第3页
- 第4页
- 第5页
- 第6页
- 第7页
- 第8页
- 第9页
- 第10页
- 第11页
- 第12页
- 第13页
- 第14页
- 第15页
- 第16页
- 第17页
- 第18页
- 第19页
- 第20页
- 第21页
- 第22页
- 第23页
- 第24页
- 第25页
- 第26页
- 第27页
- 第28页
- 第29页
- 第30页
- 第31页
- 第32页
- 第33页
- 第34页
- 第35页
- 第36页
- 第37页
- 第38页
- 第39页
- 第40页
- 第41页
- 第42页
- 第43页
- 第44页
- 第45页
- 第46页
- 第47页
- 第48页
- 第49页
- 第50页
- 第51页
- 第52页
- 第53页
- 第54页
- 第55页
- 第56页
- 第57页
- 第58页
- 第59页
- 第60页
- 第61页
- 第62页
- 第63页
- 第64页
- 第65页
- 第66页
- 第67页
- 第68页
- 第69页
- 第70页
- 第71页
- 第72页
- 第73页
- 第74页
- 第75页
- 第76页
- 第77页
- 第78页
- 第79页
- 第80页
- 第81页
- 第82页
- 第83页
- 第84页
- 第85页
- 第86页
- 第87页
- 第88页
- 第89页
- 第90页
- 第91页
- 第92页
- 第93页
- 第94页
- 第95页
- 第96页
- 第97页
- 第98页
- 第99页
- 第100页
- 第101页
- 第102页
- 第103页
- 第104页
- 第105页
- 第106页
8. 如图所示的电吹风是同学们非常熟悉的日常用品之一,但是你很少注意,在它的说明书上有一句“严禁带入浴室使用”,其原因是在潮湿的环境中,人体的电阻变

小
,比在干燥的环境中更容易发生触电
事故。
答案:
小 触电
9. 如图所示家庭电路中,A点是灯头接导线的螺丝(灯丝完好),当电路中的开关S断开时,站在地面上的人用手接触到的A点
会
(选填“会”或“不会”)触电,理由是:断开开关,中性线被切断,A处仍然和相线相连,接触A点,会发生触电事故
。
答案:
会 断开开关,中性线被切断,A处仍然和相线相连,接触A点,会发生触电事故
1. 节能减排是每个公民的责任,家中普通照明灯泡全部换成 LED 的节能灯,发光效率会大大提高,这实质是通过减小家中电灯的
功率
来减小电能的消耗;家庭电路中控制电灯的开关被短路,保险丝不会
(选填“会”或“不会”)被烧断,保险丝是利用电流的热
效应来工作的。
答案:
功率 不会 热
2. 家庭电路中安装熔断器(其中核心部件、俗称“保险丝”),它的作用是 (
A.当电压过高时自动切断电路
B.当发生触电时自动切断电路
C.当用电器发生漏电时自动切断电路
D.当电路中电流过大时自动切断电路
D
)A.当电压过高时自动切断电路
B.当发生触电时自动切断电路
C.当用电器发生漏电时自动切断电路
D.当电路中电流过大时自动切断电路
答案:
D
3. 下列哪种情况不会使空气开关“跳闸”(
A.用电器总功率过大
B.短路
C.开关内两根线相碰
D.电路中总电流过大
C
)A.用电器总功率过大
B.短路
C.开关内两根线相碰
D.电路中总电流过大
答案:
C
4. 如图为测电笔的结构图。下列说法正确的是 (

A.测电笔与手接触的部分必须都是绝缘体
B.使用测电笔时手不能接触笔尖
C.使用测电笔时手不要接触笔卡
D.氖管发光时没有电流通过人体
B
)A.测电笔与手接触的部分必须都是绝缘体
B.使用测电笔时手不能接触笔尖
C.使用测电笔时手不要接触笔卡
D.氖管发光时没有电流通过人体
答案:
B
5. “珍爱生命,安全用电”是同学们日常生活必须具备的安全意识。在家庭电路中,必须把控制灯泡的开关安装在

相
(选填“相”或“中性”)线上,为辨别两孔插座的相线和中性线,可按照图中 甲
(选填“甲”或“乙”)方式手持测电笔将金属笔尖插入插孔,若笔内氖管发光,则金属笔尖接触的是 相
(选填“相”或“中性”)线。
答案:
相 甲 相
6. 家庭电路中,导线绝缘皮容易破损或老化,当人不小心接触相线,电流经人体流入大地时发生触电事故,这时电路中安装的
漏电保护器
(选填“空气开关”或“漏电保护器”)会自动断开切断电路,对人体起到保护作用。
答案:
漏电保护器
7. 如图所示是家庭电路中的三孔插座和三脚插头示意图。下列说法正确的是 (

A.三脚插头的三个脚一样长
B.插孔 PE 是用来接中性线的
C.插孔 L 是用来接中性线的
D.标有“PE”的插脚能保证插入插座时,用电器外壳先接地
D
)A.三脚插头的三个脚一样长
B.插孔 PE 是用来接中性线的
C.插孔 L 是用来接中性线的
D.标有“PE”的插脚能保证插入插座时,用电器外壳先接地
答案:
D
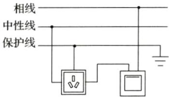
8. (2024·南通中考)如图,将插座和控制插座的开关正确接入电路。

答案:
相线
中性线
保护线
相线
中性线
保护线
查看更多完整答案,请扫码查看