2025年走向中考考场九年级物理全一册人教版河北专版
注:目前有些书本章节名称可能整理的还不是很完善,但都是按照顺序排列的,请同学们按照顺序仔细查找。练习册 2025年走向中考考场九年级物理全一册人教版河北专版 答案主要是用来给同学们做完题方便对答案用的,请勿直接抄袭。
第57页
- 第1页
- 第2页
- 第3页
- 第4页
- 第5页
- 第6页
- 第7页
- 第8页
- 第9页
- 第10页
- 第11页
- 第12页
- 第13页
- 第14页
- 第15页
- 第16页
- 第17页
- 第18页
- 第19页
- 第20页
- 第21页
- 第22页
- 第23页
- 第24页
- 第25页
- 第26页
- 第27页
- 第28页
- 第29页
- 第30页
- 第31页
- 第32页
- 第33页
- 第34页
- 第35页
- 第36页
- 第37页
- 第38页
- 第39页
- 第40页
- 第41页
- 第42页
- 第43页
- 第44页
- 第45页
- 第46页
- 第47页
- 第48页
- 第49页
- 第50页
- 第51页
- 第52页
- 第53页
- 第54页
- 第55页
- 第56页
- 第57页
- 第58页
- 第59页
- 第60页
- 第61页
- 第62页
- 第63页
- 第64页
- 第65页
- 第66页
- 第67页
- 第68页
- 第69页
- 第70页
- 第71页
- 第72页
- 第73页
- 第74页
- 第75页
- 第76页
- 第77页
- 第78页
- 第79页
- 第80页
- 第81页
- 第82页
- 第83页
- 第84页
- 第85页
- 第86页
- 第87页
- 第88页
- 第89页
- 第90页
- 第91页
- 第92页
- 第93页
- 第94页
- 第95页
- 第96页
- 第97页
- 第98页
- 第99页
- 第100页
- 第101页
- 第102页
- 第103页
- 第104页
- 第105页
- 第106页
4. (2023·张家口期中)小刚同学用如图17 - 1 - 4所示电路探究“一段电路中电流跟电阻的关系”。在此实验过程中,当A、B两点间的电阻由5Ω更换为10Ω后,为了探究上述问题,他应该采取的唯一操作是( )

A. 保持滑动变阻器滑片不动
B. 将滑动变阻器滑片适当向左移动
C. 将滑动变阻器滑片适当向右移动
D. 将电池个数增加
A. 保持滑动变阻器滑片不动
B. 将滑动变阻器滑片适当向左移动
C. 将滑动变阻器滑片适当向右移动
D. 将电池个数增加
答案:
C
5. 如图17 - 1 - 5所示是研究电流与电压关系的电路图,在实验时应( )

A. 保持R₂滑片的位置不动
B. 保持R₂两端的电压不变
C. 保持R₁不变,调节R₂滑片到不同的适当位置
D. 保持电路中电流不变
A. 保持R₂滑片的位置不动
B. 保持R₂两端的电压不变
C. 保持R₁不变,调节R₂滑片到不同的适当位置
D. 保持电路中电流不变
答案:
C
6. 如图17 - 1 - 6所示是某同学连接的“探究电流跟电阻关系”实验的电路图,闭合开关S,可能出现的现象是( )

A. 两表的示数均为零
B. 电流表示数为零,电压表示数不为零
C. 两表指针迅速发生最大偏转,两表都损坏
D. 电流表、电压表均有正常的示数
A. 两表的示数均为零
B. 电流表示数为零,电压表示数不为零
C. 两表指针迅速发生最大偏转,两表都损坏
D. 电流表、电压表均有正常的示数
答案:
B
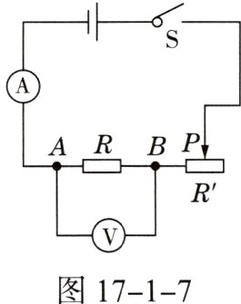
7. 在做“探究电流与电阻的关系”实验中,小翔连接了如图17 - 1 - 7所示的电路。他先在电路的A、B间接入10Ω的电阻,移动滑动变阻器的滑片,读出电压表与电流表的示数;记录数据后,改用15Ω电阻替换10Ω电阻,闭合开关,接下来他的实验操作应该是( )

A. 观察电压表,向右移动滑片,读取电流数据
B. 观察电流表,向右移动滑片,读取电压数据
C. 观察电压表,向左移动滑片,读取电流数据
D. 观察电流表,向左移动滑片,读取电压数据
A. 观察电压表,向右移动滑片,读取电流数据
B. 观察电流表,向右移动滑片,读取电压数据
C. 观察电压表,向左移动滑片,读取电流数据
D. 观察电流表,向左移动滑片,读取电压数据
答案:
A
8. (2023·石家庄十七中期中改编)用5Ω、10Ω、20Ω的三个定值电阻探究电流与电阻的关系,滑动变阻器规格是“30Ω 1A”,实验所用电源电压为6V。


(1)请用笔画线代替导线将图17 - 1 - 8甲电路连接完整(滑动变阻器的滑片向右移动时电流表示数变大)。
(2)连接电路时,开关要________,先将5Ω的定值电阻接入电路,闭合开关后,发现电流表有示数,电压表无示数,可能是定值电阻________。
(3)排除故障后进行实验,移动滑动变阻器的滑片,使电压表的示数如图乙所示,为________V,记录电流表的示数;断开开关,将5Ω的定值电阻换成10Ω,闭合开关,应将滑动变阻器的滑片向______(选填“左”或“右”)端移动。
(4)当接入20Ω的定值电阻时,无论怎样移动滑片,都不能使电压表示数达到这个电压值,你认为原因可能是滑动变阻器最大阻值太______(选填“大”或“小”)。
(5)根据实验数据描绘出电流I与电阻倒数$\frac{1}{R}$的图像如图丙所示,由图像可知,电压一定时,电流与电阻成______比。
(1)请用笔画线代替导线将图17 - 1 - 8甲电路连接完整(滑动变阻器的滑片向右移动时电流表示数变大)。
(2)连接电路时,开关要________,先将5Ω的定值电阻接入电路,闭合开关后,发现电流表有示数,电压表无示数,可能是定值电阻________。
(3)排除故障后进行实验,移动滑动变阻器的滑片,使电压表的示数如图乙所示,为________V,记录电流表的示数;断开开关,将5Ω的定值电阻换成10Ω,闭合开关,应将滑动变阻器的滑片向______(选填“左”或“右”)端移动。
(4)当接入20Ω的定值电阻时,无论怎样移动滑片,都不能使电压表示数达到这个电压值,你认为原因可能是滑动变阻器最大阻值太______(选填“大”或“小”)。
(5)根据实验数据描绘出电流I与电阻倒数$\frac{1}{R}$的图像如图丙所示,由图像可知,电压一定时,电流与电阻成______比。
答案:
(1)如图17-3所示
(2)断开 短路
(3)2 左
(4)小
(5)反

其中图17-3为包含电源、电流表、电压表、滑动变阻器、开关的电路图。
(1)如图17-3所示
(2)断开 短路
(3)2 左
(4)小
(5)反
其中图17-3为包含电源、电流表、电压表、滑动变阻器、开关的电路图。
查看更多完整答案,请扫码查看