2025年走向中考考场九年级物理全一册人教版河北专版
注:目前有些书本章节名称可能整理的还不是很完善,但都是按照顺序排列的,请同学们按照顺序仔细查找。练习册 2025年走向中考考场九年级物理全一册人教版河北专版 答案主要是用来给同学们做完题方便对答案用的,请勿直接抄袭。
第34页
- 第1页
- 第2页
- 第3页
- 第4页
- 第5页
- 第6页
- 第7页
- 第8页
- 第9页
- 第10页
- 第11页
- 第12页
- 第13页
- 第14页
- 第15页
- 第16页
- 第17页
- 第18页
- 第19页
- 第20页
- 第21页
- 第22页
- 第23页
- 第24页
- 第25页
- 第26页
- 第27页
- 第28页
- 第29页
- 第30页
- 第31页
- 第32页
- 第33页
- 第34页
- 第35页
- 第36页
- 第37页
- 第38页
- 第39页
- 第40页
- 第41页
- 第42页
- 第43页
- 第44页
- 第45页
- 第46页
- 第47页
- 第48页
- 第49页
- 第50页
- 第51页
- 第52页
- 第53页
- 第54页
- 第55页
- 第56页
- 第57页
- 第58页
- 第59页
- 第60页
- 第61页
- 第62页
- 第63页
- 第64页
- 第65页
- 第66页
- 第67页
- 第68页
- 第69页
- 第70页
- 第71页
- 第72页
- 第73页
- 第74页
- 第75页
- 第76页
- 第77页
- 第78页
- 第79页
- 第80页
- 第81页
- 第82页
- 第83页
- 第84页
- 第85页
- 第86页
- 第87页
- 第88页
- 第89页
- 第90页
- 第91页
- 第92页
- 第93页
- 第94页
- 第95页
- 第96页
- 第97页
- 第98页
- 第99页
- 第100页
- 第101页
- 第102页
- 第103页
- 第104页
- 第105页
- 第106页
1. 将两个电流表分别接入如图1甲所示的两个位置,此时电流表A₁和A₂的示数分别如图乙所示,则通过灯泡L₁、L₂的电流分别为( )
A. 0.24A 0.7A
B. 1.2A 0.7A
C. 0.24A 0.46A
D. 1.2A 0.14A
A. 0.24A 0.7A
B. 1.2A 0.7A
C. 0.24A 0.46A
D. 1.2A 0.14A
答案:
C
2. 在探究串联电路的电流规律时,电路如图2所示。闭合开关,用电流表测出A、B、C三处的电流为Iₐ、Iᵦ、Iₑ。关于它们的大小关系,正确的是( )
A. Iₐ=Iᵦ+Iₑ
B. Iₐ>Iᵦ>Iₑ
C. Iₐ=Iᵦ=Iₑ
D. Iₐ<Iᵦ<Iₑ
A. Iₐ=Iᵦ+Iₑ
B. Iₐ>Iᵦ>Iₑ
C. Iₐ=Iᵦ=Iₑ
D. Iₐ<Iᵦ<Iₑ
答案:
C
3. 在如图3甲所示的电路中,当闭合开关后,两个电流表指针偏转均为图乙所示,则灯泡L₁和L₂中的电流分别为( )
A. 0.24A 0.96A
B. 0.98A 0.22A
C. 0.96A 0.24A
D. 0.24A 1.2A
A. 0.24A 0.96A
B. 0.98A 0.22A
C. 0.96A 0.24A
D. 0.24A 1.2A
答案:
C
4. 如图4所示电路,探究并联电路中电流的关系。L₁与L₂是两个不同规格的小灯泡,闭合开关后,通过a、b、c、d四处电流的大小关系正确的是( )
A. Iₐ=Iᵦ
B. Iᵦ=Iₑ
C. Iᵦ=Iₑ
D. Iₐ=Iₑ
A. Iₐ=Iᵦ
B. Iᵦ=Iₑ
C. Iᵦ=Iₑ
D. Iₐ=Iₑ
答案:
D
5. 如图5所示,在探究“并联电路的电流规律”时,闭合开关S后,电流表A₁的示数是0.15A,电流表A₂的示数是0.25A,则电流表A的示数是( )
A. 0.4A
B. 0.25A
C. 0.15A
D. 0.1A
A. 0.4A
B. 0.25A
C. 0.15A
D. 0.1A
答案:
A
6. 如图6所示的电路,闭合开关后,两电流表的指针正常偏转且偏转角度相同,此时通过灯L₁和L₂的电流之比为( )
A. 1:5
B. 1:4
C. 5:1
D. 4:1
A. 1:5
B. 1:4
C. 5:1
D. 4:1
答案:
D
7. (2024·承德期末)如图7所示,闭合开关后,已知电流表A₁的示数为0.2A,电流表A₂的示数为0.5A,则下列分析正确的是( )
A. 灯泡L₁、L₂串联,通过灯泡L₁的电流为0.2A
B. 灯泡L₁、L₂并联,干路电流为0.7A
C. 灯泡L₁、L₂并联,通过灯泡L₂的电流为0.3A
D. 灯泡L₁、L₂并联,通过灯泡L₂的电流为0.5A
A. 灯泡L₁、L₂串联,通过灯泡L₁的电流为0.2A
B. 灯泡L₁、L₂并联,干路电流为0.7A
C. 灯泡L₁、L₂并联,通过灯泡L₂的电流为0.3A
D. 灯泡L₁、L₂并联,通过灯泡L₂的电流为0.5A
答案:
C
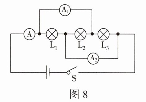
8. 如图8所示电路,当开关S闭合时,电流表A、A₁、A₂的示数分别为0.9A、0.7A、0.5A,则下列判断正确的是( )

A. 灯泡L₁、L₃发光,灯泡L₂不发光
B. 灯泡L₁、L₂、L₃发光,且为串联
C. 电流表A的示数等于电流表A₁与电流表A₂的示数之和
D. 通过灯泡L₁、L₂、L₃的电流分别为0.2A、0.3A、0.4A
A. 灯泡L₁、L₃发光,灯泡L₂不发光
B. 灯泡L₁、L₂、L₃发光,且为串联
C. 电流表A的示数等于电流表A₁与电流表A₂的示数之和
D. 通过灯泡L₁、L₂、L₃的电流分别为0.2A、0.3A、0.4A
答案:
D
查看更多完整答案,请扫码查看