第69页
- 第1页
- 第2页
- 第3页
- 第4页
- 第5页
- 第6页
- 第7页
- 第8页
- 第9页
- 第10页
- 第11页
- 第12页
- 第13页
- 第14页
- 第15页
- 第16页
- 第17页
- 第18页
- 第19页
- 第20页
- 第21页
- 第22页
- 第23页
- 第24页
- 第25页
- 第26页
- 第27页
- 第28页
- 第29页
- 第30页
- 第31页
- 第32页
- 第33页
- 第34页
- 第35页
- 第36页
- 第37页
- 第38页
- 第39页
- 第40页
- 第41页
- 第42页
- 第43页
- 第44页
- 第45页
- 第46页
- 第47页
- 第48页
- 第49页
- 第50页
- 第51页
- 第52页
- 第53页
- 第54页
- 第55页
- 第56页
- 第57页
- 第58页
- 第59页
- 第60页
- 第61页
- 第62页
- 第63页
- 第64页
- 第65页
- 第66页
- 第67页
- 第68页
- 第69页
- 第70页
- 第71页
- 第72页
- 第73页
- 第74页
- 第75页
- 第76页
- 第77页
- 第78页
- 第79页
- 第80页
- 第81页
- 第82页
- 第83页
- 第84页
- 第85页
- 第86页
- 第87页
- 第88页
- 第89页
- 第90页
- 第91页
- 第92页
- 第93页
- 第94页
- 第95页
- 第96页
- 第97页
- 第98页
- 第99页
- 第100页
- 第101页
- 第102页
- 第103页
- 第104页
- 第105页
- 第106页
- 第107页
- 第108页
- 第109页
- 第110页
- 第111页
- 第112页
- 第113页
- 第114页
- 第115页
- 第116页
- 第117页
- 第118页
- 第119页
- 第120页
- 第121页
- 第122页
4. (2024·北京)图4所示是小成测量未知电阻$R_x$的实验电路,电源电压保持不变,其中$R_0$为阻值已知的定值电阻。当S闭合,电压表$V_1$的示数用$U_1$表示,电压表$V_2$的示数用$U_2$表示,则$R_x$的表达式正确的是 (

A.$\frac{U_2}{U_1 + U_2}R_0$
B.$\frac{U_1}{U_1 + U_2}R_0$
C.$\frac{U_1}{U_2}R_0$
D.$\frac{U_2}{U_1}R_0$
D
)A.$\frac{U_2}{U_1 + U_2}R_0$
B.$\frac{U_1}{U_1 + U_2}R_0$
C.$\frac{U_1}{U_2}R_0$
D.$\frac{U_2}{U_1}R_0$
答案:
D
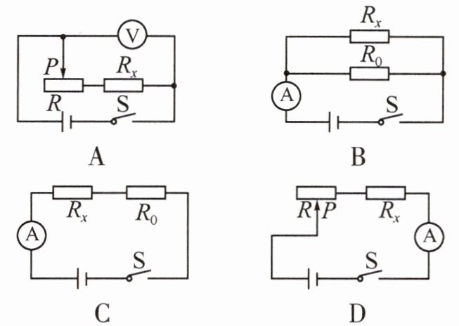
5. (2024·苏州)下列电路中,电源电压均保持不变,$R_0$为阻值已知的定值电阻,R为最大阻值已知的滑动变阻器,其中能够测出待测电阻$R_x$阻值的是 (

D
)
答案:
D
6. (2024·泰州)为利用阻值已知的电阻$R_0$和一只电流表或一只电压表,测出未知电阻$R_x$的阻值,某实验小组设计了如图5所示的四个电路(电源电压未知),其中不可行的是 (


A.甲、乙
B.甲、丙
C.乙、丁
D.乙、丙
B
)A.甲、乙
B.甲、丙
C.乙、丁
D.乙、丙
答案:
B
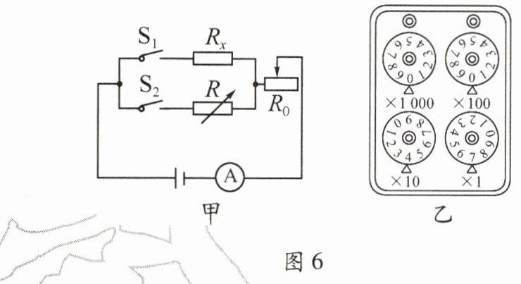
7. (2024·马鞍山)用如图6甲所示的电路可以测量一个未知电阻的阻值,其中$R_x$为待测电阻,R为电阻箱,$R_0$为滑动变阻器。小明利用该电路进行实验,主要实验步骤如下:

A. 保持滑动变阻器$R_0$的滑片位置不变,将电阻箱的阻值调到最大,只闭合开关$S_2$,调节电阻箱,使电流表的示数为$I$
B. 读出电阻箱的示数R
C. 只闭合开关$S_1$,移动滑动变阻器$R_0$的滑片,使其部分电阻接入电路,读出电流表的示数$I$
D. 根据电路图连接实物电路时,移动滑动变阻器$R_0$的滑片,使其接入电路的阻值最大
(1)上述实验步骤的合理顺序是
(2)电阻箱调节好后的示数如图6乙所示,则待测电阻的阻值为
(3)本实验运用的物理研究方法为
A. 保持滑动变阻器$R_0$的滑片位置不变,将电阻箱的阻值调到最大,只闭合开关$S_2$,调节电阻箱,使电流表的示数为$I$
B. 读出电阻箱的示数R
C. 只闭合开关$S_1$,移动滑动变阻器$R_0$的滑片,使其部分电阻接入电路,读出电流表的示数$I$
D. 根据电路图连接实物电路时,移动滑动变阻器$R_0$的滑片,使其接入电路的阻值最大
(1)上述实验步骤的合理顺序是
DCAB
(填字母序号)。(2)电阻箱调节好后的示数如图6乙所示,则待测电阻的阻值为
47
Ω。(3)本实验运用的物理研究方法为
等效替代法
(选填“控制变量法”或“等效替代法”)。
答案:
DCAB; 47; 等效替代法
查看更多完整答案,请扫码查看