第35页
- 第1页
- 第2页
- 第3页
- 第4页
- 第5页
- 第6页
- 第7页
- 第8页
- 第9页
- 第10页
- 第11页
- 第12页
- 第13页
- 第14页
- 第15页
- 第16页
- 第17页
- 第18页
- 第19页
- 第20页
- 第21页
- 第22页
- 第23页
- 第24页
- 第25页
- 第26页
- 第27页
- 第28页
- 第29页
- 第30页
- 第31页
- 第32页
- 第33页
- 第34页
- 第35页
- 第36页
- 第37页
- 第38页
- 第39页
- 第40页
- 第41页
- 第42页
- 第43页
- 第44页
- 第45页
- 第46页
- 第47页
- 第48页
- 第49页
- 第50页
- 第51页
- 第52页
- 第53页
- 第54页
- 第55页
- 第56页
- 第57页
- 第58页
- 第59页
- 第60页
- 第61页
- 第62页
- 第63页
- 第64页
- 第65页
- 第66页
- 第67页
- 第68页
- 第69页
- 第70页
- 第71页
- 第72页
- 第73页
- 第74页
- 第75页
- 第76页
- 第77页
- 第78页
- 第79页
- 第80页
- 第81页
- 第82页
- 第83页
- 第84页
- 第85页
- 第86页
- 第87页
- 第88页
- 第89页
- 第90页
- 第91页
- 第92页
- 第93页
- 第94页
- 第95页
- 第96页
- 第97页
- 第98页
- 第99页
- 第100页
- 第101页
- 第102页
- 第103页
- 第104页
- 第105页
- 第106页
- 第107页
- 第108页
- 第109页
- 第110页
- 第111页
- 第112页
- 第113页
- 第114页
- 第115页
- 第116页
- 第117页
- 第118页
- 第119页
- 第120页
- 第121页
- 第122页
16. 请根据如图15甲所示的电路图,将如图15乙所示的实物电路连接完整(要求:导线不允许交叉)。

答案:

17. 请根据如图16所示的实物电路,在右边的虚线方框内画出对应的电路图。

答案:
1. 小华有一发光棒,闭合开关,棒中的众小灯齐发光;一段时间后,其中一小灯熄灭,如图17所示。请根据该小灯熄灭的原因判断众小灯的电路连接方式:若该小灯处短路,则众小灯

串
联;若该小灯处断路,则众小灯 并
联。小华想进一步确定小灯的连接方式,她取出其中一个小灯,此时所有的小灯都不发光,说明发光棒中的众小灯是 串
联的。
答案:
串; 并; 串
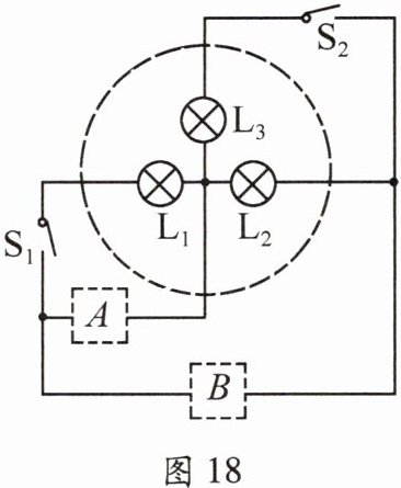
2. (2024·黄石)如图18所示是一种会变色的灯组结构示意图(虚线圆圈内有三个LED灯),已知L₁、L₂和L₃分别为红灯、绿灯和蓝灯。要使L₁、L₂、L₃三灯都能正常工作且互不影响,则三灯应

并
联,且应在 A
(选填“A”或“B”)处接入电源,另一处接入开关S₃。
答案:
并; A
3. (2023·旬邑)关于如图19所示的电路,下列判断正确的是 (

A.只闭合开关S₁时,灯泡L₁、L₃并联
B.只闭合开关S₂时,灯泡L₂、L₃并联
C.闭合开关S₂、S₃时,灯泡L₁、L₃串联
D.闭合所有开关时,灯泡L₁、L₂并联,灯泡L₃短路
D
)A.只闭合开关S₁时,灯泡L₁、L₃并联
B.只闭合开关S₂时,灯泡L₂、L₃并联
C.闭合开关S₂、S₃时,灯泡L₁、L₃串联
D.闭合所有开关时,灯泡L₁、L₂并联,灯泡L₃短路
答案:
D
4. 关于如图20所示的电路,下列分析正确的是 (

A.要使L₁、L₂、L₃串联,则S₁、S₂、S₃均应闭合
B.要使L₁、L₂、L₃并联,则S₁、S₂、S₃均应闭合
C.若只需L₂发光,应闭合S₁和S₂,断开S₃
D.若只需L₃发光,应闭合S₁和S₂,断开S₃
B
)A.要使L₁、L₂、L₃串联,则S₁、S₂、S₃均应闭合
B.要使L₁、L₂、L₃并联,则S₁、S₂、S₃均应闭合
C.若只需L₂发光,应闭合S₁和S₂,断开S₃
D.若只需L₃发光,应闭合S₁和S₂,断开S₃
答案:
B
查看更多完整答案,请扫码查看