第58页
- 第1页
- 第2页
- 第3页
- 第4页
- 第5页
- 第6页
- 第7页
- 第8页
- 第9页
- 第10页
- 第11页
- 第12页
- 第13页
- 第14页
- 第15页
- 第16页
- 第17页
- 第18页
- 第19页
- 第20页
- 第21页
- 第22页
- 第23页
- 第24页
- 第25页
- 第26页
- 第27页
- 第28页
- 第29页
- 第30页
- 第31页
- 第32页
- 第33页
- 第34页
- 第35页
- 第36页
- 第37页
- 第38页
- 第39页
- 第40页
- 第41页
- 第42页
- 第43页
- 第44页
- 第45页
- 第46页
- 第47页
- 第48页
- 第49页
- 第50页
- 第51页
- 第52页
- 第53页
- 第54页
- 第55页
- 第56页
- 第57页
- 第58页
- 第59页
- 第60页
- 第61页
- 第62页
- 第63页
- 第64页
- 第65页
- 第66页
- 第67页
- 第68页
- 第69页
- 第70页
- 第71页
- 第72页
- 第73页
- 第74页
- 第75页
- 第76页
- 第77页
- 第78页
- 第79页
- 第80页
- 第81页
- 第82页
- 第83页
- 第84页
- 第85页
- 第86页
- 第87页
- 第88页
- 第89页
- 第90页
- 第91页
- 第92页
- 第93页
- 第94页
- 第95页
- 第96页
- 第97页
- 第98页
- 第99页
- 第100页
- 第101页
- 第102页
- 第103页
- 第104页
- 第105页
- 第106页
- 第107页
- 第108页
- 第109页
- 第110页
- 第111页
- 第112页
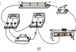
9.图7是小明用3节新干电池做“探究电流与电压关系”的实验时所连接的实物图。

(1)①将图中的滑动变阻器阻值调到最大,试触开关时,会看到的现象是电压表
②图中有一根导线接错了,请在错误处画“×”,并在图上改正。
(2)改正错误后,小明测量了几组电压和电流的值,如下表所示:

分析数据得出的结论是:
_。他使用的研究方法是
(1)①将图中的滑动变阻器阻值调到最大,试触开关时,会看到的现象是电压表
示数接近4.5V
,电流表无示数
;②图中有一根导线接错了,请在错误处画“×”,并在图上改正。
(2)改正错误后,小明测量了几组电压和电流的值,如下表所示:
分析数据得出的结论是:
导体的电阻一定时,通过导体的电流与导体两端的电压成正比
_。他使用的研究方法是
控制变量
法。
答案:
9.
(1)①示数接近4.5V 无示数
②
(2)导体的电阻一定时,通过导体的电流与导体两端的电压成正比 控制变量
9.
(1)①示数接近4.5V 无示数
②
(2)导体的电阻一定时,通过导体的电流与导体两端的电压成正比 控制变量
10.在“探究电流与电压、电阻关系”的实验中,某物理实验小组选用$5 \Omega$、$10 \Omega$、$15 \Omega$的三个电阻,电压恒为$6 V$的电源,“$40 \Omega 1 A$”的滑动变阻器等器材,设计了如图8甲所示的实验电路,并连接好电路如图8乙所示。

(1)实验思路:实验中保持
(2)进行实验并收集数据:将数据记录在下表中,当电压表示数为$2.8 V$时,如图8丙所示,电流表示数为

(3)处理数据:观察数据,发现电压和电流的变化存在某种比例关系,但其中有一组数据和其他组数据相比偏差较大,该组数据是第
_。
(4)改正数据后,根据实验数据可得出结论:
_。
(1)实验思路:实验中保持
电阻
不变,利用滑动变阻器
改变电阻两端的电压,记录电路中的电流。(2)进行实验并收集数据:将数据记录在下表中,当电压表示数为$2.8 V$时,如图8丙所示,电流表示数为
0.28
A。(3)处理数据:观察数据,发现电压和电流的变化存在某种比例关系,但其中有一组数据和其他组数据相比偏差较大,该组数据是第
1
次实验的。仔细观察这组数据,错误原因是读数时选错了测量范围
_。
(4)改正数据后,根据实验数据可得出结论:
在电阻一定时,通过导体的电流跟导体两端电压成正比
_。
答案:
10.
(1)电阻 滑动变阻器
(2)0.28
(3)1 读数时选错了测量范围
(4)在电阻一定时,通过导体的电流跟导体两端电压成正比
(1)电阻 滑动变阻器
(2)0.28
(3)1 读数时选错了测量范围
(4)在电阻一定时,通过导体的电流跟导体两端电压成正比
查看更多完整答案,请扫码查看