2025年步步高精准讲练物理选择性必修第二册
注:目前有些书本章节名称可能整理的还不是很完善,但都是按照顺序排列的,请同学们按照顺序仔细查找。练习册 2025年步步高精准讲练物理选择性必修第二册 答案主要是用来给同学们做完题方便对答案用的,请勿直接抄袭。
第79页
- 第1页
- 第2页
- 第3页
- 第4页
- 第5页
- 第6页
- 第7页
- 第8页
- 第9页
- 第10页
- 第11页
- 第12页
- 第13页
- 第14页
- 第15页
- 第16页
- 第17页
- 第18页
- 第19页
- 第20页
- 第21页
- 第22页
- 第23页
- 第24页
- 第25页
- 第26页
- 第27页
- 第28页
- 第29页
- 第30页
- 第31页
- 第32页
- 第33页
- 第34页
- 第35页
- 第36页
- 第37页
- 第38页
- 第39页
- 第40页
- 第41页
- 第42页
- 第43页
- 第44页
- 第45页
- 第46页
- 第47页
- 第48页
- 第49页
- 第50页
- 第51页
- 第52页
- 第53页
- 第54页
- 第55页
- 第56页
- 第57页
- 第58页
- 第59页
- 第60页
- 第61页
- 第62页
- 第63页
- 第64页
- 第65页
- 第66页
- 第67页
- 第68页
- 第69页
- 第70页
- 第71页
- 第72页
- 第73页
- 第74页
- 第75页
- 第76页
- 第77页
- 第78页
- 第79页
- 第80页
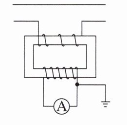
【例 4】
电位器是一种常见的电子元件,它通常由电阻体和可转动的电刷组成,如图所示。可以改变电位器上的连接点位置,从而改变电路中的电位差或电阻值,则当电位器的

A.1、2 连接点接入电路时,顺时针转动电刷,电阻减小
B.1、3 连接点接入电路时,顺时针转动电刷,电阻减小
C.1、3 连接点作为输入端,1、2 连接点作为输出端,顺时针转动电刷,输出电压增大
D.1、3 连接点作为输入端,1、2 连接点作为输出端,顺时针转动电刷,输出电压减小
电位器是一种常见的电子元件,它通常由电阻体和可转动的电刷组成,如图所示。可以改变电位器上的连接点位置,从而改变电路中的电位差或电阻值,则当电位器的
A.1、2 连接点接入电路时,顺时针转动电刷,电阻减小
B.1、3 连接点接入电路时,顺时针转动电刷,电阻减小
C.1、3 连接点作为输入端,1、2 连接点作为输出端,顺时针转动电刷,输出电压增大
D.1、3 连接点作为输入端,1、2 连接点作为输出端,顺时针转动电刷,输出电压减小
答案:
例4 C [由题图可知,1、2连接点接入电路时,顺时针转动电刷,电阻增大;1、3连接点接入电路时,顺时针转动电刷,无法改变电位器接入电路中的阻值,电阻不变,故A、B错误;1、3连接点作为输入端,1、2连接点作为输出端时,电位器相当于自耦变压器,故顺时针转动电刷时,相当于输入端线圈匝数不变,输出端线圈匝数变大,由电压与匝数成正比可知,输出电压增大,故C正确,D错误。]
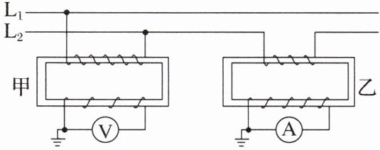
【例 5】(多选)
如图所示,$L_{1}$和$L_{2}$是不计电阻的输电线,甲是电压互感器,乙是电流互感器。若已知甲的原、副线圈电压比为$200:1$,乙的原、副线圈电流比为$50:1$,并且已知加在电压表两端的电压为 220 V,通过电流表的电流为 2 A,则下列说法正确的是(

A.输电线的输送功率为$4.4×10^{6}\ W$
B.输电线的输送功率为$4.4×10^{5}\ W$
C.电压互感器原线圈导线比副线圈导线要粗
D.电流互感器原线圈导线比副线圈导线要粗
如图所示,$L_{1}$和$L_{2}$是不计电阻的输电线,甲是电压互感器,乙是电流互感器。若已知甲的原、副线圈电压比为$200:1$,乙的原、副线圈电流比为$50:1$,并且已知加在电压表两端的电压为 220 V,通过电流表的电流为 2 A,则下列说法正确的是(
AD
)A.输电线的输送功率为$4.4×10^{6}\ W$
B.输电线的输送功率为$4.4×10^{5}\ W$
C.电压互感器原线圈导线比副线圈导线要粗
D.电流互感器原线圈导线比副线圈导线要粗
答案:
AD [已知甲的变压比为$200:1$,电压表示数为$220V$,故传输电压为$U=220×200V=4.4×10^4V$,已知乙的变流比为$50:1$,电流表示数为$2A$,故传输电流为$I=2×50A=100A$,故输电线的输送功率为$P=UI=4.4×10^4×100W=4.4×10^6W$,B错误,A正确;电压互感器原线圈电压高,副线圈电压低,根据功率相等可知原线圈的电流小,副线圈的电流大,故原线圈导线比副线圈导线要细,C错误;电流互感器中副线圈的电流比原线圈的电流要小,所以电流互感器原线圈导线比副线圈导线要粗,D正确。]
查看更多完整答案,请扫码查看