第87页
- 第1页
- 第2页
- 第3页
- 第4页
- 第5页
- 第6页
- 第7页
- 第8页
- 第9页
- 第10页
- 第11页
- 第12页
- 第13页
- 第14页
- 第15页
- 第16页
- 第17页
- 第18页
- 第19页
- 第20页
- 第21页
- 第22页
- 第23页
- 第24页
- 第25页
- 第26页
- 第27页
- 第28页
- 第29页
- 第30页
- 第31页
- 第32页
- 第33页
- 第34页
- 第35页
- 第36页
- 第37页
- 第38页
- 第39页
- 第40页
- 第41页
- 第42页
- 第43页
- 第44页
- 第45页
- 第46页
- 第47页
- 第48页
- 第49页
- 第50页
- 第51页
- 第52页
- 第53页
- 第54页
- 第55页
- 第56页
- 第57页
- 第58页
- 第59页
- 第60页
- 第61页
- 第62页
- 第63页
- 第64页
- 第65页
- 第66页
- 第67页
- 第68页
- 第69页
- 第70页
- 第71页
- 第72页
- 第73页
- 第74页
- 第75页
- 第76页
- 第77页
- 第78页
- 第79页
- 第80页
- 第81页
- 第82页
- 第83页
- 第84页
- 第85页
- 第86页
- 第87页
- 第88页
- 第89页
- 第90页
- 第91页
- 第92页
- 第93页
- 第94页
- 第95页
- 第96页
- 第97页
- 第98页
- 第99页
- 第100页
- 第101页
- 第102页
- 第103页
- 第104页
- 第105页
- 第106页
- 第107页
- 第108页
- 第109页
- 第110页
- 第111页
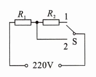
1. (乐山市中考)如图所示是电饭锅的电路图,$R_{1}$是一个电阻,$R_{2}$是加热用的电阻丝,则自动开关S闭合时,电饭锅处于
]

加热
(选填“加热”或“保温”)状态。一只额定功率是450W的电饭锅,在额定电压下使用,每分钟产生的热量为2.7×10⁴
J。]
答案:
加热 2.7×10⁴
2. 小亮在家煲汤时使用的电饭煲的部分参数如下表所示,其简化电路如图所示,$R_{1}$、$R_{2}$均是发热电阻(阻值不随温度变化),欲将质量为1kg,初温为20℃的汤加热至100℃,设此汤的比热容为$c_{汤}= 4.0×10^{3}J/(kg\cdot ^{\circ }C)$。求:


(1)汤需要吸收的热量;
(2)利用电饭煲高温挡煲汤时,电饭煲正常工作且不考虑热损耗,则需要多少时间?
(3)$R_{2}$的阻值为多少?
(1)汤需要吸收的热量;
(2)利用电饭煲高温挡煲汤时,电饭煲正常工作且不考虑热损耗,则需要多少时间?
(3)$R_{2}$的阻值为多少?
答案:
(1)解:汤需要吸收的热量:Q吸=c汤m(t-t₀)=4.0×10³J/(kg·℃)×1kg×(100℃-20℃)=3.2×10⁵J;
(2)不考虑热损耗:W=Q吸=3.2×10⁵J,加热需要的时间:t=W/P高=3.2×10⁵J/500W=640s;
(3)当开关S接1时,R₁,R₂串联,此时电路总电阻最大,此时电路功率最小,处于低温挡,则R₁,R₂的总电阻为R₁+R₂=U²/P低=(220V)²/48.4W=1000Ω;当开关S接2时,R₂被断路,电路只有R₁工作,此时电路总电阻最小,为高温挡,由P=U²/R可知,电阻R₁的阻值:R₁=U²/P高=(220V)²/500W=96.8Ω,则电阻R₂阻值:R₂=1000Ω-96.8Ω=903.2Ω。
(1)解:汤需要吸收的热量:Q吸=c汤m(t-t₀)=4.0×10³J/(kg·℃)×1kg×(100℃-20℃)=3.2×10⁵J;
(2)不考虑热损耗:W=Q吸=3.2×10⁵J,加热需要的时间:t=W/P高=3.2×10⁵J/500W=640s;
(3)当开关S接1时,R₁,R₂串联,此时电路总电阻最大,此时电路功率最小,处于低温挡,则R₁,R₂的总电阻为R₁+R₂=U²/P低=(220V)²/48.4W=1000Ω;当开关S接2时,R₂被断路,电路只有R₁工作,此时电路总电阻最小,为高温挡,由P=U²/R可知,电阻R₁的阻值:R₁=U²/P高=(220V)²/500W=96.8Ω,则电阻R₂阻值:R₂=1000Ω-96.8Ω=903.2Ω。
3. (达州市中考)如图所示是某品牌电热毯内部电路简化图,该电热毯具有高低两挡加热功能,下列说法正确的是(

A.只闭合开关$S_{1}$时,电路处于高温挡
B.只闭合开关$S_{2}$时,电路处于低温挡
C.同时闭合开关$S_{1}$、$S_{2}$时,电路处于高温挡
D.同时闭合开关$S_{1}$、$S_{2}$时,电路处于低温挡
]
C
)A.只闭合开关$S_{1}$时,电路处于高温挡
B.只闭合开关$S_{2}$时,电路处于低温挡
C.同时闭合开关$S_{1}$、$S_{2}$时,电路处于高温挡
D.同时闭合开关$S_{1}$、$S_{2}$时,电路处于低温挡
]
答案:
C
4. 一款便携式可折叠电热壶,额定电压为220V。电热壶具有加热、保温两挡,保温挡的额定功率为110W,内部简化电路如图所示,当双触点开关接触1和2时为关闭状态,接触2和3时为保温挡,接触3和4时为加热挡。$R_{1}$、$R_{2}$是两个阻值不变的发热元件,$R_{2}= 48.4Ω$,现将电热壶接到220V的家庭电路中,求:
(1)$R_{1}$的阻值;
(2)加热挡的电功率;
(3)若电热壶内装有0.5kg的水,现用加热挡使水从25℃升高到100℃,加热效率为63%,则需要工作多少秒。$[c_{水}= 4.2×10^{3}J/(kg\cdot ^{\circ }C)$,结果保留一位小数]
]

(1)$R_{1}$的阻值;
(2)加热挡的电功率;
(3)若电热壶内装有0.5kg的水,现用加热挡使水从25℃升高到100℃,加热效率为63%,则需要工作多少秒。$[c_{水}= 4.2×10^{3}J/(kg\cdot ^{\circ }C)$,结果保留一位小数]
]
答案:
(1)解:由P=U²/R知,R₁=U²/P₁=(220V)²/110W=440Ω;
(2)当双触点开关接触3和4时,处于加热挡,此时电阻R₁、R₂并联,则P₂=U²/R₂=(220V)²/48.4Ω=1000W,P加=110W+1000W=1110W;
(3)由Q吸=cmΔt知,Q吸=c水mΔt=4.2×10³J/(kg·℃)×0.5kg×(100℃-25℃)=1.575×10⁵J,由η=Q吸/W知,W=Q吸/η=1.575×10⁵J/63%=2.5×10⁵J,t=W/P加=2.5×10⁵J/1110W≈225.2s。
(1)解:由P=U²/R知,R₁=U²/P₁=(220V)²/110W=440Ω;
(2)当双触点开关接触3和4时,处于加热挡,此时电阻R₁、R₂并联,则P₂=U²/R₂=(220V)²/48.4Ω=1000W,P加=110W+1000W=1110W;
(3)由Q吸=cmΔt知,Q吸=c水mΔt=4.2×10³J/(kg·℃)×0.5kg×(100℃-25℃)=1.575×10⁵J,由η=Q吸/W知,W=Q吸/η=1.575×10⁵J/63%=2.5×10⁵J,t=W/P加=2.5×10⁵J/1110W≈225.2s。
查看更多完整答案,请扫码查看