第107页
- 第1页
- 第2页
- 第3页
- 第4页
- 第5页
- 第6页
- 第7页
- 第8页
- 第9页
- 第10页
- 第11页
- 第12页
- 第13页
- 第14页
- 第15页
- 第16页
- 第17页
- 第18页
- 第19页
- 第20页
- 第21页
- 第22页
- 第23页
- 第24页
- 第25页
- 第26页
- 第27页
- 第28页
- 第29页
- 第30页
- 第31页
- 第32页
- 第33页
- 第34页
- 第35页
- 第36页
- 第37页
- 第38页
- 第39页
- 第40页
- 第41页
- 第42页
- 第43页
- 第44页
- 第45页
- 第46页
- 第47页
- 第48页
- 第49页
- 第50页
- 第51页
- 第52页
- 第53页
- 第54页
- 第55页
- 第56页
- 第57页
- 第58页
- 第59页
- 第60页
- 第61页
- 第62页
- 第63页
- 第64页
- 第65页
- 第66页
- 第67页
- 第68页
- 第69页
- 第70页
- 第71页
- 第72页
- 第73页
- 第74页
- 第75页
- 第76页
- 第77页
- 第78页
- 第79页
- 第80页
- 第81页
- 第82页
- 第83页
- 第84页
- 第85页
- 第86页
- 第87页
- 第88页
- 第89页
- 第90页
- 第91页
- 第92页
- 第93页
- 第94页
- 第95页
- 第96页
- 第97页
- 第98页
- 第99页
- 第100页
- 第101页
- 第102页
- 第103页
- 第104页
- 第105页
- 第106页
- 第107页
- 第108页
- 第109页
- 第110页
- 第111页
- 第112页
- 第113页
- 第114页
- 第115页
- 第116页
- 第117页
- 第118页
- 第119页
- 第120页
- 第121页
- 第122页
- 第123页
- 第124页
- 第125页
- 第126页
- 第127页
- 第128页
- 第129页
- 第130页
- 第131页
- 第132页
- 第133页
- 第134页
- 第135页
- 第136页
- 第137页
- 第138页
- 第139页
- 第140页
- 第141页
- 第142页
- 第143页
- 第144页
- 第145页
- 第146页
- 第147页
- 第148页
- 第149页
- 第150页
- 第151页
- 第152页
- 第153页
- 第154页
- 第155页
- 第156页
- 第157页
- 第158页
- 第159页
- 第160页
- 第161页
- 第162页
- 第163页
- 第164页
- 第165页
- 第166页
- 第167页
- 第168页
- 第169页
- 第170页
- 第171页
- 第172页
- 第173页
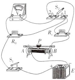
22.(12分)物理课外实验小组,用如图甲所示的电路来测量待测电阻R_x的阻值.其中,R₀为定值电阻(R₀= 10Ω),V为电压表,S_1为单刀开关,S_2为单刀双掷开关,R为滑动变阻器,E为电源,采用如下步骤完成该实验:

(1)按照实验电路图,用笔画线表示导线将实物进行连线,组成完整电路(部分导线已连接).
(2)在连线时开关S_1应____(填"断开"或"闭合"),滑动变阻器的滑片P应移到____(填"A"或"B")端.
(3)闭合开关S_1,将开关S_2掷于1端,改变滑动变阻器滑片P的位置,记下此时电压表V的示数U_1;然后,将开关S_2掷于2端,记下此时电压表V的示数U_2.待测电阻阻值的表达式R_x= ____(用R₀、U_1、U_2表示).
(4)重复步骤(3)的实验操作,得到数据记录表.利用表中5次测量的数据,可得$\frac{U_2}{U_1}$的平均值为____,待测电阻的阻值R_x= ____Ω.
(1)按照实验电路图,用笔画线表示导线将实物进行连线,组成完整电路(部分导线已连接).
(2)在连线时开关S_1应____(填"断开"或"闭合"),滑动变阻器的滑片P应移到____(填"A"或"B")端.
(3)闭合开关S_1,将开关S_2掷于1端,改变滑动变阻器滑片P的位置,记下此时电压表V的示数U_1;然后,将开关S_2掷于2端,记下此时电压表V的示数U_2.待测电阻阻值的表达式R_x= ____(用R₀、U_1、U_2表示).
(4)重复步骤(3)的实验操作,得到数据记录表.利用表中5次测量的数据,可得$\frac{U_2}{U_1}$的平均值为____,待测电阻的阻值R_x= ____Ω.
答案:
(1)如图所示
(2)断开 B
(3)(U₂ - U₁)/U₁R₀
(4)3 20 解析:
(1)电压表的负接线柱接单刀双掷开关中间的接线柱,定值电阻的右端接单刀双掷开关的1接线柱。
(2)连接电路时,开关要断开;滑动变阻器要移到阻值最大处,即滑片P移动到B端。
(3)R₀和Rₓ串联,单刀双掷开关的选择不影响电阻的串联关系。闭合开关S₁,将开关S₂掷于1端,此时电压表测R₀两端的电压,R₀两端的电压为U₁;然后,将开关S₂掷于2端,此时电压表测R₀和Rₓ两端的总电压,R₀和Rₓ两端的总电压为U₂,根据串联电阻的电压关系可知,Rₓ两端的电压Uₓ = U₂ - U₁,因为两电阻串联,所以通过Rₓ的电流等于通过R₀的电流Iₓ = I₀ = U₁/R₀,由欧姆定律可得,Rₓ的阻值Rₓ = Uₓ/Iₓ = (U₂ - U₁)/U₁R₀。
(4)由表中数据可得U₂/U₁的平均值为(3 + 3 + 3.1 + 3 + 2.9)/5 = 3,由于R₀和Rₓ串联,R₀两端的电压为U₁,R₀和Rₓ两端的总电压为U₂,由串联电路分压原理可得U₁/U₂ = R₀/(R₀ + Rₓ),又因为U₂/U₁的平均值为3,且R₀ = 10Ω,所以待测电阻的阻值Rₓ = 20Ω。
(1)如图所示
(2)断开 B
(3)(U₂ - U₁)/U₁R₀
(4)3 20 解析:
(1)电压表的负接线柱接单刀双掷开关中间的接线柱,定值电阻的右端接单刀双掷开关的1接线柱。
(2)连接电路时,开关要断开;滑动变阻器要移到阻值最大处,即滑片P移动到B端。
(3)R₀和Rₓ串联,单刀双掷开关的选择不影响电阻的串联关系。闭合开关S₁,将开关S₂掷于1端,此时电压表测R₀两端的电压,R₀两端的电压为U₁;然后,将开关S₂掷于2端,此时电压表测R₀和Rₓ两端的总电压,R₀和Rₓ两端的总电压为U₂,根据串联电阻的电压关系可知,Rₓ两端的电压Uₓ = U₂ - U₁,因为两电阻串联,所以通过Rₓ的电流等于通过R₀的电流Iₓ = I₀ = U₁/R₀,由欧姆定律可得,Rₓ的阻值Rₓ = Uₓ/Iₓ = (U₂ - U₁)/U₁R₀。
(4)由表中数据可得U₂/U₁的平均值为(3 + 3 + 3.1 + 3 + 2.9)/5 = 3,由于R₀和Rₓ串联,R₀两端的电压为U₁,R₀和Rₓ两端的总电压为U₂,由串联电路分压原理可得U₁/U₂ = R₀/(R₀ + Rₓ),又因为U₂/U₁的平均值为3,且R₀ = 10Ω,所以待测电阻的阻值Rₓ = 20Ω。
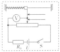
23.(16分)某兴趣小组为检测操场上的风力等级,设计了一台简易风速仪,其工作原理如图甲所示.装有挡风板和滑片P的轻质滑块与轻质弹簧套在滑杆MN上,滑杆上的摩擦力忽略不计,弹簧左端固定,右端与滑块相连.挡风板的挡风面积为$0.2m^2,$均匀电阻丝AB长30cm,阻值为15Ω,
复习提优卷02-5
电源电压U恒为9V,保护电阻R₀为3Ω,电压表量程0~3V.弹簧弹力F与弹簧长度改变量x的关系如图乙所示.无风时,滑片P在A处,有风时,滑块移动,稳定后读出电压表示数,计算并查阅下表数据可知风速及风级.

(1)无风时,求通过R₀的电流.
(2)为保护电路安全,求出风速仪所测最大风力等级为几级.
(3)某日从天气预报得知,第二天风力等级将会达到五级,风速v预计为10m/s,在原有电路元件和电路基本连接方式均不变的基础上,电路将如何改进?在图丙的虚线框内将电路补充完整.小组成员还想计算出电路改进后电压表的示数,经查阅资料后得知,该挡风板所受的风压与风速的平方成正比,其关系式为$p = kv^2($其中k为常量,数值为0.6),假设你为该小组成员,请你计算出风速为10m/s时,改进后的电路中电压表的示数.
复习提优卷02-5
电源电压U恒为9V,保护电阻R₀为3Ω,电压表量程0~3V.弹簧弹力F与弹簧长度改变量x的关系如图乙所示.无风时,滑片P在A处,有风时,滑块移动,稳定后读出电压表示数,计算并查阅下表数据可知风速及风级.
(1)无风时,求通过R₀的电流.
(2)为保护电路安全,求出风速仪所测最大风力等级为几级.
(3)某日从天气预报得知,第二天风力等级将会达到五级,风速v预计为10m/s,在原有电路元件和电路基本连接方式均不变的基础上,电路将如何改进?在图丙的虚线框内将电路补充完整.小组成员还想计算出电路改进后电压表的示数,经查阅资料后得知,该挡风板所受的风压与风速的平方成正比,其关系式为$p = kv^2($其中k为常量,数值为0.6),假设你为该小组成员,请你计算出风速为10m/s时,改进后的电路中电压表的示数.
答案:
(1)0.5A
(2)四级
(3)电路见解析图 1.5V 解析:
(1)因电压表接在滑片上且电压表在电路中相当于断路,所以电流要流经全部电阻丝,在滑片P左移的过程中,始终是全部电阻丝与电阻R₀串联,所以电路的总电阻不变;无论有风还是无风时,滑动变阻器接入电路的阻值均为15Ω,通过R₀的电流I = U/(R₀ + R_p) = 9V/(3Ω + 15Ω) = 0.5A。
(2)由图可知,风力越大,电压表测量部分电阻越长,电压表示数越大,电压表最大电压U_max = 3V;滑动变阻器分到电压U_p = IR_p = 0.5A×15Ω = 7.5V,当电压表示数最大时,滑片移动距离L = U_max/U_p×L_AB = 3V/7.5V×30cm = 12cm,由图乙可得,弹簧产生的弹力F = 6N,此时的风压p = F_风/S = F_弹/S = 6N/0.2m² = 30Pa,查表可知,此时风力等级为四级。
(3)当风速为10m/s时,风压p = kv² = 0.6×(10m/s)² = 60Pa > 30Pa,因此会超过电压表量程,弹簧弹力F_弹 = F_风 = pS = 60Pa×0.2m² = 12N,由表可得,弹簧形变量为24cm,因此可将电压表测量对象更换为滑片左侧部分的电阻,此时滑片左侧电阻R = ((30cm - 24cm)/30cm)×15Ω = 3Ω,此时电压表示数U_示 = R/R_总×U = 3Ω/18Ω×9V = 1.5V,改装电路如图所示
(1)0.5A
(2)四级
(3)电路见解析图 1.5V 解析:
(1)因电压表接在滑片上且电压表在电路中相当于断路,所以电流要流经全部电阻丝,在滑片P左移的过程中,始终是全部电阻丝与电阻R₀串联,所以电路的总电阻不变;无论有风还是无风时,滑动变阻器接入电路的阻值均为15Ω,通过R₀的电流I = U/(R₀ + R_p) = 9V/(3Ω + 15Ω) = 0.5A。
(2)由图可知,风力越大,电压表测量部分电阻越长,电压表示数越大,电压表最大电压U_max = 3V;滑动变阻器分到电压U_p = IR_p = 0.5A×15Ω = 7.5V,当电压表示数最大时,滑片移动距离L = U_max/U_p×L_AB = 3V/7.5V×30cm = 12cm,由图乙可得,弹簧产生的弹力F = 6N,此时的风压p = F_风/S = F_弹/S = 6N/0.2m² = 30Pa,查表可知,此时风力等级为四级。
(3)当风速为10m/s时,风压p = kv² = 0.6×(10m/s)² = 60Pa > 30Pa,因此会超过电压表量程,弹簧弹力F_弹 = F_风 = pS = 60Pa×0.2m² = 12N,由表可得,弹簧形变量为24cm,因此可将电压表测量对象更换为滑片左侧部分的电阻,此时滑片左侧电阻R = ((30cm - 24cm)/30cm)×15Ω = 3Ω,此时电压表示数U_示 = R/R_总×U = 3Ω/18Ω×9V = 1.5V,改装电路如图所示
查看更多完整答案,请扫码查看