2025年同步解析与测评课时练人民教育出版社物理必修第三册人教版增强版
注:目前有些书本章节名称可能整理的还不是很完善,但都是按照顺序排列的,请同学们按照顺序仔细查找。练习册 2025年同步解析与测评课时练人民教育出版社物理必修第三册人教版增强版 答案主要是用来给同学们做完题方便对答案用的,请勿直接抄袭。
第78页
- 第1页
- 第2页
- 第3页
- 第4页
- 第5页
- 第6页
- 第7页
- 第8页
- 第9页
- 第10页
- 第11页
- 第12页
- 第13页
- 第14页
- 第15页
- 第16页
- 第17页
- 第18页
- 第19页
- 第20页
- 第21页
- 第22页
- 第23页
- 第24页
- 第25页
- 第26页
- 第27页
- 第28页
- 第29页
- 第30页
- 第31页
- 第32页
- 第33页
- 第34页
- 第35页
- 第36页
- 第37页
- 第38页
- 第39页
- 第40页
- 第41页
- 第42页
- 第43页
- 第44页
- 第45页
- 第46页
- 第47页
- 第48页
- 第49页
- 第50页
- 第51页
- 第52页
- 第53页
- 第54页
- 第55页
- 第56页
- 第57页
- 第58页
- 第59页
- 第60页
- 第61页
- 第62页
- 第63页
- 第64页
- 第65页
- 第66页
- 第67页
- 第68页
- 第69页
- 第70页
- 第71页
- 第72页
- 第73页
- 第74页
- 第75页
- 第76页
- 第77页
- 第78页
- 第79页
- 第80页
- 第81页
- 第82页
- 第83页
- 第84页
- 第85页
- 第86页
- 第87页
- 第88页
- 第89页
- 第90页
- 第91页
- 第92页
- 第93页
- 第94页
- 第95页
- 第96页
- 第97页
- 第98页
- 第99页
- 第100页
- 第101页
- 第102页
- 第103页
- 第104页
- 第105页
- 第106页
- 第107页
- 第108页
- 第109页
- 第110页
- 第111页
##### 主题探索四 伏安法测电阻
###### 问题情境
一同学设计了如下两种电路图测量一待测电阻R的阻值。
1. 这两种电路测量电阻的原理是什么?图甲、乙分别是电流表的哪种接法?
2. 按甲、乙两种电路进行实验,得到的电阻的测量值分别为R1、R2。已知电阻的真实值为R真。两种方式得到的测量值和真实值之间有什么关系?
3. 产生误差的主要原因是什么?
4. 电流表的内阻约为0.05 Ω,电压表的内阻约为3 kΩ,若被测电阻R的阻值约为1 Ω,采用哪种电路测量电阻误差会比较小?当被测电阻的阻值约为1 kΩ时又如何?
###### 问题情境
一同学设计了如下两种电路图测量一待测电阻R的阻值。
1. 这两种电路测量电阻的原理是什么?图甲、乙分别是电流表的哪种接法?
2. 按甲、乙两种电路进行实验,得到的电阻的测量值分别为R1、R2。已知电阻的真实值为R真。两种方式得到的测量值和真实值之间有什么关系?
3. 产生误差的主要原因是什么?
4. 电流表的内阻约为0.05 Ω,电压表的内阻约为3 kΩ,若被测电阻R的阻值约为1 Ω,采用哪种电路测量电阻误差会比较小?当被测电阻的阻值约为1 kΩ时又如何?
答案:
1. 根据电阻的定义,把电压表示数和电流表示数之比作为电阻的测量值,即电阻的测量值为 $R=\frac{U}{I}$。图甲是电流表外接法,图乙是电流表内接法。2. 图甲中,电压表测量值为电阻两端电压的真实值,$U_{测}=U_{真}$,由于电压表的分流作用,电流表测量值 $I_{测}=I_{真}+I_{V}$,故电阻的测量值 $R_{1}=\frac{U_{测}}{I_{测}}=\frac{U_{真}}{I_{真}+I_{V}}=\frac{R_{真}R_{V}}{R_{真}+R_{V}}<R_{真}$。图乙中,电流表测量值为通过电阻的电流的准确值,$I_{测}=I_{真}$,由于电流表分压作用,电压表测量值 $U_{测}=U_{真}+U_{A}$,故电阻的测量值 $R_{2}=\frac{U_{测}}{I_{测}}=\frac{U_{真}+U_{A}}{I_{真}}=R_{真}+R_{A}>R_{真}$。3. 图甲中电压表分流、图乙中电流表分压,是产生误差的主要原因。4. 若被测电阻 $R$ 的阻值约为 $1\ \Omega$,采用电流表外接时,被测电阻的测量值为 $R_{1}=\frac{U_{测}}{I_{测}}=\frac{RR_{V}}{R + R_{V}}=1\ \Omega$。采用内接法时,被测电阻的测量值为 $R_{测}=R + R_{A}=1.05\ \Omega$。显然,由于被测电阻的阻值和电压表的内阻相差很大,被测电阻相当于小电阻,采用电流表外接法测量电阻误差比较小。若被测电阻的阻值约为 $1\ k\Omega$,采用外接法时,被测电阻的测量值为 $R_{1}=\frac{U_{测}}{I_{测}}=\frac{RR_{V}}{R + R_{V}}=750\ \Omega$。采用内接法时,被测电阻的测量值为 $R_{测}=R + R_{A}=1000.05\ \Omega$。显然,由于被测电阻的阻值和电流表的内阻相差很大,被测电阻相当于大电阻,采用电流表内接法测量电阻误差比较小。
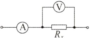
【例6】如图所示,用电压表和电流表测电阻,Rx为待测电阻,如果电压表的读数是3.50 V,电流表的读数是10.0 mA,电压表的内阻是1.50 kΩ,电流表的内阻是10 Ω,那么Rx的真实值为( )
A. 457 Ω
B. 350 Ω
C. 360 Ω
D. 1 200 Ω
A. 457 Ω
B. 350 Ω
C. 360 Ω
D. 1 200 Ω
答案:
A
1. (多选)下列说法正确的是( )
A. 一个电阻和一根理想导线并联,总电阻为0
B. 并联电路任一支路的电阻都大于电路的总电阻
C. 并联电路任一支路电阻增大(其他支路不变),则总电阻也增大
D. 并联电路任一支路电阻增大(其他支路不变),则总电阻一定减小
A. 一个电阻和一根理想导线并联,总电阻为0
B. 并联电路任一支路的电阻都大于电路的总电阻
C. 并联电路任一支路电阻增大(其他支路不变),则总电阻也增大
D. 并联电路任一支路电阻增大(其他支路不变),则总电阻一定减小
答案:
ABC
查看更多完整答案,请扫码查看