第55页
- 第1页
- 第2页
- 第3页
- 第4页
- 第5页
- 第6页
- 第7页
- 第8页
- 第9页
- 第10页
- 第11页
- 第12页
- 第13页
- 第14页
- 第15页
- 第16页
- 第17页
- 第18页
- 第19页
- 第20页
- 第21页
- 第22页
- 第23页
- 第24页
- 第25页
- 第26页
- 第27页
- 第28页
- 第29页
- 第30页
- 第31页
- 第32页
- 第33页
- 第34页
- 第35页
- 第36页
- 第37页
- 第38页
- 第39页
- 第40页
- 第41页
- 第42页
- 第43页
- 第44页
- 第45页
- 第46页
- 第47页
- 第48页
- 第49页
- 第50页
- 第51页
- 第52页
- 第53页
- 第54页
- 第55页
- 第56页
- 第57页
- 第58页
- 第59页
- 第60页
- 第61页
- 第62页
- 第63页
- 第64页
- 第65页
- 第66页
- 第67页
- 第68页
- 第69页
- 第70页
- 第71页
- 第72页
- 第73页
- 第74页
- 第75页
- 第76页
- 第77页
- 第78页
- 第79页
- 第80页
- 第81页
- 第82页
- 第83页
- 第84页
- 第85页
- 第86页
- 第87页
- 第88页
- 第89页
- 第90页
- 第91页
- 第92页
- 第93页
- 第94页
- 第95页
- 第96页
- 第97页
- 第98页
- 第99页
- 第100页
- 第101页
11. 一个$10\ \Omega$的电阻与一个$0.001\ \Omega$的电阻并联,并联后的总电阻(
A.等于$10.001\ \Omega$
B.小于$0.001\ \Omega$
C.等于$1\ \Omega$
D.大于$0.001\ \Omega$,小于$10\ \Omega$
B
)A.等于$10.001\ \Omega$
B.小于$0.001\ \Omega$
C.等于$1\ \Omega$
D.大于$0.001\ \Omega$,小于$10\ \Omega$
答案:
B
12. 如图5-4-4所示,电源电压保持不变,开关$S$闭合后,当滑动变阻器$R_2$的滑片$P$向$a$端移动时,电流表和电压表示数的变化情况是(

A.电流表的示数变大,电压表的示数变大
B.电流表的示数变小,电压表的示数变小
C.电流表的示数变小,电压表的示数变大
D.电流表的示数变大,电压表的示数变小
D
)A.电流表的示数变大,电压表的示数变大
B.电流表的示数变小,电压表的示数变小
C.电流表的示数变小,电压表的示数变大
D.电流表的示数变大,电压表的示数变小
答案:
D
13. 如图5-4-5所示,电源电压恒定,闭合开关$S_1$,灯泡发光,再闭合开关$S_2$时,观察到的现象是(

A.电压表示数变大
B.电流表示数变小
C.灯泡变亮
D.灯泡亮度不变
D
)A.电压表示数变大
B.电流表示数变小
C.灯泡变亮
D.灯泡亮度不变
答案:
D
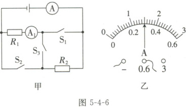
14. 如图5-4-6甲所示的电路,已知$R_1$的阻值是$20\ \Omega$,闭合开关$S_1$和$S_2$,断开开关$S_3$,电流表$A$的示数为$0.9\ \mathrm{A}$,电流表$A_1$的示数如图5-4-6乙所示。
(1)电源电压是多少?
(2)$R_2$的阻值是多少?
(3)当闭合开关$S_2$和$S_3$,断开$S_1$时,电流表$A$的示数是多少?

(1)电源电压是多少?
(2)$R_2$的阻值是多少?
(3)当闭合开关$S_2$和$S_3$,断开$S_1$时,电流表$A$的示数是多少?
答案:
(1)闭合S₁、S₂,断开S₃时,R₁与R₂并联,A测干路电流I=0.9A,A₁测R₁支路电流I₁。由图乙,A₁量程为0~0.6A(因I₁<I=0.9A),分度值0.02A,示数I₁=0.3A。电源电压U=I₁R₁=0.3A×20Ω=6V。
(2)通过R₂的电流I₂=I-I₁=0.9A-0.3A=0.6A,R₂=U/I₂=6V/0.6A=10Ω。
(3)闭合S₂、S₃,断开S₁时,R₁与R₂串联,总电阻R=R₁+R₂=20Ω+10Ω=30Ω,电流I'=U/R=6V/30Ω=0.2A。
(1)6V;
(2)10Ω;
(3)0.2A。
(1)闭合S₁、S₂,断开S₃时,R₁与R₂并联,A测干路电流I=0.9A,A₁测R₁支路电流I₁。由图乙,A₁量程为0~0.6A(因I₁<I=0.9A),分度值0.02A,示数I₁=0.3A。电源电压U=I₁R₁=0.3A×20Ω=6V。
(2)通过R₂的电流I₂=I-I₁=0.9A-0.3A=0.6A,R₂=U/I₂=6V/0.6A=10Ω。
(3)闭合S₂、S₃,断开S₁时,R₁与R₂串联,总电阻R=R₁+R₂=20Ω+10Ω=30Ω,电流I'=U/R=6V/30Ω=0.2A。
(1)6V;
(2)10Ω;
(3)0.2A。
查看更多完整答案,请扫码查看