第101页
- 第1页
- 第2页
- 第3页
- 第4页
- 第5页
- 第6页
- 第7页
- 第8页
- 第9页
- 第10页
- 第11页
- 第12页
- 第13页
- 第14页
- 第15页
- 第16页
- 第17页
- 第18页
- 第19页
- 第20页
- 第21页
- 第22页
- 第23页
- 第24页
- 第25页
- 第26页
- 第27页
- 第28页
- 第29页
- 第30页
- 第31页
- 第32页
- 第33页
- 第34页
- 第35页
- 第36页
- 第37页
- 第38页
- 第39页
- 第40页
- 第41页
- 第42页
- 第43页
- 第44页
- 第45页
- 第46页
- 第47页
- 第48页
- 第49页
- 第50页
- 第51页
- 第52页
- 第53页
- 第54页
- 第55页
- 第56页
- 第57页
- 第58页
- 第59页
- 第60页
- 第61页
- 第62页
- 第63页
- 第64页
- 第65页
- 第66页
- 第67页
- 第68页
- 第69页
- 第70页
- 第71页
- 第72页
- 第73页
- 第74页
- 第75页
- 第76页
- 第77页
- 第78页
- 第79页
- 第80页
- 第81页
- 第82页
- 第83页
- 第84页
- 第85页
- 第86页
- 第87页
- 第88页
- 第89页
- 第90页
- 第91页
- 第92页
- 第93页
- 第94页
- 第95页
- 第96页
- 第97页
- 第98页
- 第99页
- 第100页
- 第101页
10.通过漏电保护器及时切断漏电的电路,可避免人体接触漏电的用电器金属外壳时触电。

(1)如图9-2-4所示,将漏电保护器接入用电器的两根输电线。如果用电器的金属外壳发生了漏电故障,通过漏电保护器的电流$I_{火线}$
(2)通常情况下,家庭电路中除了将漏电保护器接入用电器的两根输电线外,还将用电器的金属外壳
(1)如图9-2-4所示,将漏电保护器接入用电器的两根输电线。如果用电器的金属外壳发生了漏电故障,通过漏电保护器的电流$I_{火线}$
≠
(选填“=”或“≠”)$I_{零线}$,该漏电保护器能够自动切断电路。(2)通常情况下,家庭电路中除了将漏电保护器接入用电器的两根输电线外,还将用电器的金属外壳
接地
,起到双重保护的作用。漏电保护器实质上就是一个开关
(选填“电源”“用电器”或“开关”)。
答案:
(1)≠;(2)接地;开关
11.如图9-2-5所示的家庭电路,允许通过的最大电流不能超过

16
A。如果只将“220V 2000W”的电热水器接入电路使其正常工作,那么电能表转盘转1r所用的时间为3
s。
答案:
16;3
12.关于家庭电路,下列说法正确的是 (
A.冰箱使用三脚插头是为了防止外壳漏电造成触电事故
B.空气开关自动断开,一定是某处出现了短路
C.电能表测量的是家用电器的总功率
D.使用试电笔时,手不能接触试电笔后端的金属挂钩或金属片
A
)A.冰箱使用三脚插头是为了防止外壳漏电造成触电事故
B.空气开关自动断开,一定是某处出现了短路
C.电能表测量的是家用电器的总功率
D.使用试电笔时,手不能接触试电笔后端的金属挂钩或金属片
答案:
A
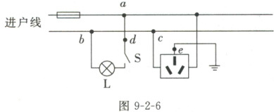
13.图9-2-6所示的是规范连接的家庭电路的一部分。下列说法正确的是 (

A.a点所在的进户线是零线
B.断开开关S,用试电笔检测d点时,氖管发光
C.若e点所在导线断路,三孔插座仍可安全使用
D.闭合开关S,灯泡L不发光,是因为导线bc间断路
B
)A.a点所在的进户线是零线
B.断开开关S,用试电笔检测d点时,氖管发光
C.若e点所在导线断路,三孔插座仍可安全使用
D.闭合开关S,灯泡L不发光,是因为导线bc间断路
答案:
B
查看更多完整答案,请扫码查看