第95页
- 第1页
- 第2页
- 第3页
- 第4页
- 第5页
- 第6页
- 第7页
- 第8页
- 第9页
- 第10页
- 第11页
- 第12页
- 第13页
- 第14页
- 第15页
- 第16页
- 第17页
- 第18页
- 第19页
- 第20页
- 第21页
- 第22页
- 第23页
- 第24页
- 第25页
- 第26页
- 第27页
- 第28页
- 第29页
- 第30页
- 第31页
- 第32页
- 第33页
- 第34页
- 第35页
- 第36页
- 第37页
- 第38页
- 第39页
- 第40页
- 第41页
- 第42页
- 第43页
- 第44页
- 第45页
- 第46页
- 第47页
- 第48页
- 第49页
- 第50页
- 第51页
- 第52页
- 第53页
- 第54页
- 第55页
- 第56页
- 第57页
- 第58页
- 第59页
- 第60页
- 第61页
- 第62页
- 第63页
- 第64页
- 第65页
- 第66页
- 第67页
- 第68页
- 第69页
- 第70页
- 第71页
- 第72页
- 第73页
- 第74页
- 第75页
- 第76页
- 第77页
- 第78页
- 第79页
- 第80页
- 第81页
- 第82页
- 第83页
- 第84页
- 第85页
- 第86页
- 第87页
- 第88页
- 第89页
- 第90页
- 第91页
- 第92页
- 第93页
- 第94页
- 第95页
- 第96页
- 第97页
- 第98页
- 第99页
- 第100页
- 第101页
- 第102页
- 第103页
- 第104页
- 第105页
- 第106页
- 第107页
- 第108页
- 第109页
- 第110页
- 第111页
- 第112页
- 第113页
- 第114页
- 第115页
- 第116页
- 第117页
- 第118页
- 第119页
- 第120页
- 第121页
- 第122页
- 第123页
- 第124页
- 第125页
- 第126页
- 第127页
- 第128页
- 第129页
- 第130页
- 第131页
- 第132页
- 第133页
- 第134页
- 第135页
- 第136页
- 第137页
- 第138页
- 第139页
- 第140页
- 第141页
- 第142页
- 第143页
22. 如图所示的电路中,A₁、A₂、A₃分别测量的是哪几盏灯的电流?如果A₁、A₂、A₃示数分别为1 A、0.8 A、0.7 A,则通过L₁、L₂、L₃的电流分别是多少?

________
________
答案:
由电路图可知,三个灯泡并联,电流表A₁测的是L₁、L₂、L₃电流之和,A₂测的是L₁、L₂电流之和,A₃测的是L₂、L₃电流之和,根据并联电路的电流规律可知:I₁+I₂+I₃=1 A……①,I₁+I₂=0.8 A……②,I₂+I₃=0.7 A……③,由①②式可得,I₃=0.2 A;由①③式可得,I₁=0.3 A,故I₂=0.7 A - 0.2 A=0.5 A。
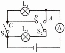
23. 在如图所示的电路中,当开关S₁接C,S₂接B时,电流表的读数是0.34 A。求:

(1)通过灯L₁和L₂的电流各为多少?
________
(2)当开关S₁接C,S₂接A时,电流表的读数为0.6 A,此时通过L₁的电流不变,则通过L₂的电流为多少?
________
(3)当S₁断开,S₂接B时,电流表的读数为0.15 A,此时通过L₂的电流为多少?
________
(1)通过灯L₁和L₂的电流各为多少?
________
(2)当开关S₁接C,S₂接A时,电流表的读数为0.6 A,此时通过L₁的电流不变,则通过L₂的电流为多少?
________
(3)当S₁断开,S₂接B时,电流表的读数为0.15 A,此时通过L₂的电流为多少?
________
答案:
(1)通过灯L₁的电流为0.34 A,通过灯L₂的电流为0 A。
(2)通过L₂的电流为0.26 A。
(3)通过L₂的电流为0.15 A。
(1)通过灯L₁的电流为0.34 A,通过灯L₂的电流为0 A。
(2)通过L₂的电流为0.26 A。
(3)通过L₂的电流为0.15 A。
查看更多完整答案,请扫码查看