第60页
- 第1页
- 第2页
- 第3页
- 第4页
- 第5页
- 第6页
- 第7页
- 第8页
- 第9页
- 第10页
- 第11页
- 第12页
- 第13页
- 第14页
- 第15页
- 第16页
- 第17页
- 第18页
- 第19页
- 第20页
- 第21页
- 第22页
- 第23页
- 第24页
- 第25页
- 第26页
- 第27页
- 第28页
- 第29页
- 第30页
- 第31页
- 第32页
- 第33页
- 第34页
- 第35页
- 第36页
- 第37页
- 第38页
- 第39页
- 第40页
- 第41页
- 第42页
- 第43页
- 第44页
- 第45页
- 第46页
- 第47页
- 第48页
- 第49页
- 第50页
- 第51页
- 第52页
- 第53页
- 第54页
- 第55页
- 第56页
- 第57页
- 第58页
- 第59页
- 第60页
- 第61页
- 第62页
- 第63页
- 第64页
- 第65页
- 第66页
- 第67页
- 第68页
- 第69页
- 第70页
- 第71页
- 第72页
- 第73页
- 第74页
- 第75页
- 第76页
- 第77页
- 第78页
- 第79页
- 第80页
- 第81页
- 第82页
- 第83页
- 第84页
- 第85页
- 第86页
- 第87页
- 第88页
- 第89页
- 第90页
- 第91页
- 第92页
- 第93页
- 第94页
- 第95页
- 第96页
- 第97页
- 第98页
- 第99页
- 第100页
- 第101页
- 第102页
- 第103页
- 第104页
- 第105页
- 第106页
- 第107页
- 第108页
- 第109页
- 第110页
- 第111页
- 第112页
- 第113页
- 第114页
- 第115页
- 第116页
- 第117页
- 第118页
- 第119页
- 第120页
- 第121页
- 第122页
- 第123页
- 第124页
- 第125页
- 第126页
- 第127页
- 第128页
- 第129页
- 第130页
- 第131页
- 第132页
- 第133页
- 第134页
- 第135页
- 第136页
- 第137页
- 第138页
- 第139页
- 第140页
- 第141页
- 第142页
- 第143页
13. 如图甲,用A、B、C、D四个金属片插入两个水果中组成一个水果电池,用这个水果电池点亮了发光二极管。发光二极管的主要材料为________(选填“导体”“半导体”或“绝缘体”)。已知发光二极管具有________的性质,电流只能从它的正极流进,从负极流出(如图乙),则在这个水果电池中B、C这两个金属片中相当于电池正极的金属片是________,在水果电池中C、D这两个金属片之间电流的方向为________(选填“从C到D”或“从D到C”)。

答案:
半导体 单向导电 B 从C到D
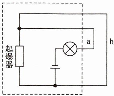
14. 下图所示的是引爆电路工作原理的电路图。请大家结合所学的知识帮助拆弹专家进行分析排爆。
(1)定时器(钟表)安装在b导线上。在定时阶段,该导线是________(选填“通”或“开”)路,因此起爆器被短路,电流________(选填“能”或“不能”)通过引爆器,因此在定时阶段起爆器不会爆炸引爆炸弹。
(2)当定时器(钟表)定时结束时,b导线被________(选填“接通”或“切断”),此时电流________(选填“能”或“不能”)通过起爆器,因此在定时结束的瞬间起爆器立即爆炸。
(3)综上所述,定时器(钟表)在定时阶段相当于一个________(选填“闭合”或“断开”)的开关。为使该定时爆炸装置停止工作,应立即剪断导线________(选填“a”或“b”)。

(1)定时器(钟表)安装在b导线上。在定时阶段,该导线是________(选填“通”或“开”)路,因此起爆器被短路,电流________(选填“能”或“不能”)通过引爆器,因此在定时阶段起爆器不会爆炸引爆炸弹。
(2)当定时器(钟表)定时结束时,b导线被________(选填“接通”或“切断”),此时电流________(选填“能”或“不能”)通过起爆器,因此在定时结束的瞬间起爆器立即爆炸。
(3)综上所述,定时器(钟表)在定时阶段相当于一个________(选填“闭合”或“断开”)的开关。为使该定时爆炸装置停止工作,应立即剪断导线________(选填“a”或“b”)。
答案:
(1)通 不能
(2)切断 能
(3)闭合 a
(1)通 不能
(2)切断 能
(3)闭合 a
查看更多完整答案,请扫码查看