第95页
- 第1页
- 第2页
- 第3页
- 第4页
- 第5页
- 第6页
- 第7页
- 第8页
- 第9页
- 第10页
- 第11页
- 第12页
- 第13页
- 第14页
- 第15页
- 第16页
- 第17页
- 第18页
- 第19页
- 第20页
- 第21页
- 第22页
- 第23页
- 第24页
- 第25页
- 第26页
- 第27页
- 第28页
- 第29页
- 第30页
- 第31页
- 第32页
- 第33页
- 第34页
- 第35页
- 第36页
- 第37页
- 第38页
- 第39页
- 第40页
- 第41页
- 第42页
- 第43页
- 第44页
- 第45页
- 第46页
- 第47页
- 第48页
- 第49页
- 第50页
- 第51页
- 第52页
- 第53页
- 第54页
- 第55页
- 第56页
- 第57页
- 第58页
- 第59页
- 第60页
- 第61页
- 第62页
- 第63页
- 第64页
- 第65页
- 第66页
- 第67页
- 第68页
- 第69页
- 第70页
- 第71页
- 第72页
- 第73页
- 第74页
- 第75页
- 第76页
- 第77页
- 第78页
- 第79页
- 第80页
- 第81页
- 第82页
- 第83页
- 第84页
- 第85页
- 第86页
- 第87页
- 第88页
- 第89页
- 第90页
- 第91页
- 第92页
- 第93页
- 第94页
- 第95页
- 第96页
- 第97页
- 第98页
8. 家庭电路的部分电路图如图所示(电路连接正确)。根据电路图可以判断甲、乙两根进户线中

甲
是相线。只闭合开关,灯正常发光,此时用测电笔接触 $ a $ 点,测电笔的氖管不发光
(选填“发光”或“不发光”)。
答案:
8.甲 不发光
9. 小刚家要安装一台额定功率为 1500W 的热水器,需要加装一个开关便于控制热水器工作。现有两种开关 $ S_{1}(250V\ 5A) $、$ S_{2}(250V\ 10A) $,为了安全和实用,应选用开关

S₂
和图中甲
(选填“甲”或“乙”)插座。
答案:
9.S₂ 甲
10. 按家庭电路安全用电原则,完成如图电路连接。

答案:
10.相线
中性线
保护线
三孔插座 螺口灯泡 拉线开关
10.相线
中性线
保护线
三孔插座 螺口灯泡 拉线开关
11. 如图所示为楼道灯自动控制电路的元件。“光控”开关在光线很暗时自动闭合、“声控”开关在有声音时自动闭合。请用笔画线代替导线将“光控”开关、“声控”开关、灯泡正确连入电路。要求:只有在光线很暗且有声音时楼道灯才亮。

答案:
11.相线
中性线
11.相线
中性线
12. 小丞晚上在家做作业时,突然台灯不亮了,家里其他用电器也停止了工作,他立即找来测电笔检测电路,发现插座左、右两孔都能使氖管发光。则他家里的电路可能出现的故障是(
A.进户火线断路
B.进户零线断路
C.短路
D.没交电费,所以停电了
B
)A.进户火线断路
B.进户零线断路
C.短路
D.没交电费,所以停电了
答案:
12.B
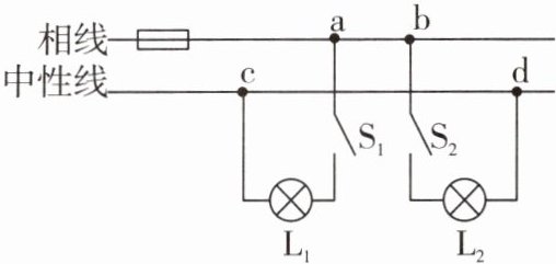
13. 如图所示的电路是家庭电路的一部分,电工师傅按下面的顺序进行检测:①闭合 $ S_{1} $,灯 $ L_{1} $ 亮;②断开 $ S_{1} $,闭合 $ S_{2} $,灯 $ L_{1} $ 不亮,灯 $ L_{2} $ 不亮;③用测电笔测 $ a $、$ b $、$ c $、$ d $ 四个接线点,测电笔只在 $ c $ 点不发光。若电路中只有一处故障,故障可能是(

A.灯 $ L_{2} $ 短路
B.$ c $ 点左侧的中性线断路
C.灯 $ L_{2} $ 所在支路断路
D.测 $ c $、$ d $ 测两点间断路
D
)A.灯 $ L_{2} $ 短路
B.$ c $ 点左侧的中性线断路
C.灯 $ L_{2} $ 所在支路断路
D.测 $ c $、$ d $ 测两点间断路
答案:
13.D
14. 电工孙师傅在帮某个家庭检修电路故障时,用一盏标有“220V 40W”的完好灯泡 $ L_{0} $(检验灯泡)取代保险丝接入电路,如图所示,电工师傅将其他用电器都断开,只保留了 $ L_{1} $、$ L_{2} $ 两个灯泡所在支路,当闭合 $ S $ 和 $ S_{1} $ 时,$ L_{0} $ 正常发光,则说明 $ L_{1} $ 支路故障为

短路
;当闭合 $ S $ 和 $ S_{2} $ 时,$ L_{0} $、$ L_{2} $ 两灯均不亮,则说明 $ L_{2} $ 支路故障为断路
。
答案:
14.短路 断路
查看更多完整答案,请扫码查看