第92页
- 第1页
- 第2页
- 第3页
- 第4页
- 第5页
- 第6页
- 第7页
- 第8页
- 第9页
- 第10页
- 第11页
- 第12页
- 第13页
- 第14页
- 第15页
- 第16页
- 第17页
- 第18页
- 第19页
- 第20页
- 第21页
- 第22页
- 第23页
- 第24页
- 第25页
- 第26页
- 第27页
- 第28页
- 第29页
- 第30页
- 第31页
- 第32页
- 第33页
- 第34页
- 第35页
- 第36页
- 第37页
- 第38页
- 第39页
- 第40页
- 第41页
- 第42页
- 第43页
- 第44页
- 第45页
- 第46页
- 第47页
- 第48页
- 第49页
- 第50页
- 第51页
- 第52页
- 第53页
- 第54页
- 第55页
- 第56页
- 第57页
- 第58页
- 第59页
- 第60页
- 第61页
- 第62页
- 第63页
- 第64页
- 第65页
- 第66页
- 第67页
- 第68页
- 第69页
- 第70页
- 第71页
- 第72页
- 第73页
- 第74页
- 第75页
- 第76页
- 第77页
- 第78页
- 第79页
- 第80页
- 第81页
- 第82页
- 第83页
- 第84页
- 第85页
- 第86页
- 第87页
- 第88页
- 第89页
- 第90页
- 第91页
- 第92页
- 第93页
- 第94页
- 第95页
- 第96页
- 第97页
- 第98页
1. 列出家中所有用电设备,记录每个设备的功率,如下表所示。请计算出每个用电器每天消耗的电能。


如图所示为家中使用的电能表,表中所列的用电器
如图所示为家中使用的电能表,表中所列的用电器
能
(选填“能”或“不能”)同时使用。
答案:
1.0.24 0.06 0.6 0.5 1.2 2.6 78 能
1. 家庭装修时,小明观察卧室里灯泡、开关和插座的电路设计图,于是依据家庭电路的知识,设计了如图所示的电路图,请完成电路连接,其中开关只控制电灯。

答案:
1.
1.
2. 设计一个家庭电路,要求客厅开关 $ S_1 $ 控制 $ L_1 $ 和 $ L_2 $;卧室开关 $ S_2 $ 控制壁灯,该壁灯的两种亮度通过开关 $ S_3 $ 调节。请在下图中连线,形成符合要求的完整电路图。

答案:

3. 设计一个家庭门窗报警的装置:给你一个电压电池组、一只灯、一只开关、一只电铃和若干细导线,请你设计一个家庭门窗报警的装置。要求:合上开关后,屋内灯亮而铃不响;当有人推开窗户,连接在窗户上的细导线被拉断时,电铃便会响起来,从而报警。请按设计的要求在方框中画出电路图并将图中元件连成电路。

答案:
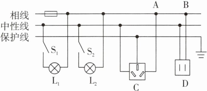
1. (多选)小明设计了如图所示的家庭电路,下列说法正确的是(

A.只闭合 $ S_1 $,保险丝将会熔断
B.使用洗衣机时应选择插座 C
C.图中两灯与其对应控制开关的连接都正确
D.图中 AB 之间断开,插座 C 仍能正常使用
BD
)A.只闭合 $ S_1 $,保险丝将会熔断
B.使用洗衣机时应选择插座 C
C.图中两灯与其对应控制开关的连接都正确
D.图中 AB 之间断开,插座 C 仍能正常使用
答案:
1.BD
查看更多完整答案,请扫码查看