第33页
- 第1页
- 第2页
- 第3页
- 第4页
- 第5页
- 第6页
- 第7页
- 第8页
- 第9页
- 第10页
- 第11页
- 第12页
- 第13页
- 第14页
- 第15页
- 第16页
- 第17页
- 第18页
- 第19页
- 第20页
- 第21页
- 第22页
- 第23页
- 第24页
- 第25页
- 第26页
- 第27页
- 第28页
- 第29页
- 第30页
- 第31页
- 第32页
- 第33页
- 第34页
- 第35页
- 第36页
- 第37页
- 第38页
- 第39页
- 第40页
- 第41页
- 第42页
- 第43页
- 第44页
- 第45页
- 第46页
- 第47页
- 第48页
- 第49页
- 第50页
- 第51页
- 第52页
- 第53页
- 第54页
- 第55页
- 第56页
- 第57页
- 第58页
- 第59页
- 第60页
- 第61页
- 第62页
- 第63页
- 第64页
- 第65页
- 第66页
- 第67页
- 第68页
- 第69页
- 第70页
- 第71页
- 第72页
- 第73页
- 第74页
- 第75页
- 第76页
- 第77页
- 第78页
- 第79页
- 第80页
- 第81页
- 第82页
- 第83页
- 第84页
- 第85页
- 第86页
- 第87页
- 第88页
- 第89页
- 第90页
- 第91页
- 第92页
- 第93页
- 第94页
- 第95页
- 第96页
- 第97页
- 第98页
9. 如图所示是小明在练习测量电流时连接的电路,电路的连接存在错误,下列操作及说法正确的是 (

A.撤掉导线a,电流表测量的是电路的总电流
B.撤掉导线b,电流表测量的是小灯泡L₁的电流
C.撤掉导线b,电流表测量的是小灯泡L₂的电流
D.撤掉导线c,电流表测量的是小灯泡L₂的电流
D
)A.撤掉导线a,电流表测量的是电路的总电流
B.撤掉导线b,电流表测量的是小灯泡L₁的电流
C.撤掉导线b,电流表测量的是小灯泡L₂的电流
D.撤掉导线c,电流表测量的是小灯泡L₂的电流
答案:
9.D
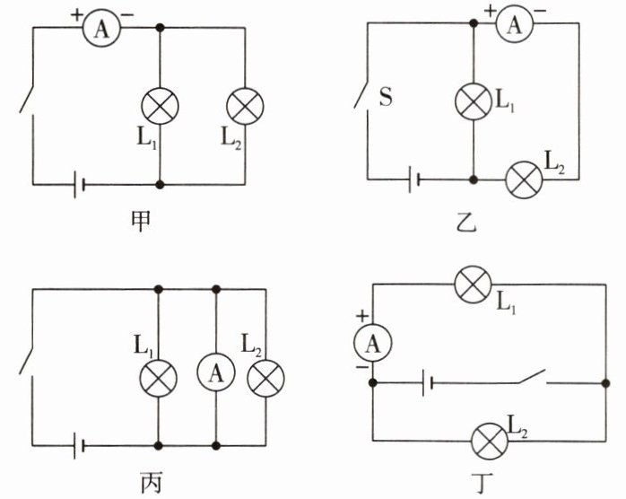
10. 观察下列四个电路图,并完成下列各题。

(1)在图甲所示的电路中,电流表测的是
(2)在图乙所示的电路中,电流表测的是
(3)在图丙所示的电路中出现的错误是
(4)在图丁所示的电路中出现的错误是
(1)在图甲所示的电路中,电流表测的是
干路
的电流。(2)在图乙所示的电路中,电流表测的是
L₂
的电流。(3)在图丙所示的电路中出现的错误是
电流表直接接在了电源的两端
。(4)在图丁所示的电路中出现的错误是
电流表的正、负接线柱接反了
。
答案:
10.
(1)干路
(2)L₂
(3)电流表直接接在了电源的两端
(4)电流表的正、负接线柱接反了
(1)干路
(2)L₂
(3)电流表直接接在了电源的两端
(4)电流表的正、负接线柱接反了
11. (1)如图甲所示,电流表的示数为
(2)如图乙所示,请你用笔画线代替导线将两个灯并联,电流表测干路电流。(干路电流估计为0.9A)
(3)在图丙方框中画出与第(2)题实物图相对应的电路图。


0.5
A。(2)如图乙所示,请你用笔画线代替导线将两个灯并联,电流表测干路电流。(干路电流估计为0.9A)
(3)在图丙方框中画出与第(2)题实物图相对应的电路图。
答案:
11.
(1)0.5
(2)
(3)
11.
(1)0.5
(2)
(3)
12. 甲、乙、丙三位同学在做“用电流表测电流”的分组实验,闭合开关前的电流表指针均指在零刻度线处。当闭合开关试触时,发现电流表指针摆动分别出现了如图甲、乙、丙所示的三种情况。请分析电流表或在电流表的使用上分别存在什么问题,并写在下面的横线上。

甲同学的问题:
乙同学的问题:
丙同学的问题:
甲同学的问题:
电流表的正、负接线柱接反了
。乙同学的问题:
电流表测量范围选择大了
。丙同学的问题:
电流表测量范围选择小了
。
答案:
12. 甲同学的问题:电流表的正、负接线柱接反了 乙同学的问题:电流表测量范围选择大了 丙同学的问题:电流表测量范围选择小了
查看更多完整答案,请扫码查看