第91页
- 第1页
- 第2页
- 第3页
- 第4页
- 第5页
- 第6页
- 第7页
- 第8页
- 第9页
- 第10页
- 第11页
- 第12页
- 第13页
- 第14页
- 第15页
- 第16页
- 第17页
- 第18页
- 第19页
- 第20页
- 第21页
- 第22页
- 第23页
- 第24页
- 第25页
- 第26页
- 第27页
- 第28页
- 第29页
- 第30页
- 第31页
- 第32页
- 第33页
- 第34页
- 第35页
- 第36页
- 第37页
- 第38页
- 第39页
- 第40页
- 第41页
- 第42页
- 第43页
- 第44页
- 第45页
- 第46页
- 第47页
- 第48页
- 第49页
- 第50页
- 第51页
- 第52页
- 第53页
- 第54页
- 第55页
- 第56页
- 第57页
- 第58页
- 第59页
- 第60页
- 第61页
- 第62页
- 第63页
- 第64页
- 第65页
- 第66页
- 第67页
- 第68页
- 第69页
- 第70页
- 第71页
- 第72页
- 第73页
- 第74页
- 第75页
- 第76页
- 第77页
- 第78页
- 第79页
- 第80页
- 第81页
- 第82页
- 第83页
- 第84页
- 第85页
- 第86页
- 第87页
- 第88页
- 第89页
- 第90页
- 第91页
- 第92页
- 第93页
- 第94页
- 第95页
- 第96页
- 第97页
- 第98页
8. 完成图中的电路图。

答案:
8.
相线
中性线
保护线
8.
相线
中性线
保护线
9. (多选)如图所示为家庭电路的总开关及其内部结构。下列有关说法正确的是(

A.瓷质手柄和底座均为绝缘体材料制成
B.为了便于电路检修,总开关要安装在电能表的前面
C.熔断器熔断后,应先排查故障再更换保险丝
D.当熔断器熔断时,电路中可能有短路故障发生
ACD
)A.瓷质手柄和底座均为绝缘体材料制成
B.为了便于电路检修,总开关要安装在电能表的前面
C.熔断器熔断后,应先排查故障再更换保险丝
D.当熔断器熔断时,电路中可能有短路故障发生
答案:
9.ACD
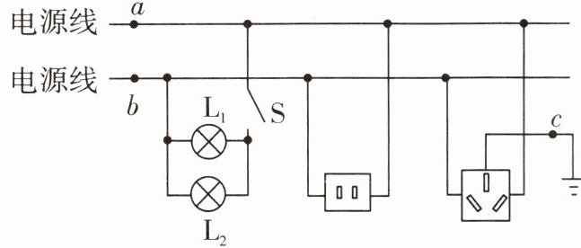
10. (多选)某家庭电路的连接如图所示,下列说法正确的是(

A.$ L_1 $和$ L_2 $是并联的
B.$ a $点所在的电源线是中性线
C.空气开关只能安装在$ b $点处
D.$ c $点所在的导线与大地相连
AD
)A.$ L_1 $和$ L_2 $是并联的
B.$ a $点所在的电源线是中性线
C.空气开关只能安装在$ b $点处
D.$ c $点所在的导线与大地相连
答案:
10.AD
11. 如图,是规范连接的家庭电路的一部分。下列说法正确的是(

A.$ a $点所在的进户线是中性线
B.若$ e $点所在导线断路,三孔插座仍可安全使用
C.断开开关$ S $,用测电笔检测$ d $点时,氖管发光
D.闭合开关$ S $,灯泡$ L $不发光,是因为导线$ bc $间断路
C
)A.$ a $点所在的进户线是中性线
B.若$ e $点所在导线断路,三孔插座仍可安全使用
C.断开开关$ S $,用测电笔检测$ d $点时,氖管发光
D.闭合开关$ S $,灯泡$ L $不发光,是因为导线$ bc $间断路
答案:
11.C
12. 社会发展如图甲所示,南宁东高铁站闸机采用“人脸、身份证识别一体机”,当人脸数据识别成功(相当于开关$ S_1 $闭合)和身份证数据识别成功(相当于开关$ S_2 $闭合)时,电动机才开始工作,锁打开,人可以正常通过闸机。请将图乙中的电路图连接完整实现此功能,要求开关必须接在相线上。

答案:
12.

12.
13. 如图甲所示是一个插线板。插线板上的开关控制指示灯和插孔供电;若指示灯损坏,开关闭合时插孔也能供电。请在图乙中连接各元件,并将插线板与电源线接通。

答案:
13.

13.
查看更多完整答案,请扫码查看