第32页
- 第1页
- 第2页
- 第3页
- 第4页
- 第5页
- 第6页
- 第7页
- 第8页
- 第9页
- 第10页
- 第11页
- 第12页
- 第13页
- 第14页
- 第15页
- 第16页
- 第17页
- 第18页
- 第19页
- 第20页
- 第21页
- 第22页
- 第23页
- 第24页
- 第25页
- 第26页
- 第27页
- 第28页
- 第29页
- 第30页
- 第31页
- 第32页
- 第33页
- 第34页
- 第35页
- 第36页
- 第37页
- 第38页
- 第39页
- 第40页
- 第41页
- 第42页
- 第43页
- 第44页
- 第45页
- 第46页
- 第47页
- 第48页
- 第49页
- 第50页
- 第51页
- 第52页
- 第53页
- 第54页
- 第55页
- 第56页
- 第57页
- 第58页
- 第59页
- 第60页
- 第61页
- 第62页
- 第63页
- 第64页
- 第65页
- 第66页
- 第67页
- 第68页
- 第69页
- 第70页
- 第71页
- 第72页
- 第73页
- 第74页
- 第75页
- 第76页
- 第77页
- 第78页
- 第79页
- 第80页
- 第81页
- 第82页
- 第83页
- 第84页
- 第85页
- 第86页
- 第87页
- 第88页
- 第89页
- 第90页
- 第91页
- 第92页
- 第93页
- 第94页
- 第95页
- 第96页
- 第97页
- 第98页
1. 日常生活 家用电器极大地方便了人们的生活,下列用电器的电流约为5A的是(
A.电视机
B.电冰箱
C.节能灯
D.空调
D
)A.电视机
B.电冰箱
C.节能灯
D.空调
答案:
1.D
2. 电流表是测量电流强弱的仪器。关于电流表的使用,下列说法中正确的是 (
A.电流表必须与被测用电器并联
B.电流表在使用前应认清测量范围和分度值
C.电流表使用时可以不用调零
D.电流表可以测量超过测量范围大小的电流
B
)A.电流表必须与被测用电器并联
B.电流表在使用前应认清测量范围和分度值
C.电流表使用时可以不用调零
D.电流表可以测量超过测量范围大小的电流
答案:
2.B
3. 小明在探究某实验,当用0~3A的测量范围试触时,指针的位置如图所示,那么接下来的操作是 (

A.直接接入3A接线柱,然后读数
B.直接接入0.6A接线柱,然后读数
C.断开开关,接入3A接线柱,闭合开关后读数
D.断开开关,接入0.6A接线柱,闭合开关后读数
D
)A.直接接入3A接线柱,然后读数
B.直接接入0.6A接线柱,然后读数
C.断开开关,接入3A接线柱,闭合开关后读数
D.断开开关,接入0.6A接线柱,闭合开关后读数
答案:
3.D
4. 甲、乙两同学在做实验时,把电流表的“-”和“3”两个接线柱接在电路中,指针位于如图所示的位置,下面记录中正确的是(

A.0.5A
B.0.25A
C.0.45A
D.2.5A
D
)A.0.5A
B.0.25A
C.0.45A
D.2.5A
答案:
4.D
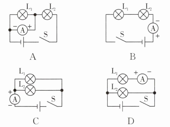
5. 在如图所示电路中,开关S闭合后,能正确测出通过灯L₁中电流的是 (

B
)
答案:
5.B
6. 在如图所示的电路中,闭合开关后,看到的现象是 (

A.电流表被烧坏,灯泡不亮
B.电流表有示数,灯泡亮
C.电流表被烧坏,灯泡亮
D.电流表有示数,灯泡不亮
A
)A.电流表被烧坏,灯泡不亮
B.电流表有示数,灯泡亮
C.电流表被烧坏,灯泡亮
D.电流表有示数,灯泡不亮
答案:
6.A
7. 换算下列单位:
(1)25.2mA=
(2)0.48A=
(1)25.2mA=
0.025 2
A=25 200
μA;(2)0.48A=
480
mA=480 000
μA。
答案:
7.
(1)0.025 2 25 200
(2)480 480 000
(1)0.025 2 25 200
(2)480 480 000
8. 在实验室,某同学发现一个电流表有两个测量范围,大测量范围是0~9A,小测量范围模糊不清。为了测量小测量范围是多少,她先用大测量范围接入电路,指针位置如图甲所示,然后再改用小测量范围接入同一电路,指针指示如图乙所示,则电流表的小测量范围为 (

A.0~0.6A
B.0~1A
C.0~2A
D.0~3A
D
)A.0~0.6A
B.0~1A
C.0~2A
D.0~3A
答案:
8.D
查看更多完整答案,请扫码查看