第107页
- 第1页
- 第2页
- 第3页
- 第4页
- 第5页
- 第6页
- 第7页
- 第8页
- 第9页
- 第10页
- 第11页
- 第12页
- 第13页
- 第14页
- 第15页
- 第16页
- 第17页
- 第18页
- 第19页
- 第20页
- 第21页
- 第22页
- 第23页
- 第24页
- 第25页
- 第26页
- 第27页
- 第28页
- 第29页
- 第30页
- 第31页
- 第32页
- 第33页
- 第34页
- 第35页
- 第36页
- 第37页
- 第38页
- 第39页
- 第40页
- 第41页
- 第42页
- 第43页
- 第44页
- 第45页
- 第46页
- 第47页
- 第48页
- 第49页
- 第50页
- 第51页
- 第52页
- 第53页
- 第54页
- 第55页
- 第56页
- 第57页
- 第58页
- 第59页
- 第60页
- 第61页
- 第62页
- 第63页
- 第64页
- 第65页
- 第66页
- 第67页
- 第68页
- 第69页
- 第70页
- 第71页
- 第72页
- 第73页
- 第74页
- 第75页
- 第76页
- 第77页
- 第78页
- 第79页
- 第80页
- 第81页
- 第82页
- 第83页
- 第84页
- 第85页
- 第86页
- 第87页
- 第88页
- 第89页
- 第90页
- 第91页
- 第92页
- 第93页
- 第94页
- 第95页
- 第96页
- 第97页
- 第98页
- 第99页
- 第100页
- 第101页
- 第102页
- 第103页
- 第104页
- 第105页
- 第106页
- 第107页
- 第108页
- 第109页
- 第110页
- 第111页
- 第112页
- 第113页
- 第114页
- 第115页
- 第116页
- 第117页
- 第118页
- 第119页
- 第120页
- 第121页
- 第122页
- 第123页
- 第124页
- 第125页
- 第126页
- 第127页
- 第128页
- 第129页
- 第130页
- 第131页
- 第132页
2. 用测电笔辨别相线和中性线时,应该用手接触
笔尾金属体
,笔尖接触电线,氖管发光表示接触的是相线(或火线)
.
答案:
笔尾金属体 相线(或火线)
1. 判断下面说法的对错.
保险丝和空气开关对电路都起到保护作用. (
保险丝和空气开关对电路都起到保护作用. (
√
)
答案:
√
2. 我国照明电路的电压为
220 V
.家庭中各用电器之间是并联
(选填“并联”或“串联”)的.家庭消耗的电能用电能表
来测量.
答案:
220 V 并联 电能表
3. 小明家有一台空调,空调说明书的主要数据如下表所示.请你根据说明书,回答下列问题.
(1)空调工作时应选择图中的插座

(2)空调正常制冷时通过的电流是多大?它连续正常制冷30 min消耗的电能为多少千瓦时?
(1)空调工作时应选择图中的插座
乙
.(2)空调正常制冷时通过的电流是多大?它连续正常制冷30 min消耗的电能为多少千瓦时?
(2)6 A 0.66 kW·h
答案:
$(1)$ 分析空调应选的插座
空调属于大功率用电器,为了防止漏电时发生触电事故,应使用有接地线的插座,即三孔插座,图乙为三孔插座,所以空调工作时应选择图中的插座乙。
$(2)$ 计算空调正常制冷时的电流和消耗的电能
- 步骤一:计算空调正常制冷时通过的电流
已知空调额定制冷功率$P = 1320W$,电源电压$U = 220V$。
根据公式$P = UI$(其中$P$是功率,$U$是电压,$I$是电流),可得$I=\frac{P}{U}$。
将$P = 1320W$,$U = 220V$代入公式,可得$I=\frac{1320W}{220V}=6A$。
步骤二:计算空调连续正常制冷$30min$消耗的电能
已知制冷功率$P = 1320W=1.32kW$,时间$t = 30min = 0.5h$。
根据公式$W = Pt$(其中$W$是电能,$P$是功率,$t$是时间)。
将$P = 1.32kW$,$t = 0.5h$代入公式,可得$W=1.32kW×0.5h = 0.66kW· h$。
综上,答案依次为:$(1)$ 乙;$(2)$ 空调正常制冷时通过的电流是$\boldsymbol{6A}$;它连续正常制冷$30min$消耗的电能为$\boldsymbol{0.66}$千瓦时 。
空调属于大功率用电器,为了防止漏电时发生触电事故,应使用有接地线的插座,即三孔插座,图乙为三孔插座,所以空调工作时应选择图中的插座乙。
$(2)$ 计算空调正常制冷时的电流和消耗的电能
- 步骤一:计算空调正常制冷时通过的电流
已知空调额定制冷功率$P = 1320W$,电源电压$U = 220V$。
根据公式$P = UI$(其中$P$是功率,$U$是电压,$I$是电流),可得$I=\frac{P}{U}$。
将$P = 1320W$,$U = 220V$代入公式,可得$I=\frac{1320W}{220V}=6A$。
步骤二:计算空调连续正常制冷$30min$消耗的电能
已知制冷功率$P = 1320W=1.32kW$,时间$t = 30min = 0.5h$。
根据公式$W = Pt$(其中$W$是电能,$P$是功率,$t$是时间)。
将$P = 1.32kW$,$t = 0.5h$代入公式,可得$W=1.32kW×0.5h = 0.66kW· h$。
综上,答案依次为:$(1)$ 乙;$(2)$ 空调正常制冷时通过的电流是$\boldsymbol{6A}$;它连续正常制冷$30min$消耗的电能为$\boldsymbol{0.66}$千瓦时 。
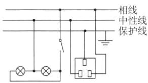
4. 如图所示是教室内的一个三孔插座、一个开关及两盏灯,该开关控制这两盏灯,请将它们连成电路使其符合实际情况.

答案:
查看更多完整答案,请扫码查看