第99页
- 第1页
- 第2页
- 第3页
- 第4页
- 第5页
- 第6页
- 第7页
- 第8页
- 第9页
- 第10页
- 第11页
- 第12页
- 第13页
- 第14页
- 第15页
- 第16页
- 第17页
- 第18页
- 第19页
- 第20页
- 第21页
- 第22页
- 第23页
- 第24页
- 第25页
- 第26页
- 第27页
- 第28页
- 第29页
- 第30页
- 第31页
- 第32页
- 第33页
- 第34页
- 第35页
- 第36页
- 第37页
- 第38页
- 第39页
- 第40页
- 第41页
- 第42页
- 第43页
- 第44页
- 第45页
- 第46页
- 第47页
- 第48页
- 第49页
- 第50页
- 第51页
- 第52页
- 第53页
- 第54页
- 第55页
- 第56页
- 第57页
- 第58页
- 第59页
- 第60页
- 第61页
- 第62页
- 第63页
- 第64页
- 第65页
- 第66页
- 第67页
- 第68页
- 第69页
- 第70页
- 第71页
- 第72页
- 第73页
- 第74页
- 第75页
- 第76页
- 第77页
- 第78页
- 第79页
- 第80页
- 第81页
- 第82页
- 第83页
- 第84页
- 第85页
- 第86页
- 第87页
- 第88页
- 第89页
- 第90页
- 第91页
- 第92页
- 第93页
- 第94页
- 第95页
- 第96页
- 第97页
- 第98页
- 第99页
- 第100页
- 第101页
- 第102页
1. (2024宿迁沭阳校级模拟)如图14-4-7所示电路,其中电源电压为1.5V,电阻$R_{1}$的阻值为2Ω,闭合开关后,电流表的示数为0.3A,则()


A. 通过$R_{1}$的电流小于0.3A
B. 电阻$R_{1}和R_{2}$是并联的
C. 电压表的示数为0.6V
D. 电阻$R_{2}$的阻值为5Ω
A. 通过$R_{1}$的电流小于0.3A
B. 电阻$R_{1}和R_{2}$是并联的
C. 电压表的示数为0.6V
D. 电阻$R_{2}$的阻值为5Ω
答案:
C
2. (2024淮安涟水一模)在如图14-4-8所示的电路中,电源电压保持不变。现有三个定值电阻($R_{1}<R_{2}<R_{3}$),选择其中两个电阻分别接入ab之间和cd之间,闭合开关S,使电压表$V_{1}示数与电压表V_{2}$示数比值最大,则()
A. $R_{1}$接入ab之间,$R_{2}$接入cd之间
B. $R_{1}$接入ab之间,$R_{3}$接入cd之间
C. $R_{3}$接入ab之间,$R_{1}$接入cd之间
D. $R_{2}$接入ab之间,$R_{3}$接入cd之间
A. $R_{1}$接入ab之间,$R_{2}$接入cd之间
B. $R_{1}$接入ab之间,$R_{3}$接入cd之间
C. $R_{3}$接入ab之间,$R_{1}$接入cd之间
D. $R_{2}$接入ab之间,$R_{3}$接入cd之间
答案:
C
3. 两个电阻的阻值分别是$R_{1}和R_{2}$,将它们串联使用,相当于增大了导体的____,所以两个电阻串联后的阻值将比单独使用时____。
答案:
长度 大
4. (2024宿迁沭阳校级模拟)某灯泡正常发光时两端电压为6V,通过的电流为0.3A,其正常发光时阻值为____Ω;现将该灯泡接在9V的电源上,为使其正常发光,应串联一个____Ω的定值电阻。
答案:
20 10
5. (2024宿迁沭阳校级模拟)在如图14-4-9甲所示的电路中,当闭合开关后,两个电压表的指针
偏转均如图乙所示,则电阻$R_{1}$两端的电压为____V;$R_{1}与R_{2}$阻值之比为____。

偏转均如图乙所示,则电阻$R_{1}$两端的电压为____V;$R_{1}与R_{2}$阻值之比为____。
答案:
7.2 4:1
6. (2024南京玄武区校级三模)如图14-4-10所示,三个相同电阻串联在电路中,闭合开关后,电压表示数为2V。若将电压表直接换成电流表,电路电流为0.2A,则电阻$R= $____Ω。

答案:
15
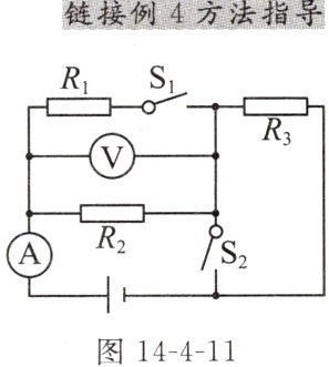
7. 如图14-4-11所示电路中,电源电压是12V且保持不变,$R_{1}= R_{3}= 4Ω,R_{2}= 6Ω$,求:
(1)当开关$S_{1}$、$S_{2}$断开时,电流表和电压表的示数。
(2)当开关$S_{1}$、$S_{2}$均闭合时,电流表和电压表

的示数。
链接例4方法指导
(1)当开关$S_{1}$、$S_{2}$断开时,电流表和电压表的示数。
(2)当开关$S_{1}$、$S_{2}$均闭合时,电流表和电压表
的示数。
链接例4方法指导
答案:
(1)当开关$S_{1}$、$S_{2}$断开时,$R_{1}$断路,$R_{2}$、$R_{3}$串联,电流表测电路中电流,电压表测$R_{2}$两端的电压。
电流表示数:$I=\frac {U}{R_{2}+R_{3}}=\frac {12V}{6Ω+4Ω}=1.2A$;
电压表示数:$U_{2}=IR_{2}=1.2A×6Ω=7.2V$。
(2)当开关$S_{1}$、$S_{2}$均闭合时,$R_{3}$短路,$R_{1}$、$R_{2}$并联,电流表测干路电流。电流表示数:
$I'=\frac {U}{R_{1}}+\frac {U}{R_{2}}=\frac {12V}{4Ω}+\frac {12V}{6Ω}=5A$;
电压表测电源电压,故电压表示数$U'=12V$。
(1)当开关$S_{1}$、$S_{2}$断开时,$R_{1}$断路,$R_{2}$、$R_{3}$串联,电流表测电路中电流,电压表测$R_{2}$两端的电压。
电流表示数:$I=\frac {U}{R_{2}+R_{3}}=\frac {12V}{6Ω+4Ω}=1.2A$;
电压表示数:$U_{2}=IR_{2}=1.2A×6Ω=7.2V$。
(2)当开关$S_{1}$、$S_{2}$均闭合时,$R_{3}$短路,$R_{1}$、$R_{2}$并联,电流表测干路电流。电流表示数:
$I'=\frac {U}{R_{1}}+\frac {U}{R_{2}}=\frac {12V}{4Ω}+\frac {12V}{6Ω}=5A$;
电压表测电源电压,故电压表示数$U'=12V$。
8. 将电阻R和灯泡L接在如图14-4-12甲所示的电路中,电源电压保持不变。图乙为电阻R和灯泡L的I-U图像。闭合开关S,电流表的示数为0.3A,则电源电压和电阻R的大小分别是()

A. 8V 6.67Ω
B. 12V 20Ω
C. 8V 20Ω
D. 12V 10Ω
A. 8V 6.67Ω
B. 12V 20Ω
C. 8V 20Ω
D. 12V 10Ω
答案:
C
查看更多完整答案,请扫码查看