第87页
- 第1页
- 第2页
- 第3页
- 第4页
- 第5页
- 第6页
- 第7页
- 第8页
- 第9页
- 第10页
- 第11页
- 第12页
- 第13页
- 第14页
- 第15页
- 第16页
- 第17页
- 第18页
- 第19页
- 第20页
- 第21页
- 第22页
- 第23页
- 第24页
- 第25页
- 第26页
- 第27页
- 第28页
- 第29页
- 第30页
- 第31页
- 第32页
- 第33页
- 第34页
- 第35页
- 第36页
- 第37页
- 第38页
- 第39页
- 第40页
- 第41页
- 第42页
- 第43页
- 第44页
- 第45页
- 第46页
- 第47页
- 第48页
- 第49页
- 第50页
- 第51页
- 第52页
- 第53页
- 第54页
- 第55页
- 第56页
- 第57页
- 第58页
- 第59页
- 第60页
- 第61页
- 第62页
- 第63页
- 第64页
- 第65页
- 第66页
- 第67页
- 第68页
- 第69页
- 第70页
- 第71页
- 第72页
- 第73页
- 第74页
- 第75页
- 第76页
- 第77页
- 第78页
- 第79页
- 第80页
- 第81页
- 第82页
- 第83页
- 第84页
- 第85页
- 第86页
- 第87页
- 第88页
- 第89页
- 第90页
- 第91页
- 第92页
- 第93页
- 第94页
- 第95页
- 第96页
- 第97页
- 第98页
- 第99页
- 第100页
- 第101页
- 第102页
3. (2024镇江)某学校电动门既可以用遥控器开启,也可以用按钮开关开启。电动门开启时,电动机工作,警示灯L亮起。若取下警示灯L,电动机仍能工作。按下遥控器相当于$S_1$闭合,按下按钮开关相当于$S_2$闭合。图3-L-3中符合上述要求的电路是(

)
)
答案:
D
4. (2023镇江)如图3-L-4所示,在探究串联电路电压特点的实验中,闭合开关,发现两只小灯泡都不发光,两只电压表示数均为3 V,则可能发生的故障是(

)
$A. L_2$短路
$B. L_1$断路
$C. L_2$断路
D. 开关S断路
)
$A. L_2$短路
$B. L_1$断路
$C. L_2$断路
D. 开关S断路
答案:
C
5. (2024连云港)某同学自主学习《电路初探》一章后,整理部分知识结构图如图3-L-5所示,请补全有关内容。
(1)____; (2)____。

(1)____; (2)____。
答案:
(1)电源
(2)电压的特点
(1)电源
(2)电压的特点
6. (2024自贡)在如图3-L-6所示的电路中,闭合开关$S_1、$$S_3,$断开开关$S_2,$则小灯泡$L_1、$$L_2$是____(选填“串”或“并”)联的;若同时闭合开关$S_1、$$S_2、$$S_3,$则会造成电路____。


答案:
并 短路
7. (2023宿迁)如图3-L-7所示,电源电压不变,将开关S、$S_1$都闭合,灯泡$L_1$与$L_2$正常发光,两灯是____联的,电流表测量通过____的电流,此时断开$S_1,$电流表的示数____(选填“变大”“变小”或“不变”)。
答案:
并 $ L_{2} $ 不变
8. (2024贵州)如图3-L-8所示是未完成连接的实物电路,请在图中用笔画线代替导线按要求完成电路连接。要求:两灯串联,电压表测量小灯泡$L_2$两端电压,导线不能交叉。

答案:
(2)断路
(3)0.3 错误
(4)因为 $ I_{A}=I_{B} $,$ I_{B}=I_{C} $,所以 $ I_{A}=I_{B}=I_{C} $
(2)断路
(3)0.3 错误
(4)因为 $ I_{A}=I_{B} $,$ I_{B}=I_{C} $,所以 $ I_{A}=I_{B}=I_{C} $
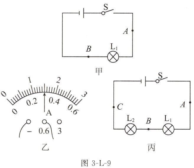
9. (2024苏州)探究串联电路中电流的特点。
(1)猜想:由于用电器耗电,电流流过用电器会减小。

(2)按图3-L-9甲连接好电路,闭合开关后发现灯不亮,为了找出原因,将电压表接在A、B两点间。闭合开关发现电压表有示数,说明L_1可能存在____故障。
(3)排除故障后,用电流表测出A点电流,电流表示数如图乙所示,则$I_A= ____A,$再测出B点电流,得到A、B两点电流相等。更换不同规格的灯泡,重复上述实验,都得到相同结论。由此判断猜想是____的。
(4)为进一步得出两个灯泡串联时电流的规律,小明按图丙连接电路,测量A、B、C三点的电流,得出$I_A= I_B= I_C;$小华认为不需要再测量,在(3)结论的基础上,通过推理也可以得出相同结论,请写出小华的推理过程:____。
(1)猜想:由于用电器耗电,电流流过用电器会减小。
(2)按图3-L-9甲连接好电路,闭合开关后发现灯不亮,为了找出原因,将电压表接在A、B两点间。闭合开关发现电压表有示数,说明L_1可能存在____故障。
(3)排除故障后,用电流表测出A点电流,电流表示数如图乙所示,则$I_A= ____A,$再测出B点电流,得到A、B两点电流相等。更换不同规格的灯泡,重复上述实验,都得到相同结论。由此判断猜想是____的。
(4)为进一步得出两个灯泡串联时电流的规律,小明按图丙连接电路,测量A、B、C三点的电流,得出$I_A= I_B= I_C;$小华认为不需要再测量,在(3)结论的基础上,通过推理也可以得出相同结论,请写出小华的推理过程:____。
答案:
【解析】:
-
(2) 闭合开关后灯不亮,将电压表接在$A$、$B$两点间,电压表有示数,说明电压表与电源两极连通,$L_{1}$可能存在断路故障(若$L_{1}$短路,电压表也会无示数)。
-
(3) 电流表量程为$0 - 0.6A$,分度值为$0.02A$,示数$I_{A}=0.3A$;因为$A$、$B$两点电流相等,说明电流流过用电器不会减小,所以猜想是错误的。
-
(4) 在图甲中已得出串联电路中$A$、$B$两点(即电路中不同位置)电流相等;图丙中$L_{1}$、$L_{2}$串联,对于$L_{1}$来说,$A$、$B$两点电流相等(根据图甲结论),对于$L_{2}$来说,$B$、$C$两点电流相等(同样根据图甲结论,把$L_{2}$看作图甲中的用电器),所以$I_{A}=I_{B}=I_{C}$。
【答案】:
(2) 断路
(3)$0.3$;错误
(4) 在图甲中已得出串联电路中不同位置电流相等,图丙中$L_{1}$、$L_{2}$串联,对于$L_{1}$,$A$、$B$电流相等,对于$L_{2}$,$B$、$C$电流相等,所以$I_{A}=I_{B}=I_{C}$
-
(2) 闭合开关后灯不亮,将电压表接在$A$、$B$两点间,电压表有示数,说明电压表与电源两极连通,$L_{1}$可能存在断路故障(若$L_{1}$短路,电压表也会无示数)。
-
(3) 电流表量程为$0 - 0.6A$,分度值为$0.02A$,示数$I_{A}=0.3A$;因为$A$、$B$两点电流相等,说明电流流过用电器不会减小,所以猜想是错误的。
-
(4) 在图甲中已得出串联电路中$A$、$B$两点(即电路中不同位置)电流相等;图丙中$L_{1}$、$L_{2}$串联,对于$L_{1}$来说,$A$、$B$两点电流相等(根据图甲结论),对于$L_{2}$来说,$B$、$C$两点电流相等(同样根据图甲结论,把$L_{2}$看作图甲中的用电器),所以$I_{A}=I_{B}=I_{C}$。
【答案】:
(2) 断路
(3)$0.3$;错误
(4) 在图甲中已得出串联电路中不同位置电流相等,图丙中$L_{1}$、$L_{2}$串联,对于$L_{1}$,$A$、$B$电流相等,对于$L_{2}$,$B$、$C$电流相等,所以$I_{A}=I_{B}=I_{C}$
查看更多完整答案,请扫码查看