第72页
- 第1页
- 第2页
- 第3页
- 第4页
- 第5页
- 第6页
- 第7页
- 第8页
- 第9页
- 第10页
- 第11页
- 第12页
- 第13页
- 第14页
- 第15页
- 第16页
- 第17页
- 第18页
- 第19页
- 第20页
- 第21页
- 第22页
- 第23页
- 第24页
- 第25页
- 第26页
- 第27页
- 第28页
- 第29页
- 第30页
- 第31页
- 第32页
- 第33页
- 第34页
- 第35页
- 第36页
- 第37页
- 第38页
- 第39页
- 第40页
- 第41页
- 第42页
- 第43页
- 第44页
- 第45页
- 第46页
- 第47页
- 第48页
- 第49页
- 第50页
- 第51页
- 第52页
- 第53页
- 第54页
- 第55页
- 第56页
- 第57页
- 第58页
- 第59页
- 第60页
- 第61页
- 第62页
- 第63页
- 第64页
- 第65页
- 第66页
- 第67页
- 第68页
- 第69页
- 第70页
- 第71页
- 第72页
- 第73页
- 第74页
- 第75页
- 第76页
- 第77页
- 第78页
- 第79页
- 第80页
- 第81页
- 第82页
- 第83页
- 第84页
- 第85页
- 第86页
- 第87页
- 第88页
- 第89页
- 第90页
- 第91页
- 第92页
- 第93页
- 第94页
- 第95页
- 第96页
- 第97页
- 第98页
- 第99页
- 第100页
- 第101页
- 第102页
6. (2024南通崇川区校级月考)如图13-5-5所示是探究“串联电路中电流特点”的电路图,实验时甲、乙两电流表的示数分别为0.18 A和0.16 A,造成这两块电流表示数不同的原因可能是 ()


A. 电流表所选量程不同
B. 电流表自身的偏差
C. 灯泡规格不一样
D. 电流表在电路中的位置不同
A. 电流表所选量程不同
B. 电流表自身的偏差
C. 灯泡规格不一样
D. 电流表在电路中的位置不同
答案:
B
7. (2024苏州姑苏区校级模拟)如图13-5-6所示,闭合开关,通过$L_{1}$、$L_{2}的电流之比是2:1$,则电流表$A_{1}$、$A_{2}$的示数之比是 ()
A. $2:1$
B. $3:1$
C. $1:2$
D. $2:3$
A. $2:1$
B. $3:1$
C. $1:2$
D. $2:3$
答案:
B
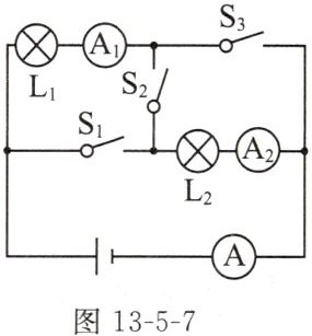
8. (2024南京玄武区期中)如图13-5-7所示的电路中:
(1)若三个开关同时闭合,电流表______(选填“A”“$A_{1}$”或“$A_{2}$”)将被损坏。
(2)只闭合开关$S_{2}$,两个灯泡的亮度不同,通过两个灯泡的电流______(选填“相等”或“不相等”)。
(3)只闭合开关$S_{1}$、$S_{3}$,两个灯泡都发光,此时观察到电流表A、$A_{1}$的指针指在同一位置,若电流表$A_{1}$的示数为0.3 A,则通过$L_{2}$的电流为______A。

(1)若三个开关同时闭合,电流表______(选填“A”“$A_{1}$”或“$A_{2}$”)将被损坏。
(2)只闭合开关$S_{2}$,两个灯泡的亮度不同,通过两个灯泡的电流______(选填“相等”或“不相等”)。
(3)只闭合开关$S_{1}$、$S_{3}$,两个灯泡都发光,此时观察到电流表A、$A_{1}$的指针指在同一位置,若电流表$A_{1}$的示数为0.3 A,则通过$L_{2}$的电流为______A。
答案:
(1)A
(2)相等
(3)1.2
(1)A
(2)相等
(3)1.2
9. 根据如图13-5-8甲所示的电路图,将图乙中的实物电路连接完整,要求干路中的电流表用大量程,支路中的电流表用小量程。

答案:
【解析】:根据电路图可知,两灯泡并联,电流表$A_{1}$测干路电流,电流表$A_{2}$测$L_{2}$支路的电流。已知干路中的电流表用大量程($0 - 3A$),支路中的电流表用小量程($0 - 0.6A$)。
从电源正极出发,先连接开关$S$,然后连接电流表$A_{1}$(大量程),接着电流分成两支,一支经过$L_{1}$回到电源负极,另一支经过电流表$A_{2}$(小量程)和$L_{2}$回到电源负极。
【答案】:按照上述连接方法连接实物电路(由于无法直接绘制实物连接图,学生可根据上述思路进行连接,注意电流表量程选择及电流流向)。
从电源正极出发,先连接开关$S$,然后连接电流表$A_{1}$(大量程),接着电流分成两支,一支经过$L_{1}$回到电源负极,另一支经过电流表$A_{2}$(小量程)和$L_{2}$回到电源负极。
【答案】:按照上述连接方法连接实物电路(由于无法直接绘制实物连接图,学生可根据上述思路进行连接,注意电流表量程选择及电流流向)。
10. [科学思维]如图13-5-9甲所示,电源电压不变,当开关S闭合时,两个完全相同的电流表$A_{1}和A_{2}$都有示数,虚线框内并联的小灯泡数量未知,且每条支路上只有一个小灯泡,小灯泡的规格都相同。

(1)若电流表$A_{1}$的示数为0.2 A,电流表$A_{2}$的示数为1.2 A,则虚线框内有______个灯泡。
(2)若小明观察到两个电流表指针偏转如图乙所示,请你推测虚线框内有______个灯泡。
(1)若电流表$A_{1}$的示数为0.2 A,电流表$A_{2}$的示数为1.2 A,则虚线框内有______个灯泡。
(2)若小明观察到两个电流表指针偏转如图乙所示,请你推测虚线框内有______个灯泡。
答案:
(1)6
(2)10 或 2
(1)6
(2)10 或 2
查看更多完整答案,请扫码查看