第81页
- 第1页
- 第2页
- 第3页
- 第4页
- 第5页
- 第6页
- 第7页
- 第8页
- 第9页
- 第10页
- 第11页
- 第12页
- 第13页
- 第14页
- 第15页
- 第16页
- 第17页
- 第18页
- 第19页
- 第20页
- 第21页
- 第22页
- 第23页
- 第24页
- 第25页
- 第26页
- 第27页
- 第28页
- 第29页
- 第30页
- 第31页
- 第32页
- 第33页
- 第34页
- 第35页
- 第36页
- 第37页
- 第38页
- 第39页
- 第40页
- 第41页
- 第42页
- 第43页
- 第44页
- 第45页
- 第46页
- 第47页
- 第48页
- 第49页
- 第50页
- 第51页
- 第52页
- 第53页
- 第54页
- 第55页
- 第56页
- 第57页
- 第58页
- 第59页
- 第60页
- 第61页
- 第62页
- 第63页
- 第64页
- 第65页
- 第66页
- 第67页
- 第68页
- 第69页
- 第70页
- 第71页
- 第72页
- 第73页
- 第74页
- 第75页
- 第76页
- 第77页
- 第78页
- 第79页
- 第80页
- 第81页
- 第82页
- 第83页
- 第84页
- 第85页
- 第86页
- 第87页
- 第88页
- 第89页
- 第90页
- 第91页
- 第92页
- 第93页
- 第94页
- 第95页
- 第96页
- 第97页
- 第98页
- 第99页
- 第100页
- 第101页
- 第102页
1. (2024苏州吴江区期中)如图Z-8-1所示,闭合开关S,两灯都不亮,当用一根导线分别连接a、b接线柱,e、f接线柱时,两灯都不亮;连接c、d接线柱时,只有一只灯泡发光。则电路故障可能是()


A. 灯泡$L_1$断路
B. 灯泡$L_2$断路
C. 灯泡$L_2$短路
D. 开关S断路
A. 灯泡$L_1$断路
B. 灯泡$L_2$断路
C. 灯泡$L_2$短路
D. 开关S断路
答案:
A
2. 如图Z-8-2所示的电路中,小灯泡$L_1、$$L_2$的规格相同,闭合开关S后,发现$L_1$不发光$,L_2$发光,则此电路的故障可能是()
$A. L_1$短路
$B. L_2$短路
$C. L_1$断路
D. 开关S接触不良
$A. L_1$短路
$B. L_2$短路
$C. L_1$断路
D. 开关S接触不良
答案:
C
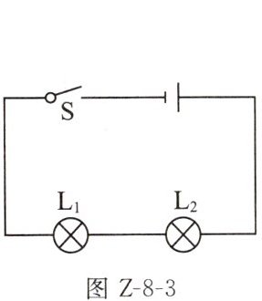
3. 在如图Z-8-3所示的电路中,闭合开关后,发现灯$L_1、$$L_2$都不发光。为了找出发生故障的原因,现用一个电流表进行故障检测:将电流表接在$L_1$两端时,电流表没有示数;将电流表接在$L_2$两端时,电流表有示数。则电路故障可能是()
$A. L_1$断路
$B. L_1$短路
$C. L_2$断路
$D. L_2$短路


$A. L_1$断路
$B. L_1$短路
$C. L_2$断路
$D. L_2$短路
答案:
C
4. (2022镇江)如图Z-8-4所示电路,在闭合开关后,两电流表正常工作,且读数相同,则可能发生的故障是()
$A. L_1$短路
$B. L_1$断路
$C. L_2$短路
$D. L_2$断路
$A. L_1$短路
$B. L_1$断路
$C. L_2$短路
$D. L_2$断路
答案:
B
5. 在如图Z-8-5所示的电路中,电源电压不变,小灯泡$L_1$或$L_2$中的一个发生了断路故障。
(1)若开关S从断开到闭合时,电流表示数不变,则电路故障可能是______。
(2)若开关S断开时,电流表示数为零,则电路故障可能是______。

(1)若开关S从断开到闭合时,电流表示数不变,则电路故障可能是______。
(2)若开关S断开时,电流表示数为零,则电路故障可能是______。
答案:
(1)$L_{2}$断路 (2)$L_{1}$断路
6. (2024盐城)在探究串联电路电压的特点时,电路如图Z-8-6所示,闭合开关,两灯泡都不发光,电压表无示数,则电路的故障可能是()
$A. L_1$短路
$B. L_1$断路
$C. L_2$短路
$D. L_2$断路


$A. L_1$短路
$B. L_1$断路
$C. L_2$短路
$D. L_2$断路
答案:
B
7. (2024南京鼓楼区校级模拟)如图Z-8-7所示电路,开关闭合后,发现$L_1、$$L_2$都不亮。小明将开关、$L_1$和$L_2$的接线柱分别用a、b、c、d、e、f表示,用一块电压表检测电路故障。表中是他记录的检测数据。则故障的原因可能是()

A. 导线bc发生断路
B. 开关发生断路
$C. L_1$灯丝断路
$D. L_2$短路
A. 导线bc发生断路
B. 开关发生断路
$C. L_1$灯丝断路
$D. L_2$短路
答案:
A
查看更多完整答案,请扫码查看