第11页
- 第1页
- 第2页
- 第3页
- 第4页
- 第5页
- 第6页
- 第7页
- 第8页
- 第9页
- 第10页
- 第11页
- 第12页
- 第13页
- 第14页
- 第15页
- 第16页
- 第17页
- 第18页
- 第19页
- 第20页
- 第21页
- 第22页
- 第23页
- 第24页
- 第25页
- 第26页
- 第27页
- 第28页
- 第29页
- 第30页
- 第31页
- 第32页
- 第33页
- 第34页
- 第35页
- 第36页
- 第37页
- 第38页
- 第39页
- 第40页
- 第41页
- 第42页
- 第43页
- 第44页
- 第45页
- 第46页
- 第47页
- 第48页
- 第49页
- 第50页
- 第51页
- 第52页
- 第53页
- 第54页
- 第55页
- 第56页
- 第57页
- 第58页
- 第59页
- 第60页
- 第61页
- 第62页
- 第63页
- 第64页
- 第65页
- 第66页
- 第67页
- 第68页
- 第69页
- 第70页
- 第71页
- 第72页
- 第73页
- 第74页
- 第75页
- 第76页
- 第77页
- 第78页
- 第79页
- 第80页
- 第81页
- 第82页
- 第83页
- 第84页
- 第85页
- 第86页
- 第87页
- 第88页
- 第89页
- 第90页
- 第91页
- 第92页
- 第93页
- 第94页
- 第95页
- 第96页
- 第97页
- 第98页
- 第99页
- 第100页
- 第101页
- 第102页
1. (2024常州金坛区一模)用如图11-2-13所示的三个装置先后提升同一个物体G,若不考虑滑轮的自重和摩擦,作用于绳子自由端的拉力$F_{1}$、$F_{2}$、$F_{3}$的大小关系是 (

)
A.$F_{1}$最小
B.$F_{2}$最小
C.$F_{3}$最小
D.三个力一样大
)
A.$F_{1}$最小
B.$F_{2}$最小
C.$F_{3}$最小
D.三个力一样大
答案:
C
2. 如图11-2-14所示,用滑轮组匀速提升重物,若不计摩擦、绳重和滑轮重,在绳子自由端所用的拉力$F= 20N$,则物体的重力$G= $____N;若物体的重力为30N,动滑轮的重力为6N,不计摩擦和绳重,则在绳子自由端所用的拉力$F= $____N;若将绳子自由端竖直向上拉动1.5m,则重物上升____m。

答案:
60 12 0.5
3. 如图11-2-15所示是用滑轮组把陷入泥里的车拉出来的两种方法,两种方法中较省力的是如图____所示的方法,较费距离的是如图____所示的方法。

答案:
乙 乙
4. 用如图11-2-16所示的滑轮组拉动物体,装置中A是____滑轮,B是____滑轮。物体的重力为2000N,物体匀速移动2m,物体与桌面间的摩擦力为900N,则绳子自由端移动了____m,绳子
自由端的水平拉力F的大小为____N。(不计绳重、滑轮重及滑轮摩擦)

自由端的水平拉力F的大小为____N。(不计绳重、滑轮重及滑轮摩擦)
答案:
定 动 6 300
5. (2024泰州二模)如图11-2-17甲所示是《天工开物》中记载的一种在农业生产中汲水的装置,称为辘轳,图乙是它的示意图。提水时辘轳可以看作杠杆,其支点在____(选填“A”“B”或“C”)点,此时辘轳属于____(选填“省力”“费力”或“等臂”)杠杆。如图丙所示,现代家庭中有的水龙头的开关也应用了同样原理,选用转盘____(选填“①”或“②”)作为水龙头的开关效果更好。

答案:
B 省力 ①
6. 如图11-2-18所示的装置中,忽略滑轮自重、绳重和摩擦,按要求画出滑轮组的绕线方式。链接例4方法指导

答案:
如图所示
(F=去G) (F=G) (F=↓G) (F=G)
如图所示
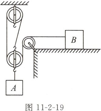
7. (2024扬州江都区二模)如图11-2-19所示,动滑轮重20N,不计绳重及滑轮摩擦,当动滑轮挂上重力为100N的物体A时,物体B在水平桌面上恰好能向左做匀速直线运动。则B受到的摩擦力 ()

A.方向水平向左,大小是100N
B.方向水平向右,大小是40N
C.方向水平向左,大小是40N
D.方向水平向右,大小是20N
A.方向水平向左,大小是100N
B.方向水平向右,大小是40N
C.方向水平向左,大小是40N
D.方向水平向右,大小是20N
答案:
B
查看更多完整答案,请扫码查看