第96页
- 第1页
- 第2页
- 第3页
- 第4页
- 第5页
- 第6页
- 第7页
- 第8页
- 第9页
- 第10页
- 第11页
- 第12页
- 第13页
- 第14页
- 第15页
- 第16页
- 第17页
- 第18页
- 第19页
- 第20页
- 第21页
- 第22页
- 第23页
- 第24页
- 第25页
- 第26页
- 第27页
- 第28页
- 第29页
- 第30页
- 第31页
- 第32页
- 第33页
- 第34页
- 第35页
- 第36页
- 第37页
- 第38页
- 第39页
- 第40页
- 第41页
- 第42页
- 第43页
- 第44页
- 第45页
- 第46页
- 第47页
- 第48页
- 第49页
- 第50页
- 第51页
- 第52页
- 第53页
- 第54页
- 第55页
- 第56页
- 第57页
- 第58页
- 第59页
- 第60页
- 第61页
- 第62页
- 第63页
- 第64页
- 第65页
- 第66页
- 第67页
- 第68页
- 第69页
- 第70页
- 第71页
- 第72页
- 第73页
- 第74页
- 第75页
- 第76页
- 第77页
- 第78页
- 第79页
- 第80页
- 第81页
- 第82页
- 第83页
- 第84页
- 第85页
- 第86页
- 第87页
- 第88页
- 第89页
- 第90页
- 第91页
- 第92页
- 第93页
- 第94页
- 第95页
- 第96页
- 第97页
- 第98页
- 第99页
- 第100页
- 第101页
- 第102页
9. (2023无锡期中)如图14-3-11所示,电源电压不变,$R_{2}$的电阻为20Ω。闭合开关后,电压表的示数为2V,电路中的电流为0.2A,则定值电阻$R_{1}$的阻值为______Ω。若只将电压表换成电流表,闭合开关,则电路中的电流为______A。

答案:
10 0.3
10. (2024徐州沛县校级二模)在“探究电流与电阻的关系”实验中,根据实验数据绘制的I-R图像如图14-3-12所示,由图像可知:图中阴影部分的面积表示的物理量是______(选填“电流”“电压”或“电阻”),其值为______。通过多次实验得出结论是______。


答案:
电压 3 V 导体两端电压一定时,通过导体的电流与导体电阻成反比
11. 如图14-3-13所示是电阻A、B的I-U图像。由图可知,电阻B的阻值是______Ω;将电阻A、B串联后接入电路,当通过电阻A的电流为0.3A时,电阻A、B两端的总电压是______V;将电阻A、B并联后接入某电路,当通过电阻B的电流为0.2A时,电阻A两端的电压是______V;将电阻A、B并联在电压为3V的电源两端,电路中的总电流是______A。
答案:
10 4.5 2 0.9
12. (2023苏州月考改编)小明利用图14-3-14甲所示的电路探究“通过导体的电流与电阻的关系”,根据实验数据绘出了图像,如图乙所示。分析图像可知:
(1)当导体的电阻为多大时,通过它的电流为0.2A?
(2)实验过程中,小明控制导体两端的电压为多少?

(1)当导体的电阻为多大时,通过它的电流为0.2A?
(2)实验过程中,小明控制导体两端的电压为多少?
答案:
(1)分析图像可知,通过导体的电流为 0.2 A 时, $ \frac{1}{R} $ 为 $ 0.1 \Omega^{-1} $,由此计算出此时导体的电阻为 $ R = 10 \Omega $。
(2) $ I = 0.2 \text{ A} $ 时, $ R = 10 \Omega $,则导体两端的电压为 $ U = IR = 0.2 \text{ A} \times 10 \Omega = 2 \text{ V} $。
(1)分析图像可知,通过导体的电流为 0.2 A 时, $ \frac{1}{R} $ 为 $ 0.1 \Omega^{-1} $,由此计算出此时导体的电阻为 $ R = 10 \Omega $。
(2) $ I = 0.2 \text{ A} $ 时, $ R = 10 \Omega $,则导体两端的电压为 $ U = IR = 0.2 \text{ A} \times 10 \Omega = 2 \text{ V} $。
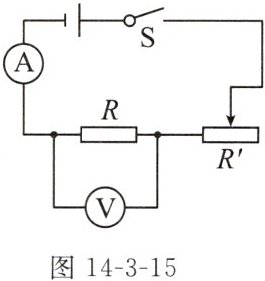
13. [科学思维](2024盐城亭湖区校级月考)在探究电压一定时电流与电阻关系的实验中,某同学按如图14-3-15所示的电路连接,电源电压保持4.5V不变。闭合开关,调节滑动变阻器,得到的实验数据如下表所示。下列说法正确的是 ()


A. 第4次实验数据是错误的
B. 若滑动变阻器最大阻值为10Ω,则无法得到第5次实验数据
C. 选用的滑动变阻器的规格可能是“12Ω 1A”
D. 该实验得出的结论是:电压一定时,导体的电阻与通过导体的电流成反比
A. 第4次实验数据是错误的
B. 若滑动变阻器最大阻值为10Ω,则无法得到第5次实验数据
C. 选用的滑动变阻器的规格可能是“12Ω 1A”
D. 该实验得出的结论是:电压一定时,导体的电阻与通过导体的电流成反比
答案:
B
查看更多完整答案,请扫码查看