2025年高考必刷小题高中物理人教版
注:目前有些书本章节名称可能整理的还不是很完善,但都是按照顺序排列的,请同学们按照顺序仔细查找。练习册 2025年高考必刷小题高中物理人教版 答案主要是用来给同学们做完题方便对答案用的,请勿直接抄袭。
第92页
- 第1页
- 第2页
- 第3页
- 第4页
- 第5页
- 第6页
- 第7页
- 第8页
- 第9页
- 第10页
- 第11页
- 第12页
- 第13页
- 第14页
- 第15页
- 第16页
- 第17页
- 第18页
- 第19页
- 第20页
- 第21页
- 第22页
- 第23页
- 第24页
- 第25页
- 第26页
- 第27页
- 第28页
- 第29页
- 第30页
- 第31页
- 第32页
- 第33页
- 第34页
- 第35页
- 第36页
- 第37页
- 第38页
- 第39页
- 第40页
- 第41页
- 第42页
- 第43页
- 第44页
- 第45页
- 第46页
- 第47页
- 第48页
- 第49页
- 第50页
- 第51页
- 第52页
- 第53页
- 第54页
- 第55页
- 第56页
- 第57页
- 第58页
- 第59页
- 第60页
- 第61页
- 第62页
- 第63页
- 第64页
- 第65页
- 第66页
- 第67页
- 第68页
- 第69页
- 第70页
- 第71页
- 第72页
- 第73页
- 第74页
- 第75页
- 第76页
- 第77页
- 第78页
- 第79页
- 第80页
- 第81页
- 第82页
- 第83页
- 第84页
- 第85页
- 第86页
- 第87页
- 第88页
- 第89页
- 第90页
- 第91页
- 第92页
- 第93页
- 第94页
- 第95页
- 第96页
- 第97页
- 第98页
- 第99页
- 第100页
- 第101页
- 第102页
- 第103页
- 第104页
- 第105页
- 第106页
- 第107页
- 第108页
- 第109页
- 第110页
- 第111页
- 第112页
- 第113页
- 第114页
- 第115页
- 第116页
- 第117页
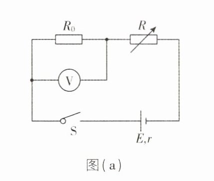
1. 一实验小组利用图(a)所示的电路测量一电池的电动势$E$(约$1.5\ V$)和内阻$r$(小于$2\ \Omega$). 图中电压表量程为$0\sim1\ V$,内阻$R_{V}=380.0\ \Omega$,定值电阻$R_{0}=20.0\ \Omega$;电阻箱$R$,最大阻值为$999.9\ \Omega$;$S$为开关. 按电路图连接电路. 完成下列填空:

(1)为保护电压表,闭合开关$S$前,电阻箱接入电路的电阻值可以选____$\Omega$(填“$5.0$”或“$15.0$”).
(2)闭合开关$S$,多次调节电阻箱,记录下阻值$R$和电压表的相应读数$U$.
(3)根据图(a)所示电路,用$R$、$R_{0}$、$R_{V}$、$E$和$r$表示$\frac{1}{U}$,得$\frac{1}{U}=$_________.
(4)利用测量数据,作$\frac{1}{U}-R$图线,如图(b)所示:

(5)通过图(b)可得$E=$_______$V$(保留$2$位小数),$r=$_______$\Omega$(保留$1$位小数).
(1)为保护电压表,闭合开关$S$前,电阻箱接入电路的电阻值可以选____$\Omega$(填“$5.0$”或“$15.0$”).
(2)闭合开关$S$,多次调节电阻箱,记录下阻值$R$和电压表的相应读数$U$.
(3)根据图(a)所示电路,用$R$、$R_{0}$、$R_{V}$、$E$和$r$表示$\frac{1}{U}$,得$\frac{1}{U}=$_________.
(4)利用测量数据,作$\frac{1}{U}-R$图线,如图(b)所示:
(5)通过图(b)可得$E=$_______$V$(保留$2$位小数),$r=$_______$\Omega$(保留$1$位小数).
答案:
(1) 15.0
(3)$\frac{R_{0}+R_{V}}{ER_{V}R_{0}}\cdot R+\frac{1}{E}+\frac{(R_{V}+R_{0})r}{ER_{V}R_{0}}$
(5) 1.55 1.1 【解析】
(1) 为了避免电压表被烧坏,接通电路时电压表两端的电压不能比电表满偏电压大,则由串联电路分压可得$\frac{U}{\frac{R_{V}R_{0}}{R_{V}+R_{0}}}=\frac{E - U}{R + r}$,代入数据解得$R = 7.5\ \Omega$,因此选$15.0\ \Omega$。
(3) 由闭合电路的欧姆定律可得$E = U+\frac{U}{\frac{R_{V}R_{0}}{R_{V}+R_{0}}}(R + r)$,化简可得$\frac{1}{U}=\frac{R_{0}+R_{V}}{ER_{V}R_{0}}R+\frac{1}{E}+\frac{R_{0}+R_{V}}{ER_{V}R_{0}}r$。
(5) 由上面公式可得$\frac{R_{0}+R_{V}}{ER_{V}R_{0}} = k=\frac{1}{19E}$,由$\frac{1}{U}-R$图像计算可得$k = 0.034\ V^{-1}\cdot\Omega^{-1}$,代入可得$E\approx1.55\ V$,将$(15, 1.2)$代入解析式可得$1.2=\frac{1}{19E}\times15+\frac{1}{E}+\frac{r}{19E}$,解得$r\approx1.1\ \Omega$。
(1) 15.0
(3)$\frac{R_{0}+R_{V}}{ER_{V}R_{0}}\cdot R+\frac{1}{E}+\frac{(R_{V}+R_{0})r}{ER_{V}R_{0}}$
(5) 1.55 1.1 【解析】
(1) 为了避免电压表被烧坏,接通电路时电压表两端的电压不能比电表满偏电压大,则由串联电路分压可得$\frac{U}{\frac{R_{V}R_{0}}{R_{V}+R_{0}}}=\frac{E - U}{R + r}$,代入数据解得$R = 7.5\ \Omega$,因此选$15.0\ \Omega$。
(3) 由闭合电路的欧姆定律可得$E = U+\frac{U}{\frac{R_{V}R_{0}}{R_{V}+R_{0}}}(R + r)$,化简可得$\frac{1}{U}=\frac{R_{0}+R_{V}}{ER_{V}R_{0}}R+\frac{1}{E}+\frac{R_{0}+R_{V}}{ER_{V}R_{0}}r$。
(5) 由上面公式可得$\frac{R_{0}+R_{V}}{ER_{V}R_{0}} = k=\frac{1}{19E}$,由$\frac{1}{U}-R$图像计算可得$k = 0.034\ V^{-1}\cdot\Omega^{-1}$,代入可得$E\approx1.55\ V$,将$(15, 1.2)$代入解析式可得$1.2=\frac{1}{19E}\times15+\frac{1}{E}+\frac{r}{19E}$,解得$r\approx1.1\ \Omega$。
2. 某学习小组用水果和两种金属电极做了一个“水果电池”,为了测量其电动势和内阻,进行了以下实验:
(1)为了尽可能准确地测出水果电池的电动势和内阻,使用的实验器材有:多用电表(可视为理想电压表)、滑动变阻器(最大阻值足够大)、微安表、导线、开关等. 实验电路如图甲所示,请根据电路图在图乙中完成实物连线.

(2)连接好电路后,闭合开关,调节滑动变阻器,记录数字电压表和微安表的示数. 作出$U - I$图像如图丙所示. 由图像求得水果电池的电动势$E=$________$V$,内阻$r=$________$k\Omega$(结果保留三位有效数字).

(3)若实验室中没有多用电表,只能用普通电压表(量程为$0\sim3\ V$)做实验,这样会使得电动势的测量值_______,内阻的测量值_______(均填“偏大”“偏小”或“无偏差”).
(1)为了尽可能准确地测出水果电池的电动势和内阻,使用的实验器材有:多用电表(可视为理想电压表)、滑动变阻器(最大阻值足够大)、微安表、导线、开关等. 实验电路如图甲所示,请根据电路图在图乙中完成实物连线.
(2)连接好电路后,闭合开关,调节滑动变阻器,记录数字电压表和微安表的示数. 作出$U - I$图像如图丙所示. 由图像求得水果电池的电动势$E=$________$V$,内阻$r=$________$k\Omega$(结果保留三位有效数字).
(3)若实验室中没有多用电表,只能用普通电压表(量程为$0\sim3\ V$)做实验,这样会使得电动势的测量值_______,内阻的测量值_______(均填“偏大”“偏小”或“无偏差”).
答案:
2.
(1) 见解析
(2) 1.00 20.8
(3) 偏小 偏小 考查点 水果电池的电动势和内阻的测量 【解析】
(1) 电路图如答图甲所示。
(2) 由闭合电路欧姆定律得$E = U + Ir$,即$U=-rI + E$,由$U - I$图像可知,图像与纵轴交点的坐标值即为电源电动势,则$E = 1.00\ V$,图像斜率的绝对值为内阻,则$r = |k|=\frac{1.00}{48\times10^{-6}}\ \Omega\approx20.8\ k\Omega$。
(3) 由题图甲可知,由于电压表的分流作用,通过电源的电流大于电流表示数,电源$U - I$实验图像与真实图像如答图乙所示,电源电动势的测量值比真实值偏小,电源内阻的测量值比真实值偏小。
2.
(1) 见解析
(2) 1.00 20.8
(3) 偏小 偏小 考查点 水果电池的电动势和内阻的测量 【解析】
(1) 电路图如答图甲所示。
(2) 由闭合电路欧姆定律得$E = U + Ir$,即$U=-rI + E$,由$U - I$图像可知,图像与纵轴交点的坐标值即为电源电动势,则$E = 1.00\ V$,图像斜率的绝对值为内阻,则$r = |k|=\frac{1.00}{48\times10^{-6}}\ \Omega\approx20.8\ k\Omega$。
(3) 由题图甲可知,由于电压表的分流作用,通过电源的电流大于电流表示数,电源$U - I$实验图像与真实图像如答图乙所示,电源电动势的测量值比真实值偏小,电源内阻的测量值比真实值偏小。
查看更多完整答案,请扫码查看