第101页
- 第1页
- 第2页
- 第3页
- 第4页
- 第5页
- 第6页
- 第7页
- 第8页
- 第9页
- 第10页
- 第11页
- 第12页
- 第13页
- 第14页
- 第15页
- 第16页
- 第17页
- 第18页
- 第19页
- 第20页
- 第21页
- 第22页
- 第23页
- 第24页
- 第25页
- 第26页
- 第27页
- 第28页
- 第29页
- 第30页
- 第31页
- 第32页
- 第33页
- 第34页
- 第35页
- 第36页
- 第37页
- 第38页
- 第39页
- 第40页
- 第41页
- 第42页
- 第43页
- 第44页
- 第45页
- 第46页
- 第47页
- 第48页
- 第49页
- 第50页
- 第51页
- 第52页
- 第53页
- 第54页
- 第55页
- 第56页
- 第57页
- 第58页
- 第59页
- 第60页
- 第61页
- 第62页
- 第63页
- 第64页
- 第65页
- 第66页
- 第67页
- 第68页
- 第69页
- 第70页
- 第71页
- 第72页
- 第73页
- 第74页
- 第75页
- 第76页
- 第77页
- 第78页
- 第79页
- 第80页
- 第81页
- 第82页
- 第83页
- 第84页
- 第85页
- 第86页
- 第87页
- 第88页
- 第89页
- 第90页
- 第91页
- 第92页
- 第93页
- 第94页
- 第95页
- 第96页
- 第97页
- 第98页
- 第99页
- 第100页
- 第101页
- 第102页
- 第103页
- 第104页
- 第105页
- 第106页
- 第107页
- 第108页
- 第109页
- 第110页
- 第111页
- 第112页
- 第113页
- 第114页
- 第115页
- 第116页
- 第117页
- 第118页
- 第119页
3. 在没有电流表的情况下,小明用如图所示的实验电路测出小灯泡的额定功率。已知小灯泡的额定电压为$U_{额},$定值电阻的阻值为$R_{0},$实验步骤如下:
① 只闭合开关S、$S_{1},$调节滑片,使电压表示数为$U_{额}。$
② 保持滑片位置不变,只闭合开关S、$S_{2},$此时电压表的示数为U。
可知小灯泡的额定功率$P_{额}=$(用$U_{额}、$U和$R_{0}$表示)。

① 只闭合开关S、$S_{1},$调节滑片,使电压表示数为$U_{额}。$
② 保持滑片位置不变,只闭合开关S、$S_{2},$此时电压表的示数为U。
可知小灯泡的额定功率$P_{额}=$(用$U_{额}、$U和$R_{0}$表示)。
答案:
①步骤①中,只闭合S、S1时,L与R0并联后与滑动变阻器串联,电压表测并联部分电压,调节滑片使电压表示数为U额,此时L两端电压为U额(正常发光),通过R0的电流$I_0=\frac{U_{额}}{R_0}$,干路电流$I=I_{额}+I_0$。
②步骤②中,只闭合S、S2时,L断路,R0与滑动变阻器串联,电压表测R0两端电压为U,电路电流$I'=\frac{U}{R_0}$。
③因滑动变阻器滑片位置不变,其电阻不变,且两次滑动变阻器两端电压相等,故干路电流相等,即$I=I'$。则$I_{额}+I_0=I'$,代入得$I_{额}+\frac{U_{额}}{R_0}=\frac{U}{R_0}$,解得$I_{额}=\frac{U - U_{额}}{R_0}$。
④额定功率$P_{额}=U_{额}I_{额}=U_{额}\cdot\frac{U - U_{额}}{R_0}=\frac{U_{额}(U - U_{额})}{R_0}$。
$\frac{U_{额}(U - U_{额})}{R_0}$
②步骤②中,只闭合S、S2时,L断路,R0与滑动变阻器串联,电压表测R0两端电压为U,电路电流$I'=\frac{U}{R_0}$。
③因滑动变阻器滑片位置不变,其电阻不变,且两次滑动变阻器两端电压相等,故干路电流相等,即$I=I'$。则$I_{额}+I_0=I'$,代入得$I_{额}+\frac{U_{额}}{R_0}=\frac{U}{R_0}$,解得$I_{额}=\frac{U - U_{额}}{R_0}$。
④额定功率$P_{额}=U_{额}I_{额}=U_{额}\cdot\frac{U - U_{额}}{R_0}=\frac{U_{额}(U - U_{额})}{R_0}$。
$\frac{U_{额}(U - U_{额})}{R_0}$
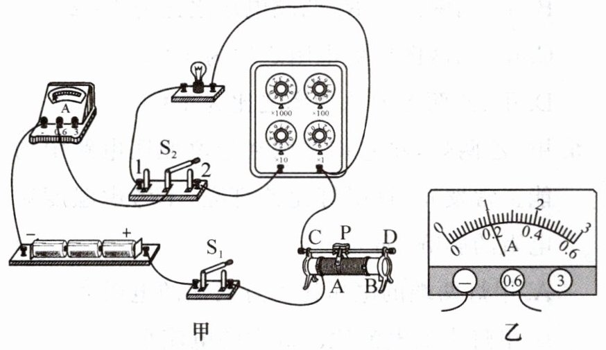
4. 小鹭利用电流表和电阻箱测量小灯泡的电功率,设计并连接了如图甲所示的实验电路。

(1) 闭合开关$S_{1},$将开关$S_{2}$扳向(填“1”或“2”),调节滑动变阻器使电流表的示数如图乙所示,此时电流$I_{1}=$A。
(2) 将开关$S_{2}$扳向另一端,保持的阻值不变,调节的阻值R,使电流表的示数仍为$I_{1}。$
(3) 若此时R=7Ω,小灯泡的实际功率$P_{1}=$W。
(1) 闭合开关$S_{1},$将开关$S_{2}$扳向(填“1”或“2”),调节滑动变阻器使电流表的示数如图乙所示,此时电流$I_{1}=$A。
(2) 将开关$S_{2}$扳向另一端,保持的阻值不变,调节的阻值R,使电流表的示数仍为$I_{1}。$
(3) 若此时R=7Ω,小灯泡的实际功率$P_{1}=$W。
答案:
(1) 1;0.2
(2) 滑动变阻器;电阻箱
(3) 0.28
(1) 1;0.2
(2) 滑动变阻器;电阻箱
(3) 0.28
5. 小明同学做“测小灯泡额定电功率”的实验,实验室提供的器材:电压恒为5V的电源、额定电压为2.5V的待测小灯泡L、电流表、电压表、开关和导线若干,另有标有“50Ω 0.5A”字样的滑动变阻器$R_{1}$和标有“30Ω 1A”字样的滑动变阻器$R_{2}。$

(1) 检查电路时,小明发现有一根导线连接错误,请将图甲中连接错误的导线打“×”,并用笔画线代替导线将电路连接正确。
(2) 改正所有问题并正确完成实验,当电压表示数为1.5V时,为使灯正常发光,滑片P应向(填“左”或“右”)移动。小明根据实验数据绘制出如图乙所示的I-U图像,由图像可知小灯泡的额定功率为W,他还发现图像是曲线,原因是小灯泡灯丝的电阻随温度的而变大。
(3) 本实验选择的滑动变阻器是(填$“R_{1}”$或$“R_{2}”)。$
(4) 同组的小月同学设计了图丙所示的电路,也测出了该小灯泡的额定电功率$(R_{0}$为阻值25Ω的定值电阻,R为滑动变阻器)。
① 断开开关$S_{1},$闭合开关S、$S_{2},$移动滑动变阻器滑片P,当电流表示数为A时,小灯泡恰好正常发光。
② 保持滑动变阻器滑片位置不变,闭合开关S、$S_{1}、$断开开关$S_{2},$记下电流表示数为I。
③ 推导出小灯泡的额定功率表达式为$P_{额}=$。
(1) 检查电路时,小明发现有一根导线连接错误,请将图甲中连接错误的导线打“×”,并用笔画线代替导线将电路连接正确。
(2) 改正所有问题并正确完成实验,当电压表示数为1.5V时,为使灯正常发光,滑片P应向(填“左”或“右”)移动。小明根据实验数据绘制出如图乙所示的I-U图像,由图像可知小灯泡的额定功率为W,他还发现图像是曲线,原因是小灯泡灯丝的电阻随温度的而变大。
(3) 本实验选择的滑动变阻器是(填$“R_{1}”$或$“R_{2}”)。$
(4) 同组的小月同学设计了图丙所示的电路,也测出了该小灯泡的额定电功率$(R_{0}$为阻值25Ω的定值电阻,R为滑动变阻器)。
① 断开开关$S_{1},$闭合开关S、$S_{2},$移动滑动变阻器滑片P,当电流表示数为A时,小灯泡恰好正常发光。
② 保持滑动变阻器滑片位置不变,闭合开关S、$S_{1}、$断开开关$S_{2},$记下电流表示数为I。
③ 推导出小灯泡的额定功率表达式为$P_{额}=$。
答案:
(1) (在电压表与滑动变阻器并联的导线上打“×”,改接电压表与小灯泡并联)
(2) 左;0.625;升高
(3) R₁
(4) ①0.1;③2.5(I - 0.1)
(1) (在电压表与滑动变阻器并联的导线上打“×”,改接电压表与小灯泡并联)
(2) 左;0.625;升高
(3) R₁
(4) ①0.1;③2.5(I - 0.1)
查看更多完整答案,请扫码查看