第112页
- 第1页
- 第2页
- 第3页
- 第4页
- 第5页
- 第6页
- 第7页
- 第8页
- 第9页
- 第10页
- 第11页
- 第12页
- 第13页
- 第14页
- 第15页
- 第16页
- 第17页
- 第18页
- 第19页
- 第20页
- 第21页
- 第22页
- 第23页
- 第24页
- 第25页
- 第26页
- 第27页
- 第28页
- 第29页
- 第30页
- 第31页
- 第32页
- 第33页
- 第34页
- 第35页
- 第36页
- 第37页
- 第38页
- 第39页
- 第40页
- 第41页
- 第42页
- 第43页
- 第44页
- 第45页
- 第46页
- 第47页
- 第48页
- 第49页
- 第50页
- 第51页
- 第52页
- 第53页
- 第54页
- 第55页
- 第56页
- 第57页
- 第58页
- 第59页
- 第60页
- 第61页
- 第62页
- 第63页
- 第64页
- 第65页
- 第66页
- 第67页
- 第68页
- 第69页
- 第70页
- 第71页
- 第72页
- 第73页
- 第74页
- 第75页
- 第76页
- 第77页
- 第78页
- 第79页
- 第80页
- 第81页
- 第82页
- 第83页
- 第84页
- 第85页
- 第86页
- 第87页
- 第88页
- 第89页
- 第90页
- 第91页
- 第92页
- 第93页
- 第94页
- 第95页
- 第96页
- 第97页
- 第98页
- 第99页
- 第100页
- 第101页
- 第102页
- 第103页
- 第104页
- 第105页
- 第106页
- 第107页
- 第108页
- 第109页
- 第110页
- 第111页
- 第112页
- 第113页
- 第114页
- 第115页
- 第116页
- 第117页
- 第118页
- 第119页
6. (2024·铜陵铜官区期末)小科家一款新型电烤箱铭牌上的部分参数如表所示,其简化电路如图甲所示,$ R_1 $、$ R_2 $ 均为电热丝(阻值不随温度变化)。

(1) 求该电烤箱在额定保温功率下工作时的电流。
(2) 求电热丝 $ R_2 $ 的阻值。
(3) 傍晚用电高峰期,小科想测量电烤箱在工作时的实际功率,于是他断开了家中其他用电器,仅让电烤箱在加热状态下工作,$ 1 \min $ 内如图乙所示的电能表转盘转了 $ 50 r $,求电烤箱实际的加热功率。
(1) 求该电烤箱在额定保温功率下工作时的电流。
(2) 求电热丝 $ R_2 $ 的阻值。
(3) 傍晚用电高峰期,小科想测量电烤箱在工作时的实际功率,于是他断开了家中其他用电器,仅让电烤箱在加热状态下工作,$ 1 \min $ 内如图乙所示的电能表转盘转了 $ 50 r $,求电烤箱实际的加热功率。
答案:
解:
(1)由$P=UI$可得,该电烤箱在额定保温功率下工作时的电流:$I_{保温}=\frac{P_{保温}}{U}=\frac{110W}{220V}=0.5A$
(2)当S闭合,$S_1$接右边接线柱b时,$R_1$单独工作,电路中电阻较大,电源电压一定,由$P=\frac{U^2}{R}$可知此时电功率较小,电路处于保温挡位;当S闭合、$S_1$接左边接线柱a时,电阻$R_1$和$R_2$并联,电路中电阻较小,电源电压一定,由$P=\frac{U^2}{R}$可知此时电功率较大,处于加热挡位。
此时$R_1$的电功率:$P_1=P_{保温}=110W$
$R_2$的电功率:
$P_2=P_{加热}-P_1=1210W - 110W=1100W$
则电热丝$R_2$的阻值:$R_2=\frac{U^2}{P_2}=\frac{(220V)^2}{1100W}=44\Omega$
(3)电能表上“3000r/(kW·h)”表示电路中用电器每消耗1kW·h的电能,电能表的转盘转3000r。
电能表转盘转了50r,电烤箱消耗的电能:
$W=\frac{50}{3000}kW·h=\frac{1}{60}kW·h$,工作时间$t = 1min=\frac{1}{60}h$。
电烤箱的实际功率:
$P_{实}=\frac{W}{t}=\frac{\frac{1}{60}kW·h}{\frac{1}{60}h}=1kW = 1000W$
(1)由$P=UI$可得,该电烤箱在额定保温功率下工作时的电流:$I_{保温}=\frac{P_{保温}}{U}=\frac{110W}{220V}=0.5A$
(2)当S闭合,$S_1$接右边接线柱b时,$R_1$单独工作,电路中电阻较大,电源电压一定,由$P=\frac{U^2}{R}$可知此时电功率较小,电路处于保温挡位;当S闭合、$S_1$接左边接线柱a时,电阻$R_1$和$R_2$并联,电路中电阻较小,电源电压一定,由$P=\frac{U^2}{R}$可知此时电功率较大,处于加热挡位。
此时$R_1$的电功率:$P_1=P_{保温}=110W$
$R_2$的电功率:
$P_2=P_{加热}-P_1=1210W - 110W=1100W$
则电热丝$R_2$的阻值:$R_2=\frac{U^2}{P_2}=\frac{(220V)^2}{1100W}=44\Omega$
(3)电能表上“3000r/(kW·h)”表示电路中用电器每消耗1kW·h的电能,电能表的转盘转3000r。
电能表转盘转了50r,电烤箱消耗的电能:
$W=\frac{50}{3000}kW·h=\frac{1}{60}kW·h$,工作时间$t = 1min=\frac{1}{60}h$。
电烤箱的实际功率:
$P_{实}=\frac{W}{t}=\frac{\frac{1}{60}kW·h}{\frac{1}{60}h}=1kW = 1000W$
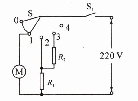
7. (2024·威海)小明家有一款多功能厨房神器,它的内部结构主要由两个电热丝和一个电动机构成,通过旋转开关可实现常温搅拌、高温翻炒、低温慢炖、高温蒸煮(电动机可实现搅拌、翻炒功能)等功能。其参数如表所示,内部电路简图如图所示。已知 $ R_2 $ 的阻值为 $ 66 \Omega $。请解答下列问题:
(1) 画出该机器高温翻炒功能的等效电路图,并求出 $ R_1 $ 的阻值。
(2) 小明早晨想利用该机器的低温慢炖功能将质量为 $ 400 g $、初温为 $ 20 ℃ $ 的牛奶加热到 $ 55 ℃ $,他把加热时间设置为 $ 1 \min $,请通过计算说明这种设置是否合理?$ [不计热量损失, c_{牛奶} = 2.5 × 10^3 J/(kg·℃)] $


(1) 画出该机器高温翻炒功能的等效电路图,并求出 $ R_1 $ 的阻值。
(2) 小明早晨想利用该机器的低温慢炖功能将质量为 $ 400 g $、初温为 $ 20 ℃ $ 的牛奶加热到 $ 55 ℃ $,他把加热时间设置为 $ 1 \min $,请通过计算说明这种设置是否合理?$ [不计热量损失, c_{牛奶} = 2.5 × 10^3 J/(kg·℃)] $
答案:
解:
(1)
常温搅拌只有电动机工作,其功率为100W;高温翻炒电动机与电阻$R_1$并联,总功率为2300W,则电阻$R_1$的功率:
$P_1=P_{炒}-P_M=2300W - 100W=2200W$
由$P=\frac{U^2}{R}$可得,$R_1$的阻值:
$R_1=\frac{U^2}{P_1}=\frac{(220V)^2}{2200W}=22\Omega$
(2)低温慢炖时两个电阻串联,总电阻:
$R=R_1+R_2=22\Omega + 66\Omega=88\Omega$
通电1min产生的热量:
$Q=W=\frac{U^2}{R}t=\frac{(220V)^2}{88\Omega}×60s=33000J$
牛奶需要吸收的热量:
$Q_{吸}=c_{牛奶}m(t_{末}-t_{0})=2.5×10^3J/(kg·℃)×0.4kg×(55℃ - 20℃)=35000J>33000J$
故设置不合理。
解:
(1)
常温搅拌只有电动机工作,其功率为100W;高温翻炒电动机与电阻$R_1$并联,总功率为2300W,则电阻$R_1$的功率:
$P_1=P_{炒}-P_M=2300W - 100W=2200W$
由$P=\frac{U^2}{R}$可得,$R_1$的阻值:
$R_1=\frac{U^2}{P_1}=\frac{(220V)^2}{2200W}=22\Omega$
(2)低温慢炖时两个电阻串联,总电阻:
$R=R_1+R_2=22\Omega + 66\Omega=88\Omega$
通电1min产生的热量:
$Q=W=\frac{U^2}{R}t=\frac{(220V)^2}{88\Omega}×60s=33000J$
牛奶需要吸收的热量:
$Q_{吸}=c_{牛奶}m(t_{末}-t_{0})=2.5×10^3J/(kg·℃)×0.4kg×(55℃ - 20℃)=35000J>33000J$
故设置不合理。
查看更多完整答案,请扫码查看